|
Вычертить по заданным размерам контуры детали. ГР3 ч.2 и 1
|
|
| engineerklub | Дата: Четверг, 17.02.2022, 08:02 | Сообщение # 16 |
 Генералиссимус
Группа: Администраторы
Сообщений: 38961
Статус: Offline
| Подвеска. Вариант 16
 Подвеска. Вариант 16 Графическая работа 3 часть 2
Вычертить по заданным размерам контуры подвески. Линии построения лекальной кривой сохранить.
СКАЧАТЬ
|
| |
|
|
| engineerklub | Дата: Четверг, 17.02.2022, 08:03 | Сообщение # 17 |
 Генералиссимус
Группа: Администраторы
Сообщений: 38961
Статус: Offline
| Подвеска. Вариант 17
 Подвеска. Вариант 17 Графическая работа 3 часть 2
Вычертить по заданным размерам контуры подвески. Линии построения лекальной кривой сохранить.
СКАЧАТЬ
|
| |
|
|
| engineerklub | Дата: Четверг, 17.02.2022, 08:08 | Сообщение # 18 |
 Генералиссимус
Группа: Администраторы
Сообщений: 38961
Статус: Offline
| Рефлектор. Вариант 18
 Рефлектор. Вариант 18 Графическая работа 3 часть 2
Вычертить по заданным размерам контуры рефлектора. Линии построения лекальной кривой сохранить.
СКАЧАТЬ
|
| |
|
|
| engineerklub | Дата: Четверг, 19.02.2026, 16:23 | Сообщение # 19 |
 Генералиссимус
Группа: Администраторы
Сообщений: 38961
Статус: Offline
| Стойка. Вариант 1 ЧЕРТЕЖ
 Графическая работа 3 часть 1
Вычертить по заданным размерам контуры стойки. Линии построения уклона и конусности сохранить.
Стойка. Вариант 1 СКАЧАТЬ
|
| |
|
|
| engineerklub | Дата: Четверг, 19.02.2026, 16:24 | Сообщение # 20 |
 Генералиссимус
Группа: Администраторы
Сообщений: 38961
Статус: Offline
| Корпус. Вариант 2 ЧЕРТЕЖ
 Графическая работа 3 часть 1
Вычертить по заданным размерам контуры корпуса.
Корпус. Вариант 2 СКАЧАТЬ
|
| |
|
|
| engineerklub | Дата: Четверг, 19.02.2026, 16:24 | Сообщение # 21 |
 Генералиссимус
Группа: Администраторы
Сообщений: 38961
Статус: Offline
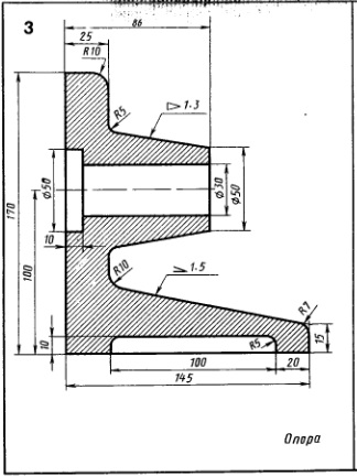
| Опора. Вариант 3 ЧЕРТЕЖ
 Графическая работа 3 часть 1
Вычертить по заданным размерам контуры опоры. Линии построения уклона и конусности сохранить.
Опора. Вариант 3 СКАЧАТЬ
|
| |
|
|
| engineerklub | Дата: Четверг, 19.02.2026, 16:25 | Сообщение # 22 |
 Генералиссимус
Группа: Администраторы
Сообщений: 38961
Статус: Offline
| Кронштейн. Вариант 4 ЧЕРТЕЖ
 Графическая работа 3 часть 1
Вычертить по заданным размерам контуры кронштейна. Линии построения уклона и конусности сохранить.
Кронштейн. Вариант 4 СКАЧАТЬ
|
| |
|
|
| engineerklub | Дата: Четверг, 19.02.2026, 16:25 | Сообщение # 23 |
 Генералиссимус
Группа: Администраторы
Сообщений: 38961
Статус: Offline
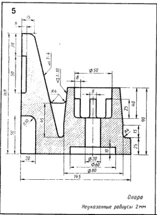
| Опора. Вариант 5 ЧЕРТЕЖ
 Графическая работа 3 часть 1
Вычертить по заданным размерам контуры опоры. Линии построения уклона и конусности сохранить.
Опора. Вариант 5 СКАЧАТЬ
|
| |
|
|
| engineerklub | Дата: Четверг, 19.02.2026, 16:26 | Сообщение # 24 |
 Генералиссимус
Группа: Администраторы
Сообщений: 38961
Статус: Offline
| Основание. Вариант 6 ЧЕРТЕЖ
 Графическая работа 3 часть 1
Вычертить по заданным размерам контуры основания. Линии построения уклона и конусности сохранить.
Основание. Вариант 6 СКАЧАТЬ
|
| |
|
|
| engineerklub | Дата: Четверг, 19.02.2026, 16:26 | Сообщение # 25 |
 Генералиссимус
Группа: Администраторы
Сообщений: 38961
Статус: Offline
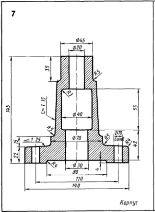
| Корпус. Вариант 7 ЧЕРТЕЖ
 Графическая работа 3 часть 1
Вычертить по заданным размерам контуры корпуса. Линии построения уклона и конусности сохранить.
Корпус. Вариант 7 СКАЧАТЬ
|
| |
|
|
| engineerklub | Дата: Четверг, 19.02.2026, 16:27 | Сообщение # 26 |
 Генералиссимус
Группа: Администраторы
Сообщений: 38961
Статус: Offline
| Поводок. Вариант 8 ЧЕРТЕЖ
 Графическая работа 3 часть 1
Вычертить по заданным размерам контуры поводка. Линии построения уклона и конусности сохранить.
Поводок. Вариант 8 СКАЧАТЬ
|
| |
|
|
| engineerklub | Дата: Четверг, 19.02.2026, 16:28 | Сообщение # 27 |
 Генералиссимус
Группа: Администраторы
Сообщений: 38961
Статус: Offline
| Опора. Вариант 9 ЧЕРТЕЖ
 Графическая работа 3 часть 1
Вычертить по заданным размерам контуры опоры. Линии построения уклона и конусности сохранить.
Опора. Вариант 9 СКАЧАТЬ
|
| |
|
|
| engineerklub | Дата: Четверг, 19.02.2026, 16:28 | Сообщение # 28 |
 Генералиссимус
Группа: Администраторы
Сообщений: 38961
Статус: Offline
| Подставка. Вариант 10 ЧЕРТЕЖ
 Графическая работа 3 часть 1
Вычертить по заданным размерам контуры подставки. Линии построения уклона и конусности сохранить.
Подставка. Вариант 10 СКАЧАТЬ
|
| |
|
|
| engineerklub | Дата: Четверг, 19.02.2026, 16:29 | Сообщение # 29 |
 Генералиссимус
Группа: Администраторы
Сообщений: 38961
Статус: Offline
| Штатив. Вариант 11 ЧЕРТЕЖ
 Графическая работа 3 часть 1
Вычертить по заданным размерам контуры штатива. Линии построения уклона и конусности сохранить.
Штатив. Вариант 11 СКАЧАТЬ
|
| |
|
|
| engineerklub | Дата: Четверг, 19.02.2026, 16:29 | Сообщение # 30 |
 Генералиссимус
Группа: Администраторы
Сообщений: 38961
Статус: Offline
| Кронштейн. Вариант 12 ЧЕРТЕЖ
 Графическая работа 3 часть 1
Вычертить по заданным размерам контуры кронштейна. Линии построения уклона и конусности сохранить.
Кронштейн. Вариант 12 СКАЧАТЬ
|
| |
|
|