|
Сопряжения СКАЧАТЬ
|
|
| engineerklub | Дата: Пятница, 13.03.2026, 17:19 | Сообщение # 31 |
 Генералиссимус
Группа: Администраторы
Сообщений: 39110
Статус: Offline
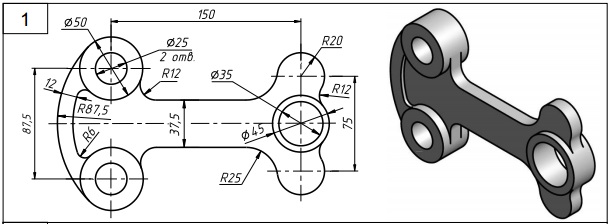
| Сопряжения Вариант 1 ЧЕРТЕЖ
 Графическая работа. Сопряжения
Выполните в соответствии с указанным вариантом чертеж плоской детали. Каждая деталь выполнена таким образом, что поверхности, образующие ее форму, плавно переходят одна в другую, что и следует отразить на чертеже. Нанесите необходимые размеры.
Сопряжения Вариант 1 СКАЧАТЬ
|
| |
|
|
| engineerklub | Дата: Пятница, 13.03.2026, 17:19 | Сообщение # 32 |
 Генералиссимус
Группа: Администраторы
Сообщений: 39110
Статус: Offline
| Сопряжения Вариант 2 ЧЕРТЕЖ
 Графическая работа. Сопряжения
Выполните в соответствии с указанным вариантом чертеж плоской детали. Каждая деталь выполнена таким образом, что поверхности, образующие ее форму, плавно переходят одна в другую, что и следует отразить на чертеже. Нанесите необходимые размеры.
Сопряжения Вариант 2 СКАЧАТЬ
|
| |
|
|
| engineerklub | Дата: Суббота, 14.03.2026, 06:16 | Сообщение # 33 |
 Генералиссимус
Группа: Администраторы
Сообщений: 39110
Статус: Offline
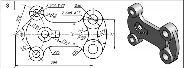
| Сопряжения Вариант 3 ЧЕРТЕЖ
 Графическая работа. Сопряжения
Выполните в соответствии с указанным вариантом чертеж плоской детали. Каждая деталь выполнена таким образом, что поверхности, образующие ее форму, плавно переходят одна в другую, что и следует отразить на чертеже. Нанесите необходимые размеры.
Сопряжения Вариант 3 СКАЧАТЬ
|
| |
|
|
| engineerklub | Дата: Суббота, 14.03.2026, 06:17 | Сообщение # 34 |
 Генералиссимус
Группа: Администраторы
Сообщений: 39110
Статус: Offline
| Сопряжения Вариант 4 ЧЕРТЕЖ
 Графическая работа. Сопряжения
Выполните в соответствии с указанным вариантом чертеж плоской детали. Каждая деталь выполнена таким образом, что поверхности, образующие ее форму, плавно переходят одна в другую, что и следует отразить на чертеже. Нанесите необходимые размеры.
Сопряжения Вариант 4 СКАЧАТЬ
|
| |
|
|
| engineerklub | Дата: Суббота, 14.03.2026, 06:17 | Сообщение # 35 |
 Генералиссимус
Группа: Администраторы
Сообщений: 39110
Статус: Offline
| Сопряжения Вариант 5 ЧЕРТЕЖ
 Графическая работа. Сопряжения
Выполните в соответствии с указанным вариантом чертеж плоской детали. Каждая деталь выполнена таким образом, что поверхности, образующие ее форму, плавно переходят одна в другую, что и следует отразить на чертеже. Нанесите необходимые размеры.
Сопряжения Вариант 5 СКАЧАТЬ
|
| |
|
|
| engineerklub | Дата: Суббота, 14.03.2026, 06:17 | Сообщение # 36 |
 Генералиссимус
Группа: Администраторы
Сообщений: 39110
Статус: Offline
| Сопряжения Вариант 6 ЧЕРТЕЖ
 Графическая работа. Сопряжения
Выполните в соответствии с указанным вариантом чертеж плоской детали. Каждая деталь выполнена таким образом, что поверхности, образующие ее форму, плавно переходят одна в другую, что и следует отразить на чертеже. Нанесите необходимые размеры.
Сопряжения Вариант 6 СКАЧАТЬ
|
| |
|
|
| engineerklub | Дата: Суббота, 14.03.2026, 06:18 | Сообщение # 37 |
 Генералиссимус
Группа: Администраторы
Сообщений: 39110
Статус: Offline
| Сопряжения Вариант 7 ЧЕРТЕЖ
 Графическая работа. Сопряжения
Выполните в соответствии с указанным вариантом чертеж плоской детали. Каждая деталь выполнена таким образом, что поверхности, образующие ее форму, плавно переходят одна в другую, что и следует отразить на чертеже. Нанесите необходимые размеры.
Сопряжения Вариант 7 СКАЧАТЬ
|
| |
|
|
| engineerklub | Дата: Суббота, 14.03.2026, 06:18 | Сообщение # 38 |
 Генералиссимус
Группа: Администраторы
Сообщений: 39110
Статус: Offline
| Сопряжения Вариант 8 ЧЕРТЕЖ
 Графическая работа. Сопряжения
Выполните в соответствии с указанным вариантом чертеж плоской детали. Каждая деталь выполнена таким образом, что поверхности, образующие ее форму, плавно переходят одна в другую, что и следует отразить на чертеже. Нанесите необходимые размеры.
Сопряжения Вариант 8 СКАЧАТЬ
|
| |
|
|
| engineerklub | Дата: Суббота, 14.03.2026, 06:19 | Сообщение # 39 |
 Генералиссимус
Группа: Администраторы
Сообщений: 39110
Статус: Offline
| Сопряжения Вариант 9 ЧЕРТЕЖ
 Графическая работа. Сопряжения
Выполните в соответствии с указанным вариантом чертеж плоской детали. Каждая деталь выполнена таким образом, что поверхности, образующие ее форму, плавно переходят одна в другую, что и следует отразить на чертеже. Нанесите необходимые размеры.
Сопряжения Вариант 9 СКАЧАТЬ
|
| |
|
|
| engineerklub | Дата: Суббота, 14.03.2026, 06:19 | Сообщение # 40 |
 Генералиссимус
Группа: Администраторы
Сообщений: 39110
Статус: Offline
| Сопряжения Вариант 10 ЧЕРТЕЖ
 Графическая работа. Сопряжения
Выполните в соответствии с указанным вариантом чертеж плоской детали. Каждая деталь выполнена таким образом, что поверхности, образующие ее форму, плавно переходят одна в другую, что и следует отразить на чертеже. Нанесите необходимые размеры.
Сопряжения Вариант 10 СКАЧАТЬ
|
| |
|
|
| engineerklub | Дата: Суббота, 14.03.2026, 06:19 | Сообщение # 41 |
 Генералиссимус
Группа: Администраторы
Сообщений: 39110
Статус: Offline
| Сопряжения Вариант 11 ЧЕРТЕЖ
 Графическая работа. Сопряжения
Выполните в соответствии с указанным вариантом чертеж плоской детали. Каждая деталь выполнена таким образом, что поверхности, образующие ее форму, плавно переходят одна в другую, что и следует отразить на чертеже. Нанесите необходимые размеры.
Сопряжения Вариант 11 СКАЧАТЬ
|
| |
|
|
| engineerklub | Дата: Суббота, 14.03.2026, 06:20 | Сообщение # 42 |
 Генералиссимус
Группа: Администраторы
Сообщений: 39110
Статус: Offline
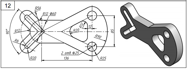
| Сопряжения Вариант 12 ЧЕРТЕЖ
 Графическая работа. Сопряжения
Выполните в соответствии с указанным вариантом чертеж плоской детали. Каждая деталь выполнена таким образом, что поверхности, образующие ее форму, плавно переходят одна в другую, что и следует отразить на чертеже. Нанесите необходимые размеры.
Сопряжения Вариант 12 СКАЧАТЬ
|
| |
|
|
| engineerklub | Дата: Суббота, 14.03.2026, 06:20 | Сообщение # 43 |
 Генералиссимус
Группа: Администраторы
Сообщений: 39110
Статус: Offline
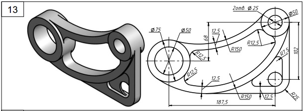
| Сопряжения Вариант 13 ЧЕРТЕЖ
 Графическая работа. Сопряжения
Выполните в соответствии с указанным вариантом чертеж плоской детали. Каждая деталь выполнена таким образом, что поверхности, образующие ее форму, плавно переходят одна в другую, что и следует отразить на чертеже. Нанесите необходимые размеры.
Сопряжения Вариант 13 СКАЧАТЬ
|
| |
|
|
| engineerklub | Дата: Суббота, 14.03.2026, 06:20 | Сообщение # 44 |
 Генералиссимус
Группа: Администраторы
Сообщений: 39110
Статус: Offline
| Сопряжения Вариант 14 ЧЕРТЕЖ
 Графическая работа. Сопряжения
Выполните в соответствии с указанным вариантом чертеж плоской детали. Каждая деталь выполнена таким образом, что поверхности, образующие ее форму, плавно переходят одна в другую, что и следует отразить на чертеже. Нанесите необходимые размеры.
Сопряжения Вариант 14 СКАЧАТЬ
|
| |
|
|
| engineerklub | Дата: Суббота, 14.03.2026, 06:20 | Сообщение # 45 |
 Генералиссимус
Группа: Администраторы
Сообщений: 39110
Статус: Offline
| Сопряжения Вариант 15 ЧЕРТЕЖ
 Графическая работа. Сопряжения
Выполните в соответствии с указанным вариантом чертеж плоской детали. Каждая деталь выполнена таким образом, что поверхности, образующие ее форму, плавно переходят одна в другую, что и следует отразить на чертеже. Нанесите необходимые размеры.
Сопряжения Вариант 15 СКАЧАТЬ
|
| |
|
|