|
Вариант 1. ПМИГ.ХХХХХХ.001 Гидроцилиндр
|
|
| engineerklub | Дата: Среда, 21.02.2018, 06:58 | Сообщение # 1 |
 Генералиссимус
Группа: Администраторы
Сообщений: 38961
Статус: Offline
| Задания варианта 1 Задание вариант 1 ПМИГ.ХХХХХХ.001 СБ Гидроцилиндр Большаков Владимир - Создание трехмерных моделей и конструкторской документации в системе КОМПАС-3D - Практикум - 2010


 вариант 1 Гидроцилиндр деталировка вариант 1 Гидроцилиндр чертежи вариант 1 Гидроцилиндр сборочный чертеж 1.16.1 Гидроцилиндр Большаков Владимир - Создание трехмерных моделей и конструкторской документации в системе КОМПАС-3D Практикум 2010. 1.1 Гидроцилиндр В.П Большаков, А.В. Чагина Выполнение в компас 3D конструкторской документации изделий с резьбовыми соединениями учебное пособие 2011
Задание по созданию чертежей деталей и сборок
1.Завершить оформление сборочного чертежа и спецификации. 2.Выполнить трехмерные модели и ассоциативные чертежи цилиндра 1 и крышки 3. В каждом ассоциативном чертеже расположить аксонометрию с вырезом одной четверти детали. 3.Выполнить по ГОСТ 2.317-69 аксонометрическое изображение с вырезом одной четверти шпилечного соединения деталей 1 и 3.
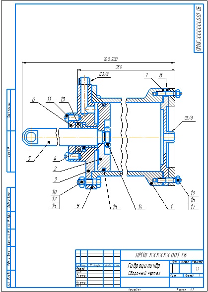
Описание гидроцилиндра
Гидроцилиндр является агрегатом гидросистемы и предназначается для сообщения возвратно-поступательногодвижения рабочему органу изделия, соединенному со штоком гидроцилиндра.
Гидроцилиндр состоит из цилиндра 1, к которому с одной стороны крепится при помощи болтов 10, шайб и гаек крышка 3. С другой стороны на корпусе установлена при помощи шпилек 17, шайб и гаек крышка 8. В цилиндре установлен поршень 2, в проточке которого расположено резиновое кольцо.
Поршень крепится на штоке 5 при помощи гайки 14. На крышку 3 устанавливается при помощи винтов 11 втулка 6, поджимающая манжету 19. Шток расположен во втулке 4. На резьбовую бобышку крышки 3 устанавливается угольник (на чертеже не показан).
Поступательное движение поршня 2 вправо относительно корпуса цилиндра 1 происходит при подаче жидкости под давлением из системы через угольник и штуцер крышки 3. Жидкость подается в полость между поршнем 2 и крышкой 3 и перемещает его вправо. Для сообщения движения штоку 5 влево жидкость под давлением подается по системе к правому штуцеру крышки 8 и, заполняя полость между поршнем 2 и крышкой 8, перемещает поршень влево.
Уплотнение штока 5 осуществляется манжетой 19, поджимаемой втулкой 6. Во избежание просачивания жидкости из одной полости цилиндра в другую на поршне 2 установлено резиновое кольцо 18. Уплотнение крышек 3 и 8 с цилиндром 1 осуществляется прокладками 7 и 9.
ПМИГ.ХХХХХХ.001 СБ Гидроцилиндр ПМИГ.ХХХХХХ.001 СП Гидроцилиндр ПМИГ.ХХХХ01.001 Цилиндр ПМИГ.ХХХХ02.001 Поршень ПМИГ.ХХХХ03.001 Крышка ПМИГ.ХХХХ03.001 Крышка аксонометрия ПМИГ.ХХХХ04.001 Втулка ПМИГ.ХХХХ05.001 Шток ПМИГ.ХХХХ06.001 Втулка ПМИГ.ХХХХ07.001 Прокладка ПМИГ.ХХХХ08.001 Крышка ПМИГ.ХХХХ09.001 Прокладка
Выполнены в компасе 3D V13 чертежи+3Д модели
СКАЧАТЬ МОЖНО ЗДЕСЬ
|
| |
|
|
| engineerklub | Дата: Вторник, 18.09.2018, 10:58 | Сообщение # 2 |
 Генералиссимус
Группа: Администраторы
Сообщений: 38961
Статус: Offline
| КИКГ.ХХХХХХ.001 СБ Гидроцилиндр КИКГ.ХХХХХХ.001 СП Гидроцилиндр КИКГ.ХХХХ01.001 Цилиндр КИКГ.ХХХХ02.001 Поршень КИКГ.ХХХХ03.001 Крышка КИКГ.ХХХХ03.001 Крышка аксонометрия КИКГ.ХХХХ04.001 Втулка КИКГ.ХХХХ05.001 Шток КИКГ.ХХХХ06.001 Втулка КИКГ.ХХХХ07.001 Прокладка КИКГ.ХХХХ08.001 Крышка КИКГ.ХХХХ09.001 Прокладка
СКАЧАТЬ ЧЕРТЕЖИ
|
| |
|
|
| engineerklub | Дата: Четверг, 27.10.2022, 09:02 | Сообщение # 3 |
 Генералиссимус
Группа: Администраторы
Сообщений: 38961
Статус: Offline
| Гидроцилиндр ПМИГ.ХХХХХХ.001 СКАЧАТЬ Гидроцилиндр ПМИГ.ХХХХХХ.001 сборочный чертеж Гидроцилиндр ПМИГ.ХХХХХХ.001 спецификация Гидроцилиндр ПМИГ.ХХХХХХ.001 3д модель Гидроцилиндр ПМИГ.ХХХХХХ.001 чертежи Цилиндр ПМИГ.ХХХХ01.001 Цилиндр аксонометрия ПМИГ.ХХХХ01.001 Поршень ПМИГ.ХХХХ02.001 Крышка ПМИГ.ХХХХ03.001 Крышка аксонометрия ПМИГ.ХХХХ03.001 Втулка ПМИГ.ХХХХ04.001 Шток ПМИГ.ХХХХ05.001 Втулка ПМИГ.ХХХХ06.001 Прокладка ПМИГ.ХХХХ07.001 Крышка ПМИГ.ХХХХ08.001 Прокладка ПМИГ.ХХХХ09.001
ГИДРОЦИЛИНР СКАЧАТЬ
|
| |
|
|
| engineerklub | Дата: Пятница, 23.01.2026, 13:19 | Сообщение # 4 |
 Генералиссимус
Группа: Администраторы
Сообщений: 38961
Статус: Offline
| Гидроцилиндр ПМИГ.ХХХХХХ.000 ЧЕРТЕЖ
 1.1 Завершить оформление сборочного чертежа и спецификации гидроцилиндра. 1.2 Выполнить ассоциатевные чертежи деталей 1 и 3, расположив в чертежах аксонометрию с вырезом через отверстия под крепежные детали. При назначении размеров учитывать требования ГОСТ 6636-69. 1.3 Выполнить модель болтового соединения деталей 1 и 3. 1.4 Выполнить аксонометрическое изображение болтового соединения деталей 1 и 3 (с вырезом через крепежные детали) и местный разрез этого соединения. На разрезе показать все справочные размеры болта. 1.5 выполнить ассоциативный чертеж болтового соединения деталей 1 и 3, и в полуавтоматическом режиме спецификацию этого соединения.
Гидроцилиндр ПМИГ.ХХХХХХ.000 сб Гидроцилиндр ПМИГ.ХХХХХХ.000 спецификация Гидроцилиндр ПМИГ.ХХХХХХ.000 3d модель Гидроцилиндр ПМИГ.ХХХХХХ.000 чертежи Цилиндр ПМИГ.ХХХХ01.001 Поршень ПМИГ.ХХХХ02.001 Гидроцилиндр болтовое соединение ПМИГ.ХХХХХХ.001 Гидроцилиндр болтовое соединение ПМИГ.ХХХХХХ.001 спецификация
Гидроцилиндр ПМИГ.ХХХХХХ.000 СКАЧАТЬ
|
| |
|
|