| engineerklub | Дата: Вторник, 17.03.2020, 07:07 | Сообщение # 1 |
 Генералиссимус
Группа: Администраторы
Сообщений: 38964
Статус: Offline
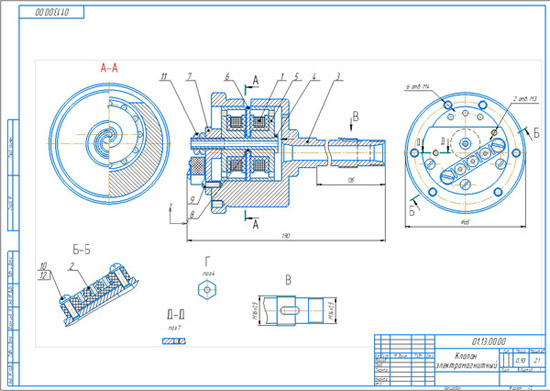
| 01.13.00.00 Клапан электромагнитный сборочный чертеж 01.13.00.00 Клапан электромагнитный спецификация 01.13.01.00 Катушка 01.13.02.00 Колодка 01.13.00.03 Корпус 01.13.00.04 Втулка 01.13.00.05 Сердечник 01.13.00.06 Якорь 01.13.00.07 Крышка

 Клапан предназначен для создания вакуума или избыточного давления в полости ведущего вала привода магнитный ленты в накопителе информации НМЛ-67 на магнитной ленте ЭВМ. Клапан находится внутри вращающегося полого ведущего вала. В корпусе 3 закреплены два электромагнита, между которыми находится якорь 6. При включении левого электомагнита якорь 6 перекрывает левый сердечник 5, открывая правый сердечник, через 12 отверстий которого и щель корпуса 3 из полости ведущего вала отсасывается воздух (создается вакуум). Если включен правый электромагнит, то якорь перекрывает правый сердечник 5 и давление подается через отверстия левого сердечника в полость ведущего вала. Два резьбовых отверстия М3 на панели служат для крепления съемника при демонтаже клапана. Колодка 2 выполнена из пластмассы, армирована резьбовыми втулками. Материал втулок - латунь марки Л63 ГОСТ 15527-70. Катушка 1 состоит из пластмассового каркаса и провода.
Катушки 1 напрессовывают на сердечники 5. Затем втулка 4 насаживают правый сердечник 5, втулку 8, якорь 6, левый сердечник, крышку 7 и закрепляют гайкой и контрогайкой 11. Собранные таким образом электромагниты устанавливают в корпусе 3 и фиксируют винтами 9. Контактную колодку 2 устанавливают на крышку 7 и крепят винтами 12.
Клапан электромагнитный чертеж общего вида Клапан электромагнитный деталировка Клапан электромагнитный деталирование Клапан электромагнитный скачать Клапан электромагнитный 3д модель Клапан электромагнитный чертежи
СКАЧАТЬ
|
| |
|
|