|
Плоский контур СКАЧАТЬ
|
|
| engineerklub | Дата: Среда, 19.11.2025, 13:36 | Сообщение # 16 |
 Генералиссимус
Группа: Администраторы
Сообщений: 39098
Статус: Offline
| Плоский контур. вариант 16 ЧЕРТЕЖ Плоский контур КГ01.016.000.000 ЧЕРТЕЖ
 На формате А2 выполнить чертеж согласно заданию. Проставить размеры.
Плоский контур. вариант 16 скачать
|
| |
|
|
| engineerklub | Дата: Четверг, 20.11.2025, 08:21 | Сообщение # 17 |
 Генералиссимус
Группа: Администраторы
Сообщений: 39098
Статус: Offline
| Плоский контур. вариант 17 ЧЕРТЕЖ Плоский контур КГ01.017.000.000 ЧЕРТЕЖ
 На формате А2 выполнить чертеж согласно заданию. Проставить размеры.
Чертеж выполнен на формате А2 + 3d модель (все на скриншотах показано и присутствует в архиве) выполнены в КОМПАС 3D.
Плоский контур КГ01.017.000.000 СКАЧАТЬ
|
| |
|
|
| engineerklub | Дата: Пятница, 21.11.2025, 16:45 | Сообщение # 18 |
 Генералиссимус
Группа: Администраторы
Сообщений: 39098
Статус: Offline
| Плоский контур. вариант 18 ЧЕРТЕЖ Плоский контур КГ01.018.000.000 ЧЕРТЕЖ
 На формате А2 выполнить чертеж согласно заданию. Проставить размеры.
Плоский контур КГ01.018.000.000 СКАЧАТЬ
|
| |
|
|
| engineerklub | Дата: Понедельник, 24.11.2025, 07:09 | Сообщение # 19 |
 Генералиссимус
Группа: Администраторы
Сообщений: 39098
Статус: Offline
| Плоский контур. вариант 19 ЧЕРТЕЖ Плоский контур КГ01.019.000.000 ЧЕРТЕЖ
 На формате А2 выполнить чертеж согласно заданию. Проставить размеры.
Плоский контур. вариант 19 СКАЧАТЬ
|
| |
|
|
| engineerklub | Дата: Понедельник, 24.11.2025, 07:11 | Сообщение # 20 |
 Генералиссимус
Группа: Администраторы
Сообщений: 39098
Статус: Offline
| Плоский контур. вариант 20 ЧЕРТЕЖ Плоский контур КГ01.020.000.000 ЧЕРТЕЖ
 На формате А2 выполнить чертеж согласно заданию. Проставить размеры.
Плоский контур КГ01.020.000.000 СКАЧАТЬ
|
| |
|
|
| engineerklub | Дата: Вторник, 25.11.2025, 09:23 | Сообщение # 21 |
 Генералиссимус
Группа: Администраторы
Сообщений: 39098
Статус: Offline
| Плоский контур. вариант 21 ЧЕРТЕЖ Плоский контур КГ01.021.000.000 ЧЕРТЕЖ
 На формате А2 выполнить чертеж согласно заданию. Проставить размеры.
Чертеж выполнен на формате А2 + 3d модель (все на скриншотах показано и присутствует в архиве) выполнены в КОМПАС 3D.
Плоский контур. вариант 21 СКАЧАТЬ
|
| |
|
|
| engineerklub | Дата: Четверг, 27.11.2025, 09:24 | Сообщение # 22 |
 Генералиссимус
Группа: Администраторы
Сообщений: 39098
Статус: Offline
| Плоский контур. вариант 22 ЧЕРТЕЖ Плоский контур КГ01.022.000.000 ЧЕРТЕЖ

Плоский контур. вариант 22 СКАЧАТЬ ЧЕРТЕЖ
|
| |
|
|
| engineerklub | Дата: Четверг, 27.11.2025, 09:27 | Сообщение # 23 |
 Генералиссимус
Группа: Администраторы
Сообщений: 39098
Статус: Offline
| Плоский контур. вариант 23 ЧЕРТЕЖ Плоский контур КГ01.023.000.002 ЧЕРТЕЖ

Плоский контур. вариант 23 СКАЧАТЬ ЧЕРТЕЖ
|
| |
|
|
| engineerklub | Дата: Пятница, 28.11.2025, 13:51 | Сообщение # 24 |
 Генералиссимус
Группа: Администраторы
Сообщений: 39098
Статус: Offline
| Плоский контур. вариант 24 ЧЕРТЕЖ Плоский контур КГ01.024.000.000 ЧЕРТЕЖ
 На формате А2 выполнить чертеж согласно заданию. Проставить размеры.
Плоский контур. вариант 24 СКАЧАТЬ
|
| |
|
|
| engineerklub | Дата: Понедельник, 01.12.2025, 13:07 | Сообщение # 25 |
 Генералиссимус
Группа: Администраторы
Сообщений: 39098
Статус: Offline
| Плоский контур. вариант 25 ЧЕРТЕЖ Плоский контур КГ01.025.000.000 ЧЕРТЕЖ
 На формате А2 выполнить чертеж согласно заданию. Проставить размеры.
Чертеж выполнен на формате А2 + 3d модель (все на скриншотах показано и присутствует в архиве) выполнены в КОМПАС 3D.
Плоский контур. вариант 25 СКАЧАТЬ
|
| |
|
|
| engineerklub | Дата: Вторник, 02.12.2025, 10:14 | Сообщение # 26 |
 Генералиссимус
Группа: Администраторы
Сообщений: 39098
Статус: Offline
| Плоский контур. вариант 26 ЧЕРТЕЖ Плоский контур КГ01.026.000.000 ЧЕРТЕЖ
 На формате А2 выполнить чертеж согласно заданию. Проставить размеры.
Плоский контур. вариант 26 СКАЧАТЬ
|
| |
|
|
| engineerklub | Дата: Среда, 03.12.2025, 11:35 | Сообщение # 27 |
 Генералиссимус
Группа: Администраторы
Сообщений: 39098
Статус: Offline
| Плоский контур. вариант 27 ЧЕРТЕЖ Плоский контур КГ01.027.000.000 ЧЕРТЕЖ
 На формате А2 выполнить чертеж согласно заданию. Проставить размеры.
Плоский контур. вариант 27 СКАЧАТЬ
|
| |
|
|
| engineerklub | Дата: Суббота, 06.12.2025, 10:50 | Сообщение # 28 |
 Генералиссимус
Группа: Администраторы
Сообщений: 39098
Статус: Offline
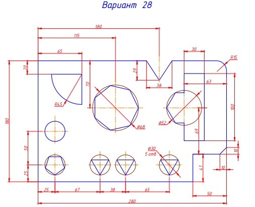
| Плоский контур. вариант 28 ЧЕРТЕЖ Плоский контур КГ01.028.000.000 ЧЕРТЕЖ
 На формате А2 выполнить чертеж согласно заданию. Проставить размеры.
Плоский контур. вариант 28 СКАЧАТЬ
|
| |
|
|
| engineerklub | Дата: Суббота, 06.12.2025, 10:51 | Сообщение # 29 |
 Генералиссимус
Группа: Администраторы
Сообщений: 39098
Статус: Offline
| Плоский контур. вариант 29 ЧЕРТЕЖ Плоский контур КГ01.029.000.000 ЧЕРТЕЖ
 На формате А2 выполнить чертеж согласно заданию. Проставить размеры.
Плоский контур. вариант 29 СКАЧАТЬ
|
| |
|
|
| engineerklub | Дата: Суббота, 06.12.2025, 10:52 | Сообщение # 30 |
 Генералиссимус
Группа: Администраторы
Сообщений: 39098
Статус: Offline
| Плоский контур. вариант 30 ЧЕРТЕЖ Плоский контур КГ01.030.000.000 ЧЕРТЕЖ
 На формате А2 выполнить чертеж согласно заданию. Проставить размеры.
Плоский контур. вариант 30 СКАЧАТЬ
|
| |
|
|