ВСЁ ДЛЯ СТУДЕНТА
Воскресенье, 31.05.2026, 21:07
Приветствую Вас,
Гость
Главная
Регистрация
Вход
RSS
[
Новые сообщения
·
Участники
·
Правила форума
·
Поиск
·
RSS
]
Страница
3
из
3
«
1
2
3
Форум
»
Инженерная графика
»
Задания по инженерной графике Разное
»
Плоский контур СКАЧАТЬ
(Варианты 1 по 30)
Плоский контур СКАЧАТЬ
engineerklub
Дата: Среда, 10.12.2025, 19:47 | Сообщение #
31
Генералиссимус
Группа: Администраторы
Сообщений:
39110
Репутация:
1
Статус:
Offline
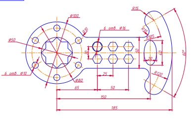
Плоский контур КГ01.010.000.01 ЧЕРТЕЖ
На формате А3 выполнить чертеж согласно заданию. Проставить размеры.
Плоский контур КГ01.010.000.01 СКАЧАТЬ
Форум
»
Инженерная графика
»
Задания по инженерной графике Разное
»
Плоский контур СКАЧАТЬ
(Варианты 1 по 30)
Страница
3
из
3
«
1
2
3
Главная страница форума
Машиностроение
Ремонт, техобслуживание машин и механизмов
Ре́жущий инструме́нт
Нефтяная и газовая промышленность
Детали машин и основы конструирования
Железнодорожный транспорт
Пищевая промышленность
Инженерная графика
Деталирование Боголюбов С К 1986
Деталирование Аксарин П.Е.
Индивидуальные задания по курсу черчения Боголюбов
Проекционное черчение Шмерман, Плюсина, Бабич
Сборник заданий по инженерной графике Миронов Б.Г., Миронова Р.С.
Контрольные задания по инженерной графике Сапельников А.А.
Практикум по дисциплине Инженерная графика Миронов Деталирование
Создание трехмерных моделей и конструкторской документации Большаков
Альбом заданий для выполнения сборочных чертежей Думкасова В.С, Решетов А.Л
Чтение и деталирование чертежей общего вида Л.Я Мефодьева, В.Н. Быкова
Альбом чертежей сборочных единиц для чтения и деталирования Осипов В.А., Козел В
Альбом сборочных чертежей для деталирования и чтения В.А. Леонова и О.П. Галанин
Альбом заданий для выполнения сборочных чертежей В.В. Рассохина
Деталирование Боголюбов С К 1978 года
Атлас чертежей общих видов для деталирования в 4-х частях. Ю. Б. Иванов
Часть I. Технологические приспособления
Часть II. Технологические приспособления
Часть III. Контрольно-измерительные приспособления и приводы
Часть IV. Механизмы автомобилей и тракторов
КОМПЬЮТЕРНАЯ ГРАФИКА И.Р. РОЙТМАН
Альбом приборостроения и электроаппаратуры
Альбом для деталирования электротехнических и радиоэлектронных устройств
Задания по деталированию Альбом чертежей
Сборочные чертежи и деталировки
Задания по инженерной графике Разное
Строительные машины и оборудование
Экскаваторы , Бульдозеры, Погрузчики, Трактора, Катки и другая техника
Программирование
Лабораторные, Курсовые и Экзаменационные работы
Менеджмент, Экономика, Финансы и Маркетинг
Контрольные, курсовые, зачетные и дипломные работы
Физика, Метрология, Математика, Информатика, Геометрия
Контрольные, лабораторные работы, задачи и др
Электрооборудование, Электротехника, Электрические сети и системы
Работы Зачетная, Лабораторная, Контрольная
Гуманитарные науки
Тесты, экзаменационные ответы, Контрольные работы, Практические занятия и т д
РАЗНОЕ
Тесты, Отчет по практике, Практические занятия, ЭССЕ, Бизнес-план,
Поиск:
<div> <img src="//top-fwz1.mail.ru/counter?id=2933666;js=na" style="border:0;position:absolute;left:-9999px;" alt="" /> </div>