|
Ломанный разрез. ГРАФИЧЕСКАЯ РАБОТА № 7
|
|
| engineerklub | Дата: Пятница, 07.11.2025, 13:37 | Сообщение # 1 |
 Генералиссимус
Группа: Администраторы
Сообщений: 39110
Статус: Offline
| Ломанный разрез. Вариант 1 ЧЕРТЕЖ
 ГРАФИЧЕСКАЯ РАБОТА № 7
ВЫПОЛНЕНИЕ ЛОМАННОГО РАЗРЕЗА
Цель работы: 1) изучить основные правила и приемы выполнения ломанного разреза; 2) сформировать навыки проецирования, нанесения размеров и чтения чертежей.
Ломанный разрез. Вариант 1 СКАЧАТЬ
|
| |
|
|
| engineerklub | Дата: Воскресенье, 09.11.2025, 09:24 | Сообщение # 2 |
 Генералиссимус
Группа: Администраторы
Сообщений: 39110
Статус: Offline
| Ломанный разрез. Вариант 2 ЧЕРТЕЖ
 ГРАФИЧЕСКАЯ РАБОТА № 7
ВЫПОЛНЕНИЕ ЛОМАННОГО РАЗРЕЗА
Цель работы: 1) изучить основные правила и приемы выполнения ломанного разреза; 2) сформировать навыки проецирования, нанесения размеров и чтения чертежей.
Ломанный разрез. Вариант 2 СКАЧАТЬ
|
| |
|
|
| engineerklub | Дата: Понедельник, 10.11.2025, 08:56 | Сообщение # 3 |
 Генералиссимус
Группа: Администраторы
Сообщений: 39110
Статус: Offline
| Ломанный разрез. Вариант 3 ЧЕРТЕЖ
 ГРАФИЧЕСКАЯ РАБОТА № 7
ВЫПОЛНЕНИЕ ЛОМАННОГО РАЗРЕЗА
Цель работы: 1) изучить основные правила и приемы выполнения ломанного разреза; 2) сформировать навыки проецирования, нанесения размеров и чтения чертежей.
Ломанный разрез. Вариант 3 СКАЧАТЬ
|
| |
|
|
| engineerklub | Дата: Понедельник, 10.11.2025, 08:58 | Сообщение # 4 |
 Генералиссимус
Группа: Администраторы
Сообщений: 39110
Статус: Offline
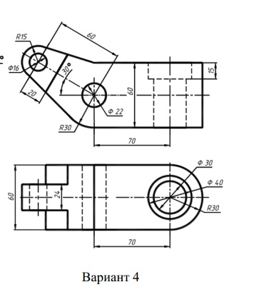
| Ломанный разрез. Вариант 4 ЧЕРТЕЖ
 ГРАФИЧЕСКАЯ РАБОТА № 7
ВЫПОЛНЕНИЕ ЛОМАННОГО РАЗРЕЗА
Цель работы: 1) изучить основные правила и приемы выполнения ломанного разреза; 2) сформировать навыки проецирования, нанесения размеров и чтения чертежей.
Чертеж выполнен на формате А3 + 3d модель (все на скриншотах показано и присутствует в архиве) выполнены в КОМПАС 3D.
Ломанный разрез. Вариант 4 СКАЧАТЬ
|
| |
|
|
| engineerklub | Дата: Вторник, 11.11.2025, 13:21 | Сообщение # 5 |
 Генералиссимус
Группа: Администраторы
Сообщений: 39110
Статус: Offline
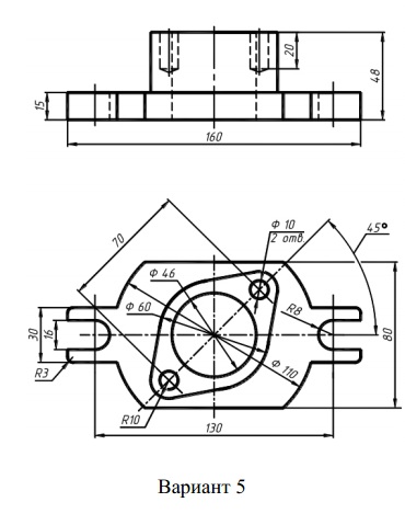
| Ломанный разрез. Вариант 5 ЧЕРТЕЖ
 ГРАФИЧЕСКАЯ РАБОТА № 7
ВЫПОЛНЕНИЕ ЛОМАННОГО РАЗРЕЗА
Цель работы: 1) изучить основные правила и приемы выполнения ломанного разреза; 2) сформировать навыки проецирования, нанесения размеров и чтения чертежей.
Ломанный разрез. Вариант 5 СКАЧАТЬ
|
| |
|
|
| engineerklub | Дата: Вторник, 11.11.2025, 13:46 | Сообщение # 6 |
 Генералиссимус
Группа: Администраторы
Сообщений: 39110
Статус: Offline
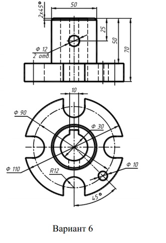
| Ломанный разрез. Вариант 6 ЧЕРТЕЖ
 ГРАФИЧЕСКАЯ РАБОТА № 7
ВЫПОЛНЕНИЕ ЛОМАННОГО РАЗРЕЗА
Цель работы: 1) изучить основные правила и приемы выполнения ломанного разреза; 2) сформировать навыки проецирования, нанесения размеров и чтения чертежей.
Ломанный разрез. Вариант 6 СКАЧАТЬ
|
| |
|
|
| engineerklub | Дата: Четверг, 13.11.2025, 11:13 | Сообщение # 7 |
 Генералиссимус
Группа: Администраторы
Сообщений: 39110
Статус: Offline
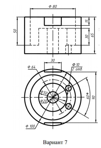
| Ломанный разрез. Вариант 7 ЧЕРТЕЖ
 ГРАФИЧЕСКАЯ РАБОТА № 7
ВЫПОЛНЕНИЕ ЛОМАННОГО РАЗРЕЗА
Цель работы: 1) изучить основные правила и приемы выполнения ломанного разреза; 2) сформировать навыки проецирования, нанесения размеров и чтения чертежей.
Ломанный разрез. Вариант 7 СКАЧАТЬ
|
| |
|
|
| engineerklub | Дата: Четверг, 13.11.2025, 11:14 | Сообщение # 8 |
 Генералиссимус
Группа: Администраторы
Сообщений: 39110
Статус: Offline
| Ломанный разрез. Вариант 8 ЧЕРТЕЖ
 ГРАФИЧЕСКАЯ РАБОТА № 7
ВЫПОЛНЕНИЕ ЛОМАННОГО РАЗРЕЗА
Цель работы: 1) изучить основные правила и приемы выполнения ломанного разреза; 2) сформировать навыки проецирования, нанесения размеров и чтения чертежей.
Ломанный разрез. Вариант 8 СКАЧАТЬ
|
| |
|
|
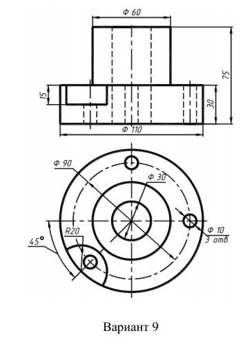
| engineerklub | Дата: Четверг, 20.11.2025, 08:17 | Сообщение # 9 |
 Генералиссимус
Группа: Администраторы
Сообщений: 39110
Статус: Offline
| Ломанный разрез. Вариант 9 ЧЕРТЕЖ
 ГРАФИЧЕСКАЯ РАБОТА № 7
ВЫПОЛНЕНИЕ ЛОМАННОГО РАЗРЕЗА
Цель работы: 1) изучить основные правила и приемы выполнения ломанного разреза; 2) сформировать навыки проецирования, нанесения размеров и чтения чертежей.
Ломанный разрез. Вариант 9 скачать ЧЕРТЕЖ
|
| |
|
|
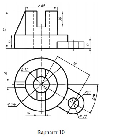
| engineerklub | Дата: Четверг, 20.11.2025, 08:19 | Сообщение # 10 |
 Генералиссимус
Группа: Администраторы
Сообщений: 39110
Статус: Offline
| Ломанный разрез. Вариант 10 ЧЕРТЕЖ
 ГРАФИЧЕСКАЯ РАБОТА № 7
ВЫПОЛНЕНИЕ ЛОМАННОГО РАЗРЕЗА
Цель работы: 1) изучить основные правила и приемы выполнения ломанного разреза; 2) сформировать навыки проецирования, нанесения размеров и чтения чертежей.
Ломанный разрез. Вариант 10 СКАЧАТЬ ЧЕРТЕЖ
|
| |
|
|
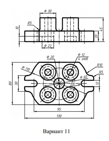
| engineerklub | Дата: Пятница, 21.11.2025, 16:41 | Сообщение # 11 |
 Генералиссимус
Группа: Администраторы
Сообщений: 39110
Статус: Offline
| Ломанный разрез. Вариант 11 ЧЕРТЕЖ
 ГРАФИЧЕСКАЯ РАБОТА № 7
ВЫПОЛНЕНИЕ ЛОМАННОГО РАЗРЕЗА
Цель работы: 1) изучить основные правила и приемы выполнения ломанного разреза; 2) сформировать навыки проецирования, нанесения размеров и чтения чертежей.
Ломанный разрез. Вариант 11 СКАЧАТЬ
|
| |
|
|
| engineerklub | Дата: Понедельник, 24.11.2025, 07:05 | Сообщение # 12 |
 Генералиссимус
Группа: Администраторы
Сообщений: 39110
Статус: Offline
| Ломанный разрез. Вариант 12 ЧЕРТЕЖ
 ГРАФИЧЕСКАЯ РАБОТА № 7
ВЫПОЛНЕНИЕ ЛОМАННОГО РАЗРЕЗА
Цель работы: 1) изучить основные правила и приемы выполнения ломанного разреза; 2) сформировать навыки проецирования, нанесения размеров и чтения чертежей.
Ломанный разрез. Вариант 12 СКАЧАТЬ
|
| |
|
|
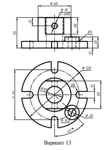
| engineerklub | Дата: Среда, 26.11.2025, 12:03 | Сообщение # 13 |
 Генералиссимус
Группа: Администраторы
Сообщений: 39110
Статус: Offline
| Ломанный разрез. Вариант 13 ЧЕРТЕЖ
 ГРАФИЧЕСКАЯ РАБОТА № 7
ВЫПОЛНЕНИЕ ЛОМАННОГО РАЗРЕЗА
Цель работы: 1) изучить основные правила и приемы выполнения ломанного разреза; 2) сформировать навыки проецирования, нанесения размеров и чтения чертежей.
Ломанный разрез. Вариант 13 СКАЧАТЬ
|
| |
|
|
| engineerklub | Дата: Пятница, 28.11.2025, 14:18 | Сообщение # 14 |
 Генералиссимус
Группа: Администраторы
Сообщений: 39110
Статус: Offline
| Ломанный разрез. Вариант 14 ЧЕРТЕЖ
 ГРАФИЧЕСКАЯ РАБОТА № 7
ВЫПОЛНЕНИЕ ЛОМАННОГО РАЗРЕЗА
Ломанный разрез. Вариант 14 СКАЧАТЬ
|
| |
|
|
| engineerklub | Дата: Суббота, 06.12.2025, 11:00 | Сообщение # 15 |
 Генералиссимус
Группа: Администраторы
Сообщений: 39110
Статус: Offline
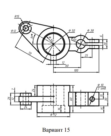
| Ломанный разрез. Вариант 15 ЧЕРТЕЖ
 ГРАФИЧЕСКАЯ РАБОТА № 7
ВЫПОЛНЕНИЕ ЛОМАННОГО РАЗРЕЗА
Цель работы: 1) изучить основные правила и приемы выполнения ломанного разреза; 2) сформировать навыки проецирования, нанесения размеров и чтения чертежей.
Ломанный разрез. Вариант 15 СКАЧАТЬ
|
| |
|
|