|
Простой разрез. ГРАФИЧЕСКАЯ РАБОТА № 5
|
|
| engineerklub | Дата: Пятница, 12.12.2025, 12:13 | Сообщение # 16 |
 Генералиссимус
Группа: Администраторы
Сообщений: 39098
Статус: Offline
| Простой разрез. Вариант 16 ЧЕРТЕЖ
 ГРАФИЧЕСКАЯ РАБОТА № 5
ВЫПОЛНЕНИЕ ПРОСТОГО РАЗРЕЗА
Цель работы: 1) изучить основными правила и приемы выполнения простых разрезов; 2) сформировать навыки проецирования, нанесения размеров и чтения чертежей.
Простой разрез. Вариант 16 СКАЧАТЬ
|
| |
|
|
| engineerklub | Дата: Среда, 17.12.2025, 11:20 | Сообщение # 17 |
 Генералиссимус
Группа: Администраторы
Сообщений: 39098
Статус: Offline
| Простой разрез. Вариант 17 ЧЕРТЕЖ
 ГРАФИЧЕСКАЯ РАБОТА № 5
ВЫПОЛНЕНИЕ ПРОСТОГО РАЗРЕЗА
Цель работы: 1) изучить основными правила и приемы выполнения простых разрезов; 2) сформировать навыки проецирования, нанесения размеров и чтения чертежей.
Простой разрез. Вариант 17 СКАЧАТЬ
|
| |
|
|
| engineerklub | Дата: Среда, 17.12.2025, 11:21 | Сообщение # 18 |
 Генералиссимус
Группа: Администраторы
Сообщений: 39098
Статус: Offline
| Простой разрез. Вариант 18 ЧЕРТЕЖ
 ГРАФИЧЕСКАЯ РАБОТА № 5
ВЫПОЛНЕНИЕ ПРОСТОГО РАЗРЕЗА
Простой разрез. Вариант 18 СКАЧАТЬ
|
| |
|
|
| engineerklub | Дата: Четверг, 18.12.2025, 13:35 | Сообщение # 19 |
 Генералиссимус
Группа: Администраторы
Сообщений: 39098
Статус: Offline
| Простой разрез. Вариант 19 ЧЕРТЕЖ
 ГРАФИЧЕСКАЯ РАБОТА № 5
ВЫПОЛНЕНИЕ ПРОСТОГО РАЗРЕЗА
Цель работы: 1) изучить основными правила и приемы выполнения простых разрезов; 2) сформировать навыки проецирования, нанесения размеров и чтения чертежей.
Простой разрез. Вариант 19 СКАЧАТЬ
|
| |
|
|
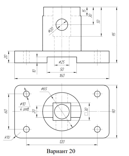
| engineerklub | Дата: Четверг, 18.12.2025, 13:36 | Сообщение # 20 |
 Генералиссимус
Группа: Администраторы
Сообщений: 39098
Статус: Offline
| Простой разрез. Вариант 20 ЧЕРТЕЖ
 ГРАФИЧЕСКАЯ РАБОТА № 5
ВЫПОЛНЕНИЕ ПРОСТОГО РАЗРЕЗА
Цель работы: 1) изучить основными правила и приемы выполнения простых разрезов; 2) сформировать навыки проецирования, нанесения размеров и чтения чертежей.
Простой разрез. Вариант 20 СКАЧАТЬ
|
| |
|
|
| engineerklub | Дата: Пятница, 19.12.2025, 10:32 | Сообщение # 21 |
 Генералиссимус
Группа: Администраторы
Сообщений: 39098
Статус: Offline
| Простой разрез. Вариант 21 ЧЕРТЕЖ
 ГРАФИЧЕСКАЯ РАБОТА № 5
ВЫПОЛНЕНИЕ ПРОСТОГО РАЗРЕЗА
Цель работы: 1) изучить основными правила и приемы выполнения простых разрезов; 2) сформировать навыки проецирования, нанесения размеров и чтения чертежей.
Простой разрез. Вариант 21 СКАЧАТЬ
|
| |
|
|
| engineerklub | Дата: Пятница, 19.12.2025, 10:33 | Сообщение # 22 |
 Генералиссимус
Группа: Администраторы
Сообщений: 39098
Статус: Offline
| Простой разрез. Вариант 22 ЧЕРТЕЖ
 ГРАФИЧЕСКАЯ РАБОТА № 5
ВЫПОЛНЕНИЕ ПРОСТОГО РАЗРЕЗА
Простой разрез. Вариант 22 СКАЧАТЬ
|
| |
|
|
| engineerklub | Дата: Суббота, 20.12.2025, 07:40 | Сообщение # 23 |
 Генералиссимус
Группа: Администраторы
Сообщений: 39098
Статус: Offline
| Простой разрез. Вариант 23 ЧЕРТЕЖ
 ГРАФИЧЕСКАЯ РАБОТА № 5
ВЫПОЛНЕНИЕ ПРОСТОГО РАЗРЕЗА
Простой разрез. Вариант 23 СКАЧАТЬ
|
| |
|
|
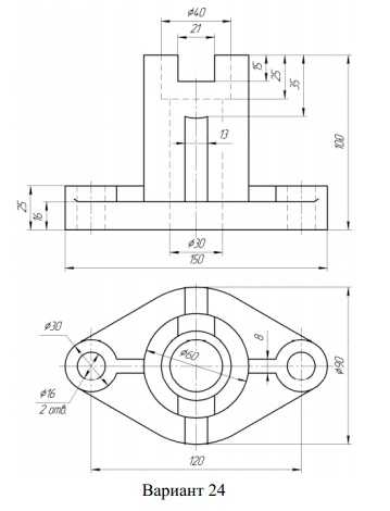
| engineerklub | Дата: Суббота, 20.12.2025, 07:41 | Сообщение # 24 |
 Генералиссимус
Группа: Администраторы
Сообщений: 39098
Статус: Offline
| Простой разрез. Вариант 24 ЧЕРТЕЖ
 ГРАФИЧЕСКАЯ РАБОТА № 5
ВЫПОЛНЕНИЕ ПРОСТОГО РАЗРЕЗА
Цель работы: 1) изучить основными правила и приемы выполнения простых разрезов; 2) сформировать навыки проецирования, нанесения размеров и чтения чертежей.
Простой разрез. Вариант 24 СКАЧАТЬ
|
| |
|
|
| engineerklub | Дата: Вторник, 23.12.2025, 05:43 | Сообщение # 25 |
 Генералиссимус
Группа: Администраторы
Сообщений: 39098
Статус: Offline
| Простой разрез. Вариант 25 ЧЕРТЕЖ
 ГРАФИЧЕСКАЯ РАБОТА № 5
ВЫПОЛНЕНИЕ ПРОСТОГО РАЗРЕЗА
Простой разрез. Вариант 25 СКАЧАТЬ
|
| |
|
|
| engineerklub | Дата: Вторник, 23.12.2025, 05:44 | Сообщение # 26 |
 Генералиссимус
Группа: Администраторы
Сообщений: 39098
Статус: Offline
| Простой разрез. Вариант 26 ЧЕРТЕЖ
 ГРАФИЧЕСКАЯ РАБОТА № 5
ВЫПОЛНЕНИЕ ПРОСТОГО РАЗРЕЗА
Цель работы: 1) изучить основными правила и приемы выполнения простых разрезов; 2) сформировать навыки проецирования, нанесения размеров и чтения чертежей.
Простой разрез. Вариант 26 СКАЧАТЬ
|
| |
|
|
| engineerklub | Дата: Вторник, 23.12.2025, 07:35 | Сообщение # 27 |
 Генералиссимус
Группа: Администраторы
Сообщений: 39098
Статус: Offline
| Простой разрез. Вариант 27 ЧЕРТЕЖ
 ГРАФИЧЕСКАЯ РАБОТА № 5
ВЫПОЛНЕНИЕ ПРОСТОГО РАЗРЕЗА
Цель работы: 1) изучить основными правила и приемы выполнения простых разрезов; 2) сформировать навыки проецирования, нанесения размеров и чтения чертежей.
Простой разрез. Вариант 27 СКАЧАТЬ
|
| |
|
|
| engineerklub | Дата: Вторник, 23.12.2025, 07:35 | Сообщение # 28 |
 Генералиссимус
Группа: Администраторы
Сообщений: 39098
Статус: Offline
| Простой разрез. Вариант 28 ЧЕРТЕЖ
 ГРАФИЧЕСКАЯ РАБОТА № 5
ВЫПОЛНЕНИЕ ПРОСТОГО РАЗРЕЗА
Простой разрез. Вариант 28 СКАЧАТЬ
|
| |
|
|
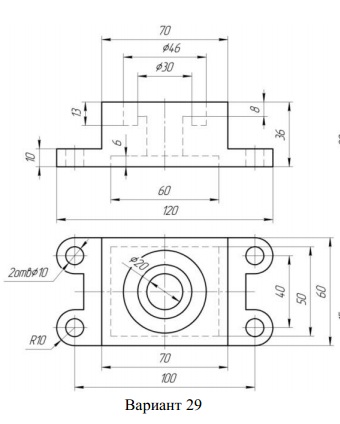
| engineerklub | Дата: Вторник, 23.12.2025, 07:36 | Сообщение # 29 |
 Генералиссимус
Группа: Администраторы
Сообщений: 39098
Статус: Offline
| Простой разрез. Вариант 29 ЧЕРТЕЖ
 ГРАФИЧЕСКАЯ РАБОТА № 5
ВЫПОЛНЕНИЕ ПРОСТОГО РАЗРЕЗА
Простой разрез. Вариант 29 СКАЧАТЬ
|
| |
|
|
| engineerklub | Дата: Вторник, 23.12.2025, 07:37 | Сообщение # 30 |
 Генералиссимус
Группа: Администраторы
Сообщений: 39098
Статус: Offline
| Простой разрез. Вариант 30 ЧЕРТЕЖ
 ГРАФИЧЕСКАЯ РАБОТА № 5
ВЫПОЛНЕНИЕ ПРОСТОГО РАЗРЕЗА
Простой разрез. Вариант 30 СКАЧАТЬ
|
| |
|
|