|
Простой разрез. ГРАФИЧЕСКАЯ РАБОТА № 5
|
|
| engineerklub | Дата: Пятница, 07.11.2025, 14:00 | Сообщение # 1 |
 Генералиссимус
Группа: Администраторы
Сообщений: 39098
Статус: Offline
| Простой разрез. Вариант 1 ЧЕРТЕЖ
 ГРАФИЧЕСКАЯ РАБОТА № 5
ВЫПОЛНЕНИЕ ПРОСТОГО РАЗРЕЗА
Цель работы: 1) изучить основными правила и приемы выполнения простых разрезов; 2) сформировать навыки проецирования, нанесения размеров и чтения чертежей.
Простой разрез. Вариант 1 СКАЧАТЬ
|
| |
|
|
| engineerklub | Дата: Воскресенье, 09.11.2025, 09:26 | Сообщение # 2 |
 Генералиссимус
Группа: Администраторы
Сообщений: 39098
Статус: Offline
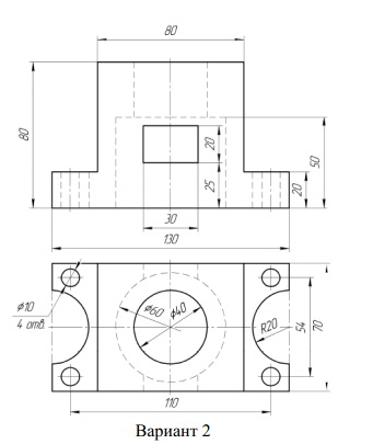
| Простой разрез. Вариант 2 ЧЕРТЕЖ
 ГРАФИЧЕСКАЯ РАБОТА № 5
ВЫПОЛНЕНИЕ ПРОСТОГО РАЗРЕЗА
Цель работы: 1) изучить основными правила и приемы выполнения простых разрезов; 2) сформировать навыки проецирования, нанесения размеров и чтения чертежей.
Простой разрез. Вариант 2 СКАЧАТЬ
|
| |
|
|
| engineerklub | Дата: Понедельник, 10.11.2025, 15:05 | Сообщение # 3 |
 Генералиссимус
Группа: Администраторы
Сообщений: 39098
Статус: Offline
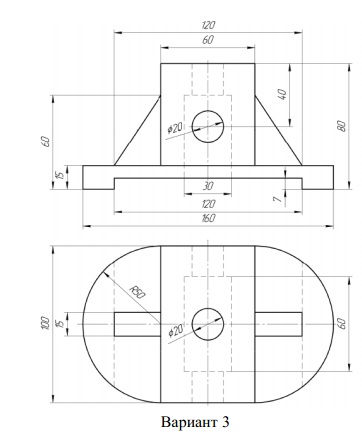
| Простой разрез. Вариант 3 ЧЕРТЕЖ
 ГРАФИЧЕСКАЯ РАБОТА № 5
ВЫПОЛНЕНИЕ ПРОСТОГО РАЗРЕЗА
Цель работы: 1) изучить основными правила и приемы выполнения простых разрезов; 2) сформировать навыки проецирования, нанесения размеров и чтения чертежей.
Простой разрез. Вариант 3 СКАЧАТЬ
|
| |
|
|
| engineerklub | Дата: Четверг, 13.11.2025, 14:17 | Сообщение # 4 |
 Генералиссимус
Группа: Администраторы
Сообщений: 39098
Статус: Offline
| Простой разрез. Вариант 4 ЧЕРТЕЖ
 ГРАФИЧЕСКАЯ РАБОТА № 5
ВЫПОЛНЕНИЕ ПРОСТОГО РАЗРЕЗА
Цель работы: 1) изучить основными правила и приемы выполнения простых разрезов; 2) сформировать навыки проецирования, нанесения размеров и чтения чертежей.
Простой разрез. Вариант 4 СКАЧАТЬ
|
| |
|
|
| engineerklub | Дата: Четверг, 13.11.2025, 14:21 | Сообщение # 5 |
 Генералиссимус
Группа: Администраторы
Сообщений: 39098
Статус: Offline
| Простой разрез. Вариант 5 ЧЕРТЕЖ
 ГРАФИЧЕСКАЯ РАБОТА № 5
ВЫПОЛНЕНИЕ ПРОСТОГО РАЗРЕЗА
Цель работы: 1) изучить основными правила и приемы выполнения простых разрезов; 2) сформировать навыки проецирования, нанесения размеров и чтения чертежей.
Простой разрез. Вариант 5 СКАЧАТЬ
|
| |
|
|
| engineerklub | Дата: Четверг, 13.11.2025, 14:22 | Сообщение # 6 |
 Генералиссимус
Группа: Администраторы
Сообщений: 39098
Статус: Offline
| Простой разрез. Вариант 6 ЧЕРТЕЖ
 ГРАФИЧЕСКАЯ РАБОТА № 5
ВЫПОЛНЕНИЕ ПРОСТОГО РАЗРЕЗА
Цель работы: 1) изучить основными правила и приемы выполнения простых разрезов; 2) сформировать навыки проецирования, нанесения размеров и чтения чертежей.
Простой разрез. Вариант 6 СКАЧАТЬ
|
| |
|
|
| engineerklub | Дата: Вторник, 18.11.2025, 12:55 | Сообщение # 7 |
 Генералиссимус
Группа: Администраторы
Сообщений: 39098
Статус: Offline
| Простой разрез. Вариант 7 ЧЕРТЕЖ
 ГРАФИЧЕСКАЯ РАБОТА № 5
ВЫПОЛНЕНИЕ ПРОСТОГО РАЗРЕЗА
Цель работы: 1) изучить основными правила и приемы выполнения простых разрезов; 2) сформировать навыки проецирования, нанесения размеров и чтения чертежей.
Простой разрез. Вариант 7 СКАЧАТЬ
|
| |
|
|
| engineerklub | Дата: Среда, 19.11.2025, 13:13 | Сообщение # 8 |
 Генералиссимус
Группа: Администраторы
Сообщений: 39098
Статус: Offline
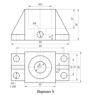
| Простой разрез. Вариант 8 ЧЕРТЕЖ
 ГРАФИЧЕСКАЯ РАБОТА № 5
ВЫПОЛНЕНИЕ ПРОСТОГО РАЗРЕЗА
Цель работы: 1) изучить основными правила и приемы выполнения простых разрезов; 2) сформировать навыки проецирования, нанесения размеров и чтения чертежей.
Простой разрез. Вариант 8 СКАЧАТЬ
|
| |
|
|
| engineerklub | Дата: Среда, 19.11.2025, 13:14 | Сообщение # 9 |
 Генералиссимус
Группа: Администраторы
Сообщений: 39098
Статус: Offline
| Простой разрез. Вариант 9 ЧЕРТЕЖ
 ГРАФИЧЕСКАЯ РАБОТА № 5
ВЫПОЛНЕНИЕ ПРОСТОГО РАЗРЕЗА
Цель работы: 1) изучить основными правила и приемы выполнения простых разрезов; 2) сформировать навыки проецирования, нанесения размеров и чтения чертежей.
Простой разрез. Вариант 9 СКАЧАТЬ
|
| |
|
|
| engineerklub | Дата: Вторник, 25.11.2025, 09:27 | Сообщение # 10 |
 Генералиссимус
Группа: Администраторы
Сообщений: 39098
Статус: Offline
| Простой разрез. Вариант 10 ЧЕРТЕЖ
 ГРАФИЧЕСКАЯ РАБОТА № 5
ВЫПОЛНЕНИЕ ПРОСТОГО РАЗРЕЗА
Цель работы: 1) изучить основными правила и приемы выполнения простых разрезов; 2) сформировать навыки проецирования, нанесения размеров и чтения чертежей.
Простой разрез. Вариант 10 СКАЧАТЬ
|
| |
|
|
| engineerklub | Дата: Вторник, 25.11.2025, 09:28 | Сообщение # 11 |
 Генералиссимус
Группа: Администраторы
Сообщений: 39098
Статус: Offline
| Простой разрез. Вариант 11 ЧЕРТЕЖ
 ГРАФИЧЕСКАЯ РАБОТА № 5
ВЫПОЛНЕНИЕ ПРОСТОГО РАЗРЕЗА
Цель работы: 1) изучить основными правила и приемы выполнения простых разрезов; 2) сформировать навыки проецирования, нанесения размеров и чтения чертежей.
Чертеж выполнен на формате А3 + 3d модель (все на скриншотах показано и присутствует в архиве) выполнены в КОМПАС 3D.
Простой разрез. Вариант 11 СКАЧАТЬ
|
| |
|
|
| engineerklub | Дата: Вторник, 02.12.2025, 10:43 | Сообщение # 12 |
 Генералиссимус
Группа: Администраторы
Сообщений: 39098
Статус: Offline
| Простой разрез. Вариант 12 ЧЕРТЕЖ
 ГРАФИЧЕСКАЯ РАБОТА № 5
ВЫПОЛНЕНИЕ ПРОСТОГО РАЗРЕЗА
Цель работы: 1) изучить основными правила и приемы выполнения простых разрезов; 2) сформировать навыки проецирования, нанесения размеров и чтения чертежей.
Простой разрез. Вариант 12 СКАЧАТЬ
|
| |
|
|
| engineerklub | Дата: Четверг, 11.12.2025, 15:09 | Сообщение # 13 |
 Генералиссимус
Группа: Администраторы
Сообщений: 39098
Статус: Offline
| Простой разрез. Вариант 13 ЧЕРТЕЖ
 ГРАФИЧЕСКАЯ РАБОТА № 5
ВЫПОЛНЕНИЕ ПРОСТОГО РАЗРЕЗА
Цель работы: 1) изучить основными правила и приемы выполнения простых разрезов; 2) сформировать навыки проецирования, нанесения размеров и чтения чертежей.
Простой разрез. Вариант 13 СКАЧАТЬ
|
| |
|
|
| engineerklub | Дата: Четверг, 11.12.2025, 15:10 | Сообщение # 14 |
 Генералиссимус
Группа: Администраторы
Сообщений: 39098
Статус: Offline
| Простой разрез. Вариант 14 ЧЕРТЕЖ
 ГРАФИЧЕСКАЯ РАБОТА № 5
ВЫПОЛНЕНИЕ ПРОСТОГО РАЗРЕЗА
Цель работы: 1) изучить основными правила и приемы выполнения простых разрезов; 2) сформировать навыки проецирования, нанесения размеров и чтения чертежей.
Простой разрез. Вариант 14 СКАЧАТЬ
|
| |
|
|
| engineerklub | Дата: Пятница, 12.12.2025, 12:12 | Сообщение # 15 |
 Генералиссимус
Группа: Администраторы
Сообщений: 39098
Статус: Offline
| Простой разрез. Вариант 15 ЧЕРТЕЖ
 ГРАФИЧЕСКАЯ РАБОТА № 5
ВЫПОЛНЕНИЕ ПРОСТОГО РАЗРЕЗА
Цель работы: 1) изучить основными правила и приемы выполнения простых разрезов; 2) сформировать навыки проецирования, нанесения размеров и чтения чертежей.
Простой разрез. Вариант 15 СКАЧАТЬ
|
| |
|
|