|
Многогранник с вырезом. Тема 1
|
|
| engineerklub | Дата: Четверг, 15.01.2026, 13:00 | Сообщение # 1 |
 Генералиссимус
Группа: Администраторы
Сообщений: 39110
Статус: Offline
| Многогранник с вырезом. Вариант 1 ЧЕРТЕЖ
 Тема 1. Многогранник с вырезом.
Цель работы:
1. Изучение и приобретение навыков построения третьего вида объекта по двум данным. 2. Изучение и приобретение навыков построения аксонометрических изометрических изображений. 3. Приобретение навыков, позволяющих по заданному изображению детали понимать ее форму (наружные и внутренние поверхности), взаимное расположение отдельных элементов изделия и положение его относительно плоскостей проекций. 4. приобретение навыков проставления размеров на чертежах. Содержание: По двум заданным видам построить недостающий третий вид проекцию. Выполнить аксонометрию многогранника с вырезом. Проставить размеры.
Многогранник с вырезом. Вариант 1 СКАЧАТЬ
|
| |
|
|
| engineerklub | Дата: Четверг, 15.01.2026, 13:01 | Сообщение # 2 |
 Генералиссимус
Группа: Администраторы
Сообщений: 39110
Статус: Offline
| Многогранник с вырезом. Вариант 2 ЧЕРТЕЖ
 Тема 1. Многогранник с вырезом.
Цель работы:
1. Изучение и приобретение навыков построения третьего вида объекта по двум данным.
Многогранник с вырезом. Вариант 2 СКАЧАТЬ
|
| |
|
|
| engineerklub | Дата: Четверг, 15.01.2026, 13:02 | Сообщение # 3 |
 Генералиссимус
Группа: Администраторы
Сообщений: 39110
Статус: Offline
| Многогранник с вырезом. Вариант 3 ЧЕРТЕЖ
 Тема 1. Многогранник с вырезом.
Цель работы:
1. Изучение и приобретение навыков построения третьего вида объекта по двум данным.
Многогранник с вырезом. Вариант 3 СКАЧАТЬ
|
| |
|
|
| engineerklub | Дата: Четверг, 15.01.2026, 13:02 | Сообщение # 4 |
 Генералиссимус
Группа: Администраторы
Сообщений: 39110
Статус: Offline
| Многогранник с вырезом. Вариант 4 ЧЕРТЕЖ
 Тема 1. Многогранник с вырезом.
Цель работы:
1. Изучение и приобретение навыков построения третьего вида объекта по двум данным.
Многогранник с вырезом. Вариант 4 СКАЧАТЬ
|
| |
|
|
| engineerklub | Дата: Четверг, 15.01.2026, 13:03 | Сообщение # 5 |
 Генералиссимус
Группа: Администраторы
Сообщений: 39110
Статус: Offline
| Многогранник с вырезом. Вариант 5 ЧЕРТЕЖ
 Тема 1. Многогранник с вырезом.
Цель работы:
1. Изучение и приобретение навыков построения третьего вида объекта по двум данным.
Многогранник с вырезом. Вариант 5 СКАЧАТЬ
|
| |
|
|
| engineerklub | Дата: Четверг, 15.01.2026, 13:30 | Сообщение # 6 |
 Генералиссимус
Группа: Администраторы
Сообщений: 39110
Статус: Offline
| Многогранник с вырезом. Вариант 6 ЧЕРТЕЖ
 Тема 1. Многогранник с вырезом.
Цель работы:
1. Изучение и приобретение навыков построения третьего вида объекта по двум данным.
Многогранник с вырезом. Вариант 6 СКАЧАТЬ
|
| |
|
|
| engineerklub | Дата: Четверг, 15.01.2026, 13:31 | Сообщение # 7 |
 Генералиссимус
Группа: Администраторы
Сообщений: 39110
Статус: Offline
| Многогранник с вырезом. Вариант 7 ЧЕРТЕЖ
 Тема 1. Многогранник с вырезом.
Цель работы:
1. Изучение и приобретение навыков построения третьего вида объекта по двум данным.
Многогранник с вырезом. Вариант 7 СКАЧАТЬ
|
| |
|
|
| engineerklub | Дата: Четверг, 15.01.2026, 13:31 | Сообщение # 8 |
 Генералиссимус
Группа: Администраторы
Сообщений: 39110
Статус: Offline
| Многогранник с вырезом. Вариант 8 ЧЕРТЕЖ
 Тема 1. Многогранник с вырезом.
Цель работы:
1. Изучение и приобретение навыков построения третьего вида объекта по двум данным.
Многогранник с вырезом. Вариант 8 СКАЧАТЬ
|
| |
|
|
| engineerklub | Дата: Четверг, 15.01.2026, 13:31 | Сообщение # 9 |
 Генералиссимус
Группа: Администраторы
Сообщений: 39110
Статус: Offline
| Многогранник с вырезом. Вариант 9 ЧЕРТЕЖ
 Тема 1. Многогранник с вырезом.
Цель работы:
1. Изучение и приобретение навыков построения третьего вида объекта по двум данным.
Многогранник с вырезом. Вариант 9 СКАЧАТЬ
|
| |
|
|
| engineerklub | Дата: Четверг, 15.01.2026, 13:31 | Сообщение # 10 |
 Генералиссимус
Группа: Администраторы
Сообщений: 39110
Статус: Offline
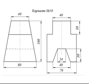
| Многогранник с вырезом. Вариант 10 ЧЕРТЕЖ
 Тема 1. Многогранник с вырезом.
Цель работы:
1. Изучение и приобретение навыков построения третьего вида объекта по двум данным.
Многогранник с вырезом. Вариант 10 СКАЧАТЬ
|
| |
|
|