|
Ступенчатый разрез. ГРАФИЧЕСКАЯ РАБОТА 6
|
|
| engineerklub | Дата: Четверг, 19.02.2026, 06:58 | Сообщение # 16 |
 Генералиссимус
Группа: Администраторы
Сообщений: 39098
Статус: Offline
| Ступенчатый разрез. Вариант 16 ЧЕРТЕЖ
 ГРАФИЧЕСКАЯ РАБОТА № 6
ВЫПОЛНЕНИЕ СТУПЕНЧАТОГО РАЗРЕЗА
Цель работы: 1) изучить основные правила и приемы выполнения ступенчатого разреза; 2) сформировать навыки проецирования, нанесения размеров и чтения чертежей.
Ступенчатый разрез. Вариант 16 СКАЧАТЬ
|
| |
|
|
| engineerklub | Дата: Пятница, 20.02.2026, 08:47 | Сообщение # 17 |
 Генералиссимус
Группа: Администраторы
Сообщений: 39098
Статус: Offline
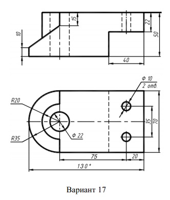
| Ступенчатый разрез. Вариант 17 ЧЕРТЕЖ
 ГРАФИЧЕСКАЯ РАБОТА № 6
ВЫПОЛНЕНИЕ СТУПЕНЧАТОГО РАЗРЕЗА
Цель работы: 1) изучить основные правила и приемы выполнения ступенчатого разреза; 2) сформировать навыки проецирования, нанесения размеров и чтения чертежей.
Ступенчатый разрез. Вариант 17 СКАЧАТЬ
|
| |
|
|
| engineerklub | Дата: Пятница, 20.02.2026, 08:47 | Сообщение # 18 |
 Генералиссимус
Группа: Администраторы
Сообщений: 39098
Статус: Offline
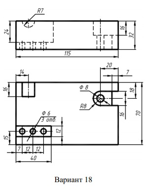
| Ступенчатый разрез. Вариант 18 ЧЕРТЕЖ
 ГРАФИЧЕСКАЯ РАБОТА № 6
ВЫПОЛНЕНИЕ СТУПЕНЧАТОГО РАЗРЕЗА
Цель работы: 1) изучить основные правила и приемы выполнения ступенчатого разреза; 2) сформировать навыки проецирования, нанесения размеров и чтения чертежей.
Ступенчатый разрез. Вариант 18 СКАЧАТЬ
|
| |
|
|
| engineerklub | Дата: Пятница, 20.02.2026, 08:47 | Сообщение # 19 |
 Генералиссимус
Группа: Администраторы
Сообщений: 39098
Статус: Offline
| Ступенчатый разрез. Вариант 19 ЧЕРТЕЖ
 ГРАФИЧЕСКАЯ РАБОТА № 6
ВЫПОЛНЕНИЕ СТУПЕНЧАТОГО РАЗРЕЗА
Цель работы: 1) изучить основные правила и приемы выполнения ступенчатого разреза; 2) сформировать навыки проецирования, нанесения размеров и чтения чертежей.
Ступенчатый разрез. Вариант 19 СКАЧАТЬ
|
| |
|
|
| engineerklub | Дата: Пятница, 20.02.2026, 08:48 | Сообщение # 20 |
 Генералиссимус
Группа: Администраторы
Сообщений: 39098
Статус: Offline
| Ступенчатый разрез. Вариант 20 ЧЕРТЕЖ
 ГРАФИЧЕСКАЯ РАБОТА № 6
ВЫПОЛНЕНИЕ СТУПЕНЧАТОГО РАЗРЕЗА
Цель работы: 1) изучить основные правила и приемы выполнения ступенчатого разреза; 2) сформировать навыки проецирования, нанесения размеров и чтения чертежей.
Ступенчатый разрез. Вариант 20 СКАЧАТЬ
|
| |
|
|
| engineerklub | Дата: Пятница, 20.02.2026, 08:48 | Сообщение # 21 |
 Генералиссимус
Группа: Администраторы
Сообщений: 39098
Статус: Offline
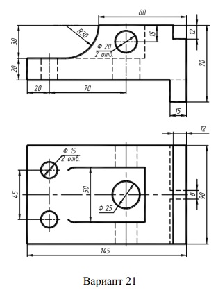
| Ступенчатый разрез. Вариант 21 ЧЕРТЕЖ
 ГРАФИЧЕСКАЯ РАБОТА № 6
ВЫПОЛНЕНИЕ СТУПЕНЧАТОГО РАЗРЕЗА
Цель работы: 1) изучить основные правила и приемы выполнения ступенчатого разреза; 2) сформировать навыки проецирования, нанесения размеров и чтения чертежей.
Ступенчатый разрез. Вариант 21 СКАЧАТЬ
|
| |
|
|
| engineerklub | Дата: Пятница, 20.02.2026, 08:48 | Сообщение # 22 |
 Генералиссимус
Группа: Администраторы
Сообщений: 39098
Статус: Offline
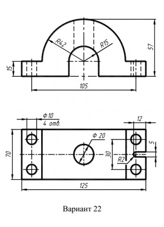
| Ступенчатый разрез. Вариант 22 ЧЕРТЕЖ
 ГРАФИЧЕСКАЯ РАБОТА № 6
ВЫПОЛНЕНИЕ СТУПЕНЧАТОГО РАЗРЕЗА
Цель работы: 1) изучить основные правила и приемы выполнения ступенчатого разреза; 2) сформировать навыки проецирования, нанесения размеров и чтения чертежей.
Ступенчатый разрез. Вариант 22 СКАЧАТЬ
|
| |
|
|
| engineerklub | Дата: Пятница, 20.02.2026, 09:37 | Сообщение # 23 |
 Генералиссимус
Группа: Администраторы
Сообщений: 39098
Статус: Offline
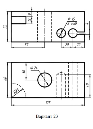
| Ступенчатый разрез. Вариант 23 ЧЕРТЕЖ
 ГРАФИЧЕСКАЯ РАБОТА № 6
ВЫПОЛНЕНИЕ СТУПЕНЧАТОГО РАЗРЕЗА
Ступенчатый разрез. Вариант 23 СКАЧАТЬ
|
| |
|
|
| engineerklub | Дата: Пятница, 20.02.2026, 09:37 | Сообщение # 24 |
 Генералиссимус
Группа: Администраторы
Сообщений: 39098
Статус: Offline
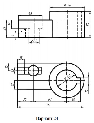
| Ступенчатый разрез. Вариант 24 ЧЕРТЕЖ
 ГРАФИЧЕСКАЯ РАБОТА № 6
ВЫПОЛНЕНИЕ СТУПЕНЧАТОГО РАЗРЕЗА
Ступенчатый разрез. Вариант 24 СКАЧАТЬ
|
| |
|
|
| engineerklub | Дата: Пятница, 20.02.2026, 09:37 | Сообщение # 25 |
 Генералиссимус
Группа: Администраторы
Сообщений: 39098
Статус: Offline
| Ступенчатый разрез. Вариант 25 ЧЕРТЕЖ
 ГРАФИЧЕСКАЯ РАБОТА № 6
ВЫПОЛНЕНИЕ СТУПЕНЧАТОГО РАЗРЕЗА
Ступенчатый разрез. Вариант 25 СКАЧАТЬ
|
| |
|
|
| engineerklub | Дата: Пятница, 20.02.2026, 09:37 | Сообщение # 26 |
 Генералиссимус
Группа: Администраторы
Сообщений: 39098
Статус: Offline
| Ступенчатый разрез. Вариант 26 ЧЕРТЕЖ
 ГРАФИЧЕСКАЯ РАБОТА № 6
ВЫПОЛНЕНИЕ СТУПЕНЧАТОГО РАЗРЕЗА
Ступенчатый разрез. Вариант 26 СКАЧАТЬ
|
| |
|
|
| engineerklub | Дата: Пятница, 20.02.2026, 09:38 | Сообщение # 27 |
 Генералиссимус
Группа: Администраторы
Сообщений: 39098
Статус: Offline
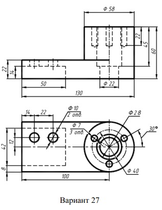
| Ступенчатый разрез. Вариант 27 ЧЕРТЕЖ
 ГРАФИЧЕСКАЯ РАБОТА № 6
ВЫПОЛНЕНИЕ СТУПЕНЧАТОГО РАЗРЕЗА
Ступенчатый разрез. Вариант 27 СКАЧАТЬ
|
| |
|
|
| engineerklub | Дата: Пятница, 20.02.2026, 09:38 | Сообщение # 28 |
 Генералиссимус
Группа: Администраторы
Сообщений: 39098
Статус: Offline
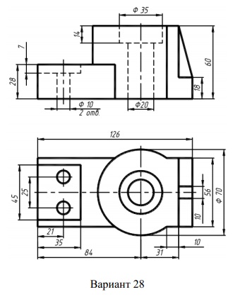
| Ступенчатый разрез. Вариант 28 ЧЕРТЕЖ
 ГРАФИЧЕСКАЯ РАБОТА № 6
ВЫПОЛНЕНИЕ СТУПЕНЧАТОГО РАЗРЕЗА
Ступенчатый разрез. Вариант 28 СКАЧАТЬ
|
| |
|
|
| engineerklub | Дата: Пятница, 20.02.2026, 09:38 | Сообщение # 29 |
 Генералиссимус
Группа: Администраторы
Сообщений: 39098
Статус: Offline
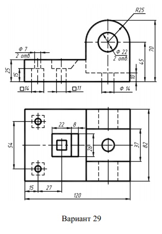
| Ступенчатый разрез. Вариант 29 ЧЕРТЕЖ
 ГРАФИЧЕСКАЯ РАБОТА № 6
ВЫПОЛНЕНИЕ СТУПЕНЧАТОГО РАЗРЕЗА
Ступенчатый разрез. Вариант 29 СКАЧАТЬ
|
| |
|
|
| engineerklub | Дата: Пятница, 20.02.2026, 09:38 | Сообщение # 30 |
 Генералиссимус
Группа: Администраторы
Сообщений: 39098
Статус: Offline
| Ступенчатый разрез. Вариант 30 ЧЕРТЕЖ
 ГРАФИЧЕСКАЯ РАБОТА № 6
ВЫПОЛНЕНИЕ СТУПЕНЧАТОГО РАЗРЕЗА
Ступенчатый разрез. Вариант 30 СКАЧАТЬ
|
| |
|
|