|
Ступенчатый разрез. ГРАФИЧЕСКАЯ РАБОТА 6
|
|
| engineerklub | Дата: Вторник, 17.02.2026, 07:30 | Сообщение # 1 |
 Генералиссимус
Группа: Администраторы
Сообщений: 39110
Статус: Offline
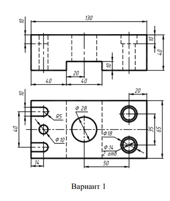
| Ступенчатый разрез. Вариант 1 ЧЕРТЕЖ
 ГРАФИЧЕСКАЯ РАБОТА № 6
ВЫПОЛНЕНИЕ СТУПЕНЧАТОГО РАЗРЕЗА
Цель работы: 1) изучить основные правила и приемы выполнения ступенчатого разреза; 2) сформировать навыки проецирования, нанесения размеров и чтения чертежей.
Ступенчатый разрез. Вариант 1 СКАЧАТЬ
|
| |
|
|
| engineerklub | Дата: Вторник, 17.02.2026, 07:31 | Сообщение # 2 |
 Генералиссимус
Группа: Администраторы
Сообщений: 39110
Статус: Offline
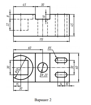
| Ступенчатый разрез. Вариант 2 ЧЕРТЕЖ
 ГРАФИЧЕСКАЯ РАБОТА № 6
ВЫПОЛНЕНИЕ СТУПЕНЧАТОГО РАЗРЕЗА
Цель работы: 1) изучить основные правила и приемы выполнения ступенчатого разреза; 2) сформировать навыки проецирования, нанесения размеров и чтения чертежей.
Ступенчатый разрез. Вариант 2 СКАЧАТЬ
|
| |
|
|
| engineerklub | Дата: Вторник, 17.02.2026, 07:32 | Сообщение # 3 |
 Генералиссимус
Группа: Администраторы
Сообщений: 39110
Статус: Offline
| Ступенчатый разрез. Вариант 3 ЧЕРТЕЖ
 ГРАФИЧЕСКАЯ РАБОТА № 6
ВЫПОЛНЕНИЕ СТУПЕНЧАТОГО РАЗРЕЗА
Ступенчатый разрез. Вариант 3 СКАЧАТЬ
|
| |
|
|
| engineerklub | Дата: Вторник, 17.02.2026, 07:32 | Сообщение # 4 |
 Генералиссимус
Группа: Администраторы
Сообщений: 39110
Статус: Offline
| Ступенчатый разрез. Вариант 4 ЧЕРТЕЖ
 ГРАФИЧЕСКАЯ РАБОТА № 6
ВЫПОЛНЕНИЕ СТУПЕНЧАТОГО РАЗРЕЗА
Цель работы: 1) изучить основные правила и приемы выполнения ступенчатого разреза; 2) сформировать навыки проецирования, нанесения размеров и чтения чертежей.
Ступенчатый разрез. Вариант 4 СКАЧАТЬ
|
| |
|
|
| engineerklub | Дата: Вторник, 17.02.2026, 08:23 | Сообщение # 5 |
 Генералиссимус
Группа: Администраторы
Сообщений: 39110
Статус: Offline
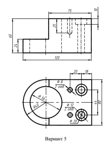
| Ступенчатый разрез. Вариант 5 ЧЕРТЕЖ
 ГРАФИЧЕСКАЯ РАБОТА № 6
ВЫПОЛНЕНИЕ СТУПЕНЧАТОГО РАЗРЕЗА
Цель работы: 1) изучить основные правила и приемы выполнения ступенчатого разреза; 2) сформировать навыки проецирования, нанесения размеров и чтения чертежей.
Ступенчатый разрез. Вариант 5 СКАЧАТЬ
|
| |
|
|
| engineerklub | Дата: Вторник, 17.02.2026, 08:24 | Сообщение # 6 |
 Генералиссимус
Группа: Администраторы
Сообщений: 39110
Статус: Offline
| Ступенчатый разрез. Вариант 6 ЧЕРТЕЖ
 ГРАФИЧЕСКАЯ РАБОТА № 6
ВЫПОЛНЕНИЕ СТУПЕНЧАТОГО РАЗРЕЗА
Цель работы: 1) изучить основные правила и приемы выполнения ступенчатого разреза; 2) сформировать навыки проецирования, нанесения размеров и чтения чертежей.
Ступенчатый разрез. Вариант 6 СКАЧАТЬ
|
| |
|
|
| engineerklub | Дата: Среда, 18.02.2026, 11:36 | Сообщение # 7 |
 Генералиссимус
Группа: Администраторы
Сообщений: 39110
Статус: Offline
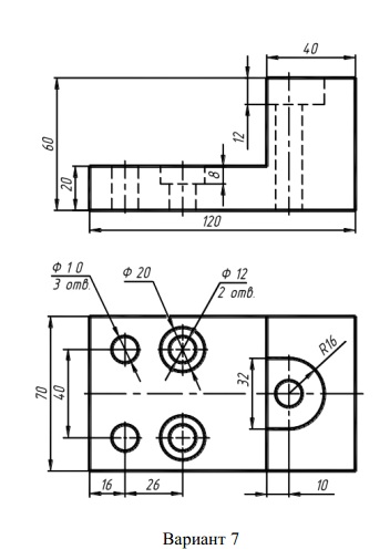
| Ступенчатый разрез. Вариант 7 ЧЕРТЕЖ
 ГРАФИЧЕСКАЯ РАБОТА № 6
ВЫПОЛНЕНИЕ СТУПЕНЧАТОГО РАЗРЕЗА
Цель работы: 1) изучить основные правила и приемы выполнения ступенчатого разреза; 2) сформировать навыки проецирования, нанесения размеров и чтения чертежей.
Ступенчатый разрез. Вариант 7 СКАЧАТЬ
|
| |
|
|
| engineerklub | Дата: Среда, 18.02.2026, 11:37 | Сообщение # 8 |
 Генералиссимус
Группа: Администраторы
Сообщений: 39110
Статус: Offline
| Ступенчатый разрез. Вариант 8 ЧЕРТЕЖ
 ГРАФИЧЕСКАЯ РАБОТА № 6
ВЫПОЛНЕНИЕ СТУПЕНЧАТОГО РАЗРЕЗА
Цель работы: 1) изучить основные правила и приемы выполнения ступенчатого разреза; 2) сформировать навыки проецирования, нанесения размеров и чтения чертежей.
Ступенчатый разрез. Вариант 8 СКАЧАТЬ
|
| |
|
|
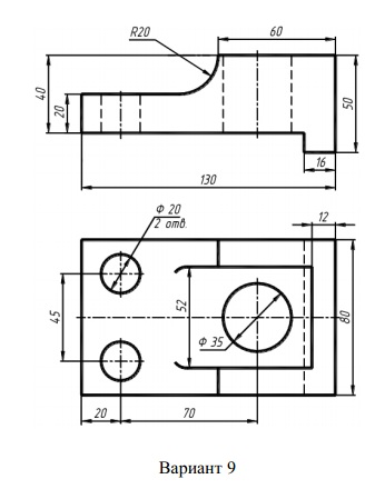
| engineerklub | Дата: Среда, 18.02.2026, 11:37 | Сообщение # 9 |
 Генералиссимус
Группа: Администраторы
Сообщений: 39110
Статус: Offline
| Ступенчатый разрез. Вариант 9 ЧЕРТЕЖ
 ГРАФИЧЕСКАЯ РАБОТА № 6
ВЫПОЛНЕНИЕ СТУПЕНЧАТОГО РАЗРЕЗА
Цель работы: 1) изучить основные правила и приемы выполнения ступенчатого разреза; 2) сформировать навыки проецирования, нанесения размеров и чтения чертежей.
Ступенчатый разрез. Вариант 9 СКАЧАТЬ
|
| |
|
|
| engineerklub | Дата: Среда, 18.02.2026, 11:37 | Сообщение # 10 |
 Генералиссимус
Группа: Администраторы
Сообщений: 39110
Статус: Offline
| Ступенчатый разрез. Вариант 10 ЧЕРТЕЖ
 ГРАФИЧЕСКАЯ РАБОТА № 6
ВЫПОЛНЕНИЕ СТУПЕНЧАТОГО РАЗРЕЗА
Цель работы: 1) изучить основные правила и приемы выполнения ступенчатого разреза; 2) сформировать навыки проецирования, нанесения размеров и чтения чертежей.
Ступенчатый разрез. Вариант 10 СКАЧАТЬ
|
| |
|
|
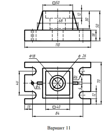
| engineerklub | Дата: Среда, 18.02.2026, 11:37 | Сообщение # 11 |
 Генералиссимус
Группа: Администраторы
Сообщений: 39110
Статус: Offline
| Ступенчатый разрез. Вариант 11 ЧЕРТЕЖ
 ГРАФИЧЕСКАЯ РАБОТА № 6
ВЫПОЛНЕНИЕ СТУПЕНЧАТОГО РАЗРЕЗА
Цель работы: 1) изучить основные правила и приемы выполнения ступенчатого разреза; 2) сформировать навыки проецирования, нанесения размеров и чтения чертежей.
Ступенчатый разрез. Вариант 11 СКАЧАТЬ
|
| |
|
|
| engineerklub | Дата: Четверг, 19.02.2026, 06:58 | Сообщение # 12 |
 Генералиссимус
Группа: Администраторы
Сообщений: 39110
Статус: Offline
| Ступенчатый разрез. Вариант 12 ЧЕРТЕЖ
 ГРАФИЧЕСКАЯ РАБОТА № 6
ВЫПОЛНЕНИЕ СТУПЕНЧАТОГО РАЗРЕЗА
Цель работы: 1) изучить основные правила и приемы выполнения ступенчатого разреза; 2) сформировать навыки проецирования, нанесения размеров и чтения чертежей.
Ступенчатый разрез. Вариант 12 СКАЧАТЬ
|
| |
|
|
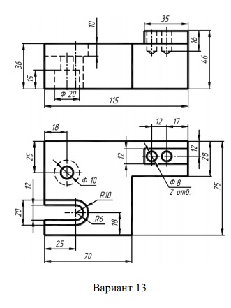
| engineerklub | Дата: Четверг, 19.02.2026, 06:58 | Сообщение # 13 |
 Генералиссимус
Группа: Администраторы
Сообщений: 39110
Статус: Offline
| Ступенчатый разрез. Вариант 13 ЧЕРТЕЖ
 ГРАФИЧЕСКАЯ РАБОТА № 6
ВЫПОЛНЕНИЕ СТУПЕНЧАТОГО РАЗРЕЗА
Цель работы: 1) изучить основные правила и приемы выполнения ступенчатого разреза; 2) сформировать навыки проецирования, нанесения размеров и чтения чертежей.
Ступенчатый разрез. Вариант 13 СКАЧАТЬ
|
| |
|
|
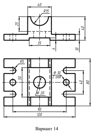
| engineerklub | Дата: Четверг, 19.02.2026, 06:58 | Сообщение # 14 |
 Генералиссимус
Группа: Администраторы
Сообщений: 39110
Статус: Offline
| Ступенчатый разрез. Вариант 14 ЧЕРТЕЖ
 ГРАФИЧЕСКАЯ РАБОТА № 6
ВЫПОЛНЕНИЕ СТУПЕНЧАТОГО РАЗРЕЗА
Цель работы: 1) изучить основные правила и приемы выполнения ступенчатого разреза; 2) сформировать навыки проецирования, нанесения размеров и чтения чертежей.
Ступенчатый разрез. Вариант 14 СКАЧАТЬ
|
| |
|
|
| engineerklub | Дата: Четверг, 19.02.2026, 06:58 | Сообщение # 15 |
 Генералиссимус
Группа: Администраторы
Сообщений: 39110
Статус: Offline
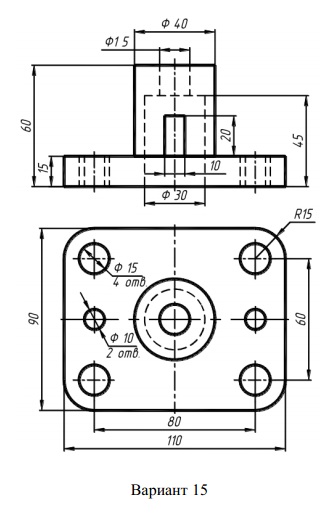
| Ступенчатый разрез. Вариант 15 ЧЕРТЕЖ
 ГРАФИЧЕСКАЯ РАБОТА № 6
ВЫПОЛНЕНИЕ СТУПЕНЧАТОГО РАЗРЕЗА
Цель работы: 1) изучить основные правила и приемы выполнения ступенчатого разреза; 2) сформировать навыки проецирования, нанесения размеров и чтения чертежей.
Ступенчатый разрез. Вариант 15 СКАЧАТЬ
|
| |
|
|