|
Полое тело. Задание 58
|
|
| engineerklub | Дата: Понедельник, 12.01.2026, 17:11 | Сообщение # 16 |
 Генералиссимус
Группа: Администраторы
Сообщений: 38755
Статус: Offline
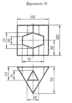
| Полое тело. Вариант 16 ЧЕРТЕЖ
 Задание 58
Выполнить в трех проекциях чертеж полого геометрического тела с применением профильного разреза.
Полое тело. Вариант 16 СКАЧАТЬ
|
| |
|
|
| engineerklub | Дата: Понедельник, 12.01.2026, 17:11 | Сообщение # 17 |
 Генералиссимус
Группа: Администраторы
Сообщений: 38755
Статус: Offline
| Полое тело. Вариант 17 ЧЕРТЕЖ
 Задание 58
Выполнить в трех проекциях чертеж полого геометрического тела с применением профильного разреза.
Полое тело. Вариант 17 СКАЧАТЬ
|
| |
|
|
| engineerklub | Дата: Вторник, 13.01.2026, 09:10 | Сообщение # 18 |
 Генералиссимус
Группа: Администраторы
Сообщений: 38755
Статус: Offline
| Полое тело. Вариант 18 ЧЕРТЕЖ
 Задание 58
Выполнить в трех проекциях чертеж полого геометрического тела с применением профильного разреза.
Полое тело. Вариант 18 СКАЧАТЬ
|
| |
|
|
| engineerklub | Дата: Вторник, 13.01.2026, 09:10 | Сообщение # 19 |
 Генералиссимус
Группа: Администраторы
Сообщений: 38755
Статус: Offline
| Полое тело. Вариант 19 ЧЕРТЕЖ
 Задание 58
Выполнить в трех проекциях чертеж полого геометрического тела с применением профильного разреза.
Полое тело. Вариант 19 СКАЧАТЬ
|
| |
|
|
| engineerklub | Дата: Вторник, 13.01.2026, 09:10 | Сообщение # 20 |
 Генералиссимус
Группа: Администраторы
Сообщений: 38755
Статус: Offline
| Полое тело. Вариант 20 ЧЕРТЕЖ
 Задание 58
Выполнить в трех проекциях чертеж полого геометрического тела с применением профильного разреза.
Полое тело. Вариант 20 СКАЧАТЬ
|
| |
|
|
| engineerklub | Дата: Вторник, 13.01.2026, 09:10 | Сообщение # 21 |
 Генералиссимус
Группа: Администраторы
Сообщений: 38755
Статус: Offline
| Полое тело. Вариант 21 ЧЕРТЕЖ
 Задание 58
Выполнить в трех проекциях чертеж полого геометрического тела с применением профильного разреза.
Полое тело. Вариант 21 СКАЧАТЬ
|
| |
|
|
| engineerklub | Дата: Вторник, 13.01.2026, 09:18 | Сообщение # 22 |
 Генералиссимус
Группа: Администраторы
Сообщений: 38755
Статус: Offline
| Полое тело. Вариант 22 ЧЕРТЕЖ
 Задание 58
Выполнить в трех проекциях чертеж полого геометрического тела с применением профильного разреза.
Полое тело. Вариант 22 СКАЧАТЬ
|
| |
|
|
| engineerklub | Дата: Вторник, 13.01.2026, 09:19 | Сообщение # 23 |
 Генералиссимус
Группа: Администраторы
Сообщений: 38755
Статус: Offline
| Полое тело. Вариант 23 ЧЕРТЕЖ
 Задание 58
Выполнить в трех проекциях чертеж полого геометрического тела с применением профильного разреза.
Полое тело. Вариант 23 СКАЧАТЬ
|
| |
|
|
| engineerklub | Дата: Вторник, 13.01.2026, 09:19 | Сообщение # 24 |
 Генералиссимус
Группа: Администраторы
Сообщений: 38755
Статус: Offline
| Полое тело. Вариант 24 ЧЕРТЕЖ
 Задание 58
Выполнить в трех проекциях чертеж полого геометрического тела с применением профильного разреза.
Полое тело. Вариант 24 СКАЧАТЬ
|
| |
|
|
| engineerklub | Дата: Вторник, 13.01.2026, 09:19 | Сообщение # 25 |
 Генералиссимус
Группа: Администраторы
Сообщений: 38755
Статус: Offline
| Полое тело. Вариант 25 ЧЕРТЕЖ
 Задание 58
Выполнить в трех проекциях чертеж полого геометрического тела с применением профильного разреза.
Полое тело. Вариант 25 СКАЧАТЬ
|
| |
|
|
| engineerklub | Дата: Вторник, 13.01.2026, 09:19 | Сообщение # 26 |
 Генералиссимус
Группа: Администраторы
Сообщений: 38755
Статус: Offline
| Полое тело. Вариант 26 ЧЕРТЕЖ
 Задание 58
Выполнить в трех проекциях чертеж полого геометрического тела с применением профильного разреза.
Полое тело. Вариант 26 СКАЧАТЬ
|
| |
|
|
| engineerklub | Дата: Вторник, 13.01.2026, 18:16 | Сообщение # 27 |
 Генералиссимус
Группа: Администраторы
Сообщений: 38755
Статус: Offline
| Полое тело. Вариант 27 ЧЕРТЕЖ
 Задание 58
Выполнить в трех проекциях чертеж полого геометрического тела с применением профильного разреза.
Полое тело. Вариант 27 СКАЧАТЬ
|
| |
|
|
| engineerklub | Дата: Вторник, 13.01.2026, 18:16 | Сообщение # 28 |
 Генералиссимус
Группа: Администраторы
Сообщений: 38755
Статус: Offline
| Полое тело. Вариант 28 ЧЕРТЕЖ
 Задание 58
Выполнить в трех проекциях чертеж полого геометрического тела с применением профильного разреза.
Полое тело. Вариант 28 СКАЧАТЬ
|
| |
|
|
| engineerklub | Дата: Вторник, 13.01.2026, 18:17 | Сообщение # 29 |
 Генералиссимус
Группа: Администраторы
Сообщений: 38755
Статус: Offline
| Полое тело. Вариант 29 ЧЕРТЕЖ
 Задание 58
Выполнить в трех проекциях чертеж полого геометрического тела с применением профильного разреза.
Полое тело. Вариант 29 СКАЧАТЬ
|
| |
|
|
| engineerklub | Дата: Вторник, 13.01.2026, 18:17 | Сообщение # 30 |
 Генералиссимус
Группа: Администраторы
Сообщений: 38755
Статус: Offline
| Полое тело. Вариант 30 ЧЕРТЕЖ
 Задание 58
Выполнить в трех проекциях чертеж полого геометрического тела с применением профильного разреза.
Полое тело. Вариант 30 СКАЧАТЬ
|
| |
|
|