|
Полое тело. Задание 58
|
|
| engineerklub | Дата: Воскресенье, 19.10.2025, 10:25 | Сообщение # 1 |
 Генералиссимус
Группа: Администраторы
Сообщений: 38755
Статус: Offline
| Полое тело. Вариант 1 ЧЕРТЕЖ
 Задание 58
Выполнить в трех проекциях чертеж полого геометрического тела с применением профильного разреза.
Полое тело. Вариант 1 СКАЧАТЬ
|
| |
|
|
| engineerklub | Дата: Воскресенье, 11.01.2026, 16:25 | Сообщение # 2 |
 Генералиссимус
Группа: Администраторы
Сообщений: 38755
Статус: Offline
| Полое тело. Вариант 2 ЧЕРТЕЖ
 Задание 58
Выполнить в трех проекциях чертеж полого геометрического тела с применением профильного разреза.
Полое тело. Вариант 2 СКАЧАТЬ
|
| |
|
|
| engineerklub | Дата: Воскресенье, 11.01.2026, 16:25 | Сообщение # 3 |
 Генералиссимус
Группа: Администраторы
Сообщений: 38755
Статус: Offline
| Полое тело. Вариант 3 ЧЕРТЕЖ
 Задание 58
Выполнить в трех проекциях чертеж полого геометрического тела с применением профильного разреза.
Полое тело. Вариант 3 СКАЧАТЬ
|
| |
|
|
| engineerklub | Дата: Воскресенье, 11.01.2026, 16:25 | Сообщение # 4 |
 Генералиссимус
Группа: Администраторы
Сообщений: 38755
Статус: Offline
| Полое тело. Вариант 4 ЧЕРТЕЖ
 Задание 58
Выполнить в трех проекциях чертеж полого геометрического тела с применением профильного разреза.
Полое тело. Вариант 4 СКАЧАТЬ
|
| |
|
|
| engineerklub | Дата: Воскресенье, 11.01.2026, 16:25 | Сообщение # 5 |
 Генералиссимус
Группа: Администраторы
Сообщений: 38755
Статус: Offline
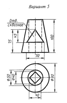
| Полое тело. Вариант 5 ЧЕРТЕЖ
 Задание 58
Выполнить в трех проекциях чертеж полого геометрического тела с применением профильного разреза.
Полое тело. Вариант 5 СКАЧАТЬ
|
| |
|
|
| engineerklub | Дата: Воскресенье, 11.01.2026, 16:26 | Сообщение # 6 |
 Генералиссимус
Группа: Администраторы
Сообщений: 38755
Статус: Offline
| Полое тело. Вариант 6 ЧЕРТЕЖ
 Задание 58
Выполнить в трех проекциях чертеж полого геометрического тела с применением профильного разреза.
Полое тело. Вариант 6 СКАЧАТЬ
|
| |
|
|
| engineerklub | Дата: Воскресенье, 11.01.2026, 16:26 | Сообщение # 7 |
 Генералиссимус
Группа: Администраторы
Сообщений: 38755
Статус: Offline
| Полое тело. Вариант 7 ЧЕРТЕЖ
 Задание 58
Выполнить в трех проекциях чертеж полого геометрического тела с применением профильного разреза.
Полое тело. Вариант 7 СКАЧАТЬ
|
| |
|
|
| engineerklub | Дата: Воскресенье, 11.01.2026, 16:31 | Сообщение # 8 |
 Генералиссимус
Группа: Администраторы
Сообщений: 38755
Статус: Offline
| Полое тело. Вариант 8 ЧЕРТЕЖ
 Задание 58
Выполнить в трех проекциях чертеж полого геометрического тела с применением профильного разреза.
Полое тело. Вариант 8 СКАЧАТЬ
|
| |
|
|
| engineerklub | Дата: Воскресенье, 11.01.2026, 16:33 | Сообщение # 9 |
 Генералиссимус
Группа: Администраторы
Сообщений: 38755
Статус: Offline
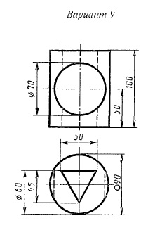
| Полое тело. Вариант 9 ЧЕРТЕЖ
 Задание 58
Выполнить в трех проекциях чертеж полого геометрического тела с применением профильного разреза.
Полое тело. Вариант 9 СКАЧАТЬ
|
| |
|
|
| engineerklub | Дата: Воскресенье, 11.01.2026, 16:34 | Сообщение # 10 |
 Генералиссимус
Группа: Администраторы
Сообщений: 38755
Статус: Offline
| Полое тело. Вариант 10 ЧЕРТЕЖ
 Задание 58
Выполнить в трех проекциях чертеж полого геометрического тела с применением профильного разреза.
Полое тело. Вариант 10 СКАЧАТЬ
|
| |
|
|
| engineerklub | Дата: Понедельник, 12.01.2026, 05:15 | Сообщение # 11 |
 Генералиссимус
Группа: Администраторы
Сообщений: 38755
Статус: Offline
| Полое тело. Вариант 11 ЧЕРТЕЖ
 Задание 58
Выполнить в трех проекциях чертеж полого геометрического тела с применением профильного разреза.
Полое тело. Вариант 11 СКАЧАТЬ
|
| |
|
|
| engineerklub | Дата: Понедельник, 12.01.2026, 05:16 | Сообщение # 12 |
 Генералиссимус
Группа: Администраторы
Сообщений: 38755
Статус: Offline
| Полое тело. Вариант 12 ЧЕРТЕЖ
 Задание 58
Выполнить в трех проекциях чертеж полого геометрического тела с применением профильного разреза.
Полое тело. Вариант 12 СКАЧАТЬ
|
| |
|
|
| engineerklub | Дата: Понедельник, 12.01.2026, 05:16 | Сообщение # 13 |
 Генералиссимус
Группа: Администраторы
Сообщений: 38755
Статус: Offline
| Полое тело. Вариант 13 ЧЕРТЕЖ
 Задание 58
Выполнить в трех проекциях чертеж полого геометрического тела с применением профильного разреза.
Полое тело. Вариант 13 СКАЧАТЬ
|
| |
|
|
| engineerklub | Дата: Понедельник, 12.01.2026, 17:10 | Сообщение # 14 |
 Генералиссимус
Группа: Администраторы
Сообщений: 38755
Статус: Offline
| Полое тело. Вариант 14 ЧЕРТЕЖ
 Задание 58
Выполнить в трех проекциях чертеж полого геометрического тела с применением профильного разреза.
Полое тело. Вариант 14 СКАЧАТЬ
|
| |
|
|
| engineerklub | Дата: Понедельник, 12.01.2026, 17:11 | Сообщение # 15 |
 Генералиссимус
Группа: Администраторы
Сообщений: 38755
Статус: Offline
| Полое тело. Вариант 15 ЧЕРТЕЖ
 Задание 58
Выполнить в трех проекциях чертеж полого геометрического тела с применением профильного разреза.
Полое тело. Вариант 15 СКАЧАТЬ
|
| |
|
|