|
Сечение тела. Задание 44
|
|
| engineerklub | Дата: Четверг, 15.01.2026, 10:29 | Сообщение # 16 |
 Генералиссимус
Группа: Администраторы
Сообщений: 38768
Статус: Offline
| Сечение тела. Вариант 16 ЧЕРТЕЖ
 Исходные данные для выполнения задания
d = 95 мм d1 = 70 мм d2 = 60 мм h = 37 мм h1 = 38 мм h2 = 32 мм k = 8 мм k1 = 20 мм k2 = 16 мм a = 45 мм m = 50 мм
Перечертить и закончить в трех проекциях чертеж усеченной полой модели. Найти натуральную величину фигуры сечения. Построить аксонометрическую проекцию.
Сечение тела. Вариант 16 СКАЧАТЬ
|
| |
|
|
| engineerklub | Дата: Четверг, 15.01.2026, 10:29 | Сообщение # 17 |
 Генералиссимус
Группа: Администраторы
Сообщений: 38768
Статус: Offline
| Сечение тела. Вариант 17 ЧЕРТЕЖ
 Исходные данные для выполнения задания
d = 95 мм d1 = 70 мм d2 = 60 мм h = 40 мм h1 = 40 мм h2 = 30 мм k = 8 мм k1 = 20 мм k2 = 16 мм a = 45 мм m = 43 мм
Перечертить и закончить в трех проекциях чертеж усеченной полой модели. Найти натуральную величину фигуры сечения. Построить аксонометрическую проекцию.
Сечение тела. Вариант 17 СКАЧАТЬ
|
| |
|
|
| engineerklub | Дата: Четверг, 15.01.2026, 10:29 | Сообщение # 18 |
 Генералиссимус
Группа: Администраторы
Сообщений: 38768
Статус: Offline
| Сечение тела. Вариант 18 ЧЕРТЕЖ
 Исходные данные для выполнения задания
d = 95 мм d1 = 70 мм d2 = 62 мм h = 45 мм h1 = 45 мм h2 = 25 мм k = 8 мм k1 = 20 мм k2 = 16 мм a = 40 мм m = 45 мм
Перечертить и закончить в трех проекциях чертеж усеченной полой модели. Найти натуральную величину фигуры сечения. Построить аксонометрическую проекцию.
Сечение тела. Вариант 18 СКАЧАТЬ
|
| |
|
|
| engineerklub | Дата: Четверг, 15.01.2026, 10:29 | Сообщение # 19 |
 Генералиссимус
Группа: Администраторы
Сообщений: 38768
Статус: Offline
| Сечение тела. Вариант 19 ЧЕРТЕЖ
 Исходные данные для выполнения задания
d = 95 мм d1 = 70 мм d2 = 60 мм h = 40 мм h1 = 40 мм h2 = 30 мм k = 8 мм k1 = 20 мм k2 = 16 мм a = 45 мм m = 40 мм
Перечертить и закончить в трех проекциях чертеж усеченной полой модели. Найти натуральную величину фигуры сечения. Построить аксонометрическую проекцию.
Сечение тела. Вариант 19 СКАЧАТЬ
|
| |
|
|
| engineerklub | Дата: Суббота, 17.01.2026, 10:33 | Сообщение # 20 |
 Генералиссимус
Группа: Администраторы
Сообщений: 38768
Статус: Offline
| Сечение тела. Вариант 20 ЧЕРТЕЖ
 Задание 44
Перечертить и закончить в трех проекциях чертеж усеченной полой модели. Найти натуральную величину фигуры сечения. Построить аксонометрическую проекцию.
Исходные данные для выполнения задания
d = 95 мм d1 = 72 мм d2 = 66 мм h = 50 мм h1 = 35 мм h2 = 25 мм k = 8 мм k1 = 20 мм k2 = 16 мм a = 44 мм m = 50 мм
Сечение тела. Вариант 20 СКАЧАТЬ
|
| |
|
|
| engineerklub | Дата: Суббота, 17.01.2026, 14:33 | Сообщение # 21 |
 Генералиссимус
Группа: Администраторы
Сообщений: 38768
Статус: Offline
| Сечение тела. Вариант 21 ЧЕРТЕЖ
 Задание 44
Перечертить и закончить в трех проекциях чертеж усеченной полой модели. Найти натуральную величину фигуры сечения. Построить аксонометрическую проекцию.
Исходные данные для выполнения задания
d = 40 мм d1 = 25 мм d2 = 78 мм h = 35 мм h1 = 30 мм h2 = 25 мм k = 18 мм a = 90 мм m = 55 мм
Сечение тела. Вариант 21 СКАЧАТЬ
|
| |
|
|
| engineerklub | Дата: Суббота, 17.01.2026, 14:33 | Сообщение # 22 |
 Генералиссимус
Группа: Администраторы
Сообщений: 38768
Статус: Offline
| Сечение тела. Вариант 22 ЧЕРТЕЖ
 Задание 44
Перечертить и закончить в трех проекциях чертеж усеченной полой модели. Найти натуральную величину фигуры сечения. Построить аксонометрическую проекцию.
Исходные данные для выполнения задания
d = 50 мм d1 = 30 мм d2 = 75 мм h = 30 мм h1 = 35 мм h2 = 20 мм k = 20 мм a = 95 мм m = 50 мм
Сечение тела. Вариант 22 СКАЧАТЬ
|
| |
|
|
| engineerklub | Дата: Суббота, 17.01.2026, 14:34 | Сообщение # 23 |
 Генералиссимус
Группа: Администраторы
Сообщений: 38768
Статус: Offline
| Сечение тела. Вариант 23 ЧЕРТЕЖ
 Задание 44
Перечертить и закончить в трех проекциях чертеж усеченной полой модели. Найти натуральную величину фигуры сечения. Построить аксонометрическую проекцию.
Исходные данные для выполнения задания
d = 45 мм d1 = 30 мм d2 = 70 мм h = 35 мм h1 = 28 мм h2 = 25 мм k = 20 мм a = 90 мм m = 45 мм
Сечение тела. Вариант 23 СКАЧАТЬ
|
| |
|
|
| engineerklub | Дата: Суббота, 17.01.2026, 14:35 | Сообщение # 24 |
 Генералиссимус
Группа: Администраторы
Сообщений: 38768
Статус: Offline
| Сечение тела. Вариант 24 ЧЕРТЕЖ
 Задание 44
Перечертить и закончить в трех проекциях чертеж усеченной полой модели. Найти натуральную величину фигуры сечения. Построить аксонометрическую проекцию.
Исходные данные для выполнения задания
d = 50 мм d1 = 35 мм d2 = 80 мм h = 30 мм h1 = 30 мм h2 = 30 мм k = 20 мм a = 95 мм m = 55 мм
Сечение тела. Вариант 24 СКАЧАТЬ
|
| |
|
|
| engineerklub | Дата: Суббота, 17.01.2026, 14:35 | Сообщение # 25 |
 Генералиссимус
Группа: Администраторы
Сообщений: 38768
Статус: Offline
| Сечение тела. Вариант 25 ЧЕРТЕЖ
 Задание 44
Перечертить и закончить в трех проекциях чертеж усеченной полой модели. Найти натуральную величину фигуры сечения. Построить аксонометрическую проекцию.
Исходные данные для выполнения задания
d = 45 мм d1 = 35 мм d2 = 80 мм h = 25 мм h1 = 35 мм h2 = 30 мм k = 24 мм a = 90 мм m = 40 мм
Сечение тела. Вариант 25 СКАЧАТЬ
|
| |
|
|
| engineerklub | Дата: Суббота, 17.01.2026, 14:36 | Сообщение # 26 |
 Генералиссимус
Группа: Администраторы
Сообщений: 38768
Статус: Offline
| Сечение тела. Вариант 26 ЧЕРТЕЖ
 Задание 44
Перечертить и закончить в трех проекциях чертеж усеченной полой модели. Найти натуральную величину фигуры сечения. Построить аксонометрическую проекцию.
Исходные данные для выполнения задания
d = 90 мм d1 = 45 мм d2 = 30 мм h = 45 мм h1 = 20 мм h2 = 25 мм a = 80 мм m = 55 мм
Сечение тела. Вариант 26 СКАЧАТЬ
|
| |
|
|
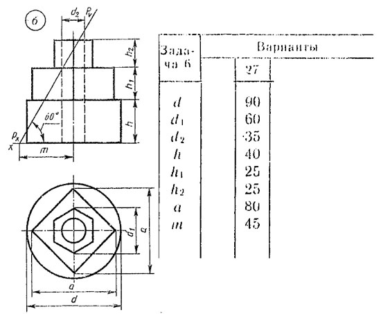
| engineerklub | Дата: Суббота, 17.01.2026, 14:37 | Сообщение # 27 |
 Генералиссимус
Группа: Администраторы
Сообщений: 38768
Статус: Offline
| Сечение тела. Вариант 27 ЧЕРТЕЖ
 Задание 44
Перечертить и закончить в трех проекциях чертеж усеченной полой модели. Найти натуральную величину фигуры сечения. Построить аксонометрическую проекцию.
Исходные данные для выполнения задания
d = 90 мм d1 = 60 мм d2 = 35 мм h = 40 мм h1 = 25 мм h2 = 25 мм a = 80 мм m = 45 мм
Сечение тела. Вариант 27 СКАЧАТЬ
|
| |
|
|
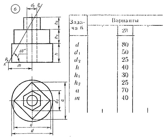
| engineerklub | Дата: Суббота, 17.01.2026, 14:38 | Сообщение # 28 |
 Генералиссимус
Группа: Администраторы
Сообщений: 38768
Статус: Offline
| Сечение тела. Вариант 28 ЧЕРТЕЖ
 Задание 44
Перечертить и закончить в трех проекциях чертеж усеченной полой модели. Найти натуральную величину фигуры сечения. Построить аксонометрическую проекцию.
Исходные данные для выполнения задания
d = 80 мм d1 = 50 мм d2 = 25 мм h = 40 мм h1 = 30 мм h2 = 25 мм a = 70 мм m = 40 мм
Сечение тела. Вариант 28 СКАЧАТЬ
|
| |
|
|
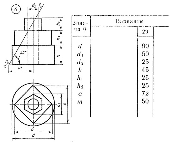
| engineerklub | Дата: Суббота, 17.01.2026, 14:39 | Сообщение # 29 |
 Генералиссимус
Группа: Администраторы
Сообщений: 38768
Статус: Offline
| Сечение тела. Вариант 29 ЧЕРТЕЖ
 Задание 44
Перечертить и закончить в трех проекциях чертеж усеченной полой модели. Найти натуральную величину фигуры сечения. Построить аксонометрическую проекцию.
Исходные данные для выполнения задания
d = 90 мм d1 = 50 мм d2 = 25 мм h = 45 мм h1 = 25 мм h2 = 25 мм a = 72 мм m = 50 мм
Сечение тела. Вариант 29 СКАЧАТЬ
|
| |
|
|
| engineerklub | Дата: Суббота, 17.01.2026, 14:39 | Сообщение # 30 |
 Генералиссимус
Группа: Администраторы
Сообщений: 38768
Статус: Offline
| Сечение тела. Вариант 30 ЧЕРТЕЖ
 Задание 44
Перечертить и закончить в трех проекциях чертеж усеченной полой модели. Найти натуральную величину фигуры сечения. Построить аксонометрическую проекцию.
Исходные данные для выполнения задания
d = 85 мм d1 = 45 мм d2 = 20 мм h = 35 мм h1 = 30 мм h2 = 25 мм a = 70 мм m = 40 мм
Сечение тела. Вариант 30 СКАЧАТЬ
|
| |
|
|