|
СБОРОЧНЫЙ ЧЕРТЕЖ. СПЕЦИФИКАЦИЯ
|
|
| engineerklub | Дата: Среда, 17.09.2025, 05:23 | Сообщение # 1 |
 Генералиссимус
Группа: Администраторы
Сообщений: 39110
Статус: Offline
| Кран пробковый 01.01.00.000 ВО ЧЕРТЕЖ
 Пробковый кран позволяет регулировать в трубопроводе количество проходящей жидкости или газа. Кран состоит из корпуса 1 и конической пробки 2, поджимаемой крышкой 5. На крышке установлена втулка сальника 4, уплотняющая пробку сальниковой набивкой 21 (материал - пенька ПП) по ГОСТ 5152-84*. К корпусу 1 подсоединяются два трубопровода, с одной стороны – к резьбовому концу фланца 3, с другой – к муфте, установленной на резьбовом патрубке корпуса. Герметизация корпуса 1 и крышки 5 осуществлена прокладкой 8, а фланца 3 и корпуса – прокладкой 9. На конце пробки установлена втулка 6, закрепленная рукояткой 7. При повороте рукоятки пробка изменяет поперечное сечение отверстия в корпусе, определяя расход жидкости (или газа) в системе. Методические указания 1. Необходимо разобраться в устройстве и принципе работы данного вида арматуры трубопроводов. 2. Распечатать задание на формате А3, выполнить сборочный чертеж пробкового крана на формате А2. 3. На чертеже выполнить следующие соединения: I – соединить пробку 2 и втулку 6 запрессовкой рукоятки, диаметр которой равен 10 мм, а длина 100 мм. II – выполнить соединение корпуса 1 и крышки 5 винтом (резьба М10) по ГОСТ 1491-80*. III – соединить корпусу 1 и фланец 3 болтами по ГОСТ 7798-70* (резьба М10), установить шайбы по ГОСТ 11371-78* и гайки по ГОСТ 5915-70*. IV – установить шайбу, гайку и шплинт. V – подсоединить к корпусу 1 муфту. VI – соединить крышку 5 и втулку сальника 4 шпильками (резьба М8, материал крышки 5 - сталь), установить пружинные шайбы по ГОСТ 6402-70* и гайки ГОСТ 5915-70*. 4. Заполнить спецификацию. 5. Заменить фланец 3 (литая деталь) сварной сборочной единицей, выполнив чертеж на формате А4. 6. Выполнить на листах формата А4 рабочие чертежи деталей принятой сборочной единицы.
КРАН ПРОБКОВЫЙ 01.01.00.000 СБ КРАН ПРОБКОВЫЙ 01.01.00.000 спецификация КРАН ПРОБКОВЫЙ 01.01.00.000 3d сборка КРАН ПРОБКОВЫЙ 01.01.00.000 чертежи Корпус 01.01.00.001 Пробка 01.01.00.002 Фланец 01.01.00.003 Втулка сальника 01.01.00.004 Крышка 01.01.00.005 Втулка 01.01.00.006 Рукоятка 01.01.00.007 Прокладка 01.01.00.008 Прокладка 01.01.00.009
Кран пробковый 01.01.00.000 СКАЧАТЬ
|
| |
|
|
| engineerklub | Дата: Среда, 17.09.2025, 06:05 | Сообщение # 2 |
 Генералиссимус
Группа: Администраторы
Сообщений: 39110
Статус: Offline
| Кран пробковый 01.02.00.000 ВО ЧЕРТЕЖ
 Пробковый кран предназначается для изменения подачи количества жидкости (или газа), проходящей по трубопроводу. Кран состоит из корпуса 1 и конической пробки 2, поджимаемой крышкой 4. Крышка 4 закреплена на корпусе винтами 9. На крышке 4 установлена втулка сальника 3, уплотняющая пробку 2 сальниковой набивкой 16 (материал – пенька ПП ГОСТ 5152-84*). К корпусу подсоединяются два трубопровода, с одной стороны – к резьбовому концу фланца 5, с другой – к муфте, установленной на резьбовом конце патрубка корпуса. Герметизация корпуса крышки 4 обеспечена прокладкой 7, а фланца 5 и корпуса 1 – прокладкой 6. При повороте пробки изменяется поперечное сечение отверстия в корпусе, определяя расход жидкости (газа) в системе трубопровода.
Методические указания 1. Необходимо разобраться в устройстве и принципе работы данного вида арматуры трубопроводов. 2. Распечатать задание на формате А3, выполнить сборочный чертеж пробкового крана на формате А2. 3. На чертеже выполнить следующие соединения: I – соединить корпус 1 и фланец 5 болтами (резьба М10), установить шайбы по ГОСТ 11371-78*и гайки ГОСТ 5915-70*. II – соединить крышку 4 и втулку сальника 3 шпильками (резьба М8, материал крышки 4 - сталь), установить пружинные шайбы ГОСТ 6402-70* и гайки ГОСТ 5915-70*. III – подсоединить к корпусу 1 муфту. VI – выполнить соединение корпуса 1 и крышки 4 винтами по ГОСТ 1491-80* (резьба М10). 4. Заполнить спецификацию. 5. Заменить фланец 5 (литая деталь) сварной сборочной единицей, выполнив чертеж на формате А4. 6. Выполнить на листах формата А4 рабочие чертежи деталей принятой сборочной единицы.
Кран пробковый 01.02.00.000 сб Кран пробковый 01.02.00.000 спецификация Кран пробковый 01.02.00.000 3d сборка Кран пробковый 01.02.00.000 чертежи Корпус 01.02.00.001 Пробка 01.02.00.002 Втулка сальника 01.02.00.003 Крышка 01.02.00.004 Фланец 01.02.00.005 Прокладка 01.02.00.006 Прокладка 01.02.00.007
Кран пробковый 01.02.00.000 СКАЧАТЬ
|
| |
|
|
| engineerklub | Дата: Среда, 17.09.2025, 11:06 | Сообщение # 3 |
 Генералиссимус
Группа: Администраторы
Сообщений: 39110
Статус: Offline
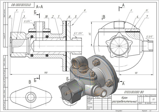
| Кран распределительный 01.03.00.000 ВО ЧЕРТЕЖ
 Распределительный кран предназначен для одновременной или попеременной подачи жидкости по двум трубопроводам. Кран состоит из корпуса 1 и пробки 2. Уплотнение пробки осуществлено кольцами 18 (кольцо 045-053-46-2-4 ГОСТ 9833-73*). К корпусу подсоединяются три трубопровода: к резьбовым патрубкам фланца 5 и корпуса 1 и к угольнику, навернутому на фланец 4. Герметизация корпуса и фланца 4 осуществляется прокладкой 7, а фланца 5 и корпуса – прокладкой 6. На пробке установлена рукоятка 3 с помощью шайбы 8. Поворот рукоятки позволяет одновременно или попеременно перекрывать отверстия, сообщающиеся с трубопроводами.
Методические указания
1. Необходимо разобраться в устройстве и принципе работы данного вида арматуры трубопроводов. 2. Распечатать задание на формате А3, выполнить сборочный чертеж крана распределительного на формате А2. 3. На чертеже выполнить следующие соединения: I – соединить ось 2 с рукояткой 3 посредством призматической шпонки. II – подсоединить к фланцу 4 угольник. III – выполнить соединение корпуса 1 с фланцем 5 болтами (резьба М12), установить шайбы по ГОСТ 11371-78 и гайки по ГОСТ 5915-70. IV – соединить фланец 4 с корпусом 1 шпильками (резьба М10, материал корпуса – сталь), установить шайбы ГОСТ 6402-70 и гайки ГОСТ 5915-70. V – закрепить рукоятку 3 через шайбу 8 на пробке 2 винтом (резьба М6), установив пружинную шайбу. 4. Заполнить спецификацию. 5. Заменить фланец 4 (литая деталь) сварной сборочной единицей, выполнив чертеж на формате А4. 6. Выполнить на листах формата А4 рабочие чертежи деталей принятой сборочной единицы.
КРАН РАСПРЕДЕЛИТЕЛЬНЫЙ 01.03.00.000 СБ КРАН РАСПРЕДЕЛИТЕЛЬНЫЙ 01.03.00.000 спецификация КРАН РАСПРЕДЕЛИТЕЛЬНЫЙ 01.03.00.000 3d сборка КРАН РАСПРЕДЕЛИТЕЛЬНЫЙ 01.03.00.000 чертежи Корпус 01.03.00.001 Пробка 01.03.00.002 Рукоятка 01.03.00.003 Фланец 01.03.00.004 Фланец 01.03.00.005 Прокладка 01.03.00.006 Прокладка 01.03.00.007 Шайба 01.03.00.008
Кран распределительный 01.03.00.000 СКАЧАТЬ
|
| |
|
|
| engineerklub | Дата: Четверг, 18.09.2025, 10:15 | Сообщение # 4 |
 Генералиссимус
Группа: Администраторы
Сообщений: 39110
Статус: Offline
| Кран распределительный 01.04.00.000 ВО ЧЕРТЕЖ
 Распределительный кран предназначен для одновременной или попеременной подачи жидкости по двум трубопроводам. Кран состоит из корпуса 1 и пробки 2. Уплотнение пробки осуществлено кольцами 18 (Кольцо 045-053-46-2-4 ГОСТ 9833-73*). К корпусу присоединяются три трубопровода: к резьбовым патрубкам фланца 5 и корпуса 1 и к угольнику, навернутому на фланец 4. Герметизация корпуса и фланца 4 осуществляется прокладкой 7, а фланца 5 и корпуса – прокладкой 6. На пробке установлена рукоятка 3 с помощью шайбы 8. Поворот рукоятки позволяет одновременно или попеременно перекрывать отверстия, сообщающиеся с трубопроводами. Методические указания 1. Необходимо разобраться в устройстве и принципе работы данного вида арматуры трубопровода. 2. Распечатать задание на формате А3, выполнить сборочный чертеж крана распределительного на формате А2. 3. На чертеже выполнить следующие соединения: I – подсоединить к фланцу 5 угольник; II – выполнить соединение корпуса с фланцем 5 болтами (резьба М12) по ГОСТ 7798- 70*, установить шайбы по ГОСТ 11371-78* и гайки по ГОСТ 5915-70*. III – соединить фланцы 4 с корпусом шпильками (резьба М8, материал корпуса - чугун), установить пружинные шайбы ГОСТ 6402-70* и гайки по ГОСТ 5915-70*. IV – закрепить рукоятку 3 на пробке 2 винтом (резьба М10) по ГОСТ 1478-93*. V – соединить пробку 2 с рукояткой 3 посредством призматической шпонки. 4. Заполнить спецификацию. 5. Заменить корпус 1 (литая деталь) сварной сборочной единицей, выполнив ее чертеж на формате А4. 6. Выполнить на листах формата А4 рабочие чертежи деталей принятой сборочной единицы.
Кран распределительный 01.04.00.000 СБ Кран распределительный 01.04.00.000 спецификация Кран распределительный 01.04.00.000 3d сборка Кран распределительный 01.04.00.000 чертежи Корпус 01.04.00.001 Пробка 01.04.00.002 Рукоятка 01.04.00.003 Фланец 01.04.00.004 Фланец 01.04.00.005 Прокладка 01.04.00.006 Прокладка 01.04.00.007
Кран распределительный 01.04.00.000 СКАЧАТЬ
|
| |
|
|
| engineerklub | Дата: Пятница, 19.09.2025, 09:45 | Сообщение # 5 |
 Генералиссимус
Группа: Администраторы
Сообщений: 39110
Статус: Offline
| Вентиль угловой 01.05.00.000 ВО ЧЕРТЕЖ
 Вентиль – устройство для регулирования расхода в трубопроводе пара, газа, воды или другой жидкости. Вентиль состоит из корпуса 1 и крышки 3. В крышке 3 в резьбовое отверстие установлен шпиндель 2. На нижнем хвостовике шпинделя 2 при помощи скобы 7 закреплен клапан 8, упирающийся в седло 9, установленное в корпусе. На верхнем конце шпинделя закреплен маховик 6. Втулка сальника 5, поджимает сальниковую набивку 22 (материал – пенька ПП ГОСТ 5152-84*). Трубопроводы подсоединяются к фланцу 4 и к угольнику, навернутому на патрубок корпуса. Крышка 3 с корпусом 1 уплотнена прокладкой 11. Герметизация фланца 4 с корпусом осуществляется прокладкой 10. Вращая маховик 6, перемещаем шпиндель 2 вместе с клапаном 8, регулируя расход жидкости (газа) в системе. Методические указания 1. Необходимо разобраться в устройстве и принципе работы данного вида арматуры трубопровода. 2. Распечатать задание на формате А3, выполнить сборочный чертеж вентиля углового на формате А2. 3. На чертеже выполнить следующие соединения: I – выполнить соединение корпуса 1 с фланцем 4 винтами (резьба М6) по ГОСТ 1491-80*. II – закрепить на шпинделе 2 маховик 6 установочным винтом (резьба М8) по ГОСТ 1478-93*. III – соединить шпиндель 2 с маховиком 6 призматической шпонкой. IV – втулку сальника 5 присоединить к корпусу 1 шпильками 20 (резьба М8, материал корпуса – алюминий), установить пружинные шайбы по ГОСТ 6402-70* и гайки по ГОСТ 5915-70*. V – соединить крышку 3 с корпусом 1 болтами (резьба М10) ГОСТ 7798-70*, установив шайбы по ГОСТ 11371-78 и гайки по ГОСТ 5915-70*. VI – подсоединить к корпусу угольник. 4. Заполнить спецификацию. 5. Заменить крышку 3 (литая деталь) сварной сборочной единицей, выполнив ее чертеж на формате А4. 6. Выполнить на листах формата А4 рабочие чертежи деталей принятой сборочной единицы.
Вентиль угловой 01.05.00.000 СБ Вентиль угловой 01.05.00.000 Спецификация Вентиль угловой 01.05.00.000 3d сборка Вентиль угловой 01.05.00.000 чертежи Корпус 01.05.00.001 Шпиндель 01.05.00.002 Крышка 01.05.00.003 Фланец 01.05.00.004 тулка сальника 01.05.00.005 Маховик 01.05.00.006 Скоба 01.05.00.007 Клапан 01.05.00.008 Седло 01.05.00.009 Прокладка 01.05.00.010 Прокладка 01.05.00.011
Вентиль угловой 01.05.00.000 СКАЧАТЬ
|
| |
|
|
| engineerklub | Дата: Понедельник, 22.09.2025, 09:10 | Сообщение # 6 |
 Генералиссимус
Группа: Администраторы
Сообщений: 39110
Статус: Offline
| Вентиль угловой 01.06.00.000 ВО ЧЕРТЕЖ
 Вентиль – устройство для регулирования в трубопроводе пара, газа, воды или другой жидкости. Вентиль состоит из корпуса 2 и шпинделя 3. На нижнем конце шпинделя при помощи резьбовой втулки 6 закреплен клапан 1, состоящий из: металлической втулки и наплавленной резиновой прокладки. На верхнем конце шпинделя закреплен маховик 5. Втулка сальника 4 уплотняет сальниковую набивку 22 (материал – пенька ПП ГОСТ 5152-84*). Трубопроводы присоединяются к угольнику, установленному на резьбовом патрубке фланца 10 и к патрубку фланца 9. Герметизация фланца 9 и корпуса осуществлена прокладкой 8. Для избежания утечки жидкости между стаканом 7, корпусом и фланцем 10 установлены прокладки 11. При вращении маховика 5 клапан 1, поднимаясь вверх вместе со шпинделем, открывает отверстие, регулируя расход жидкости (газа) в системе.
Методические указания 1. Необходимо разобраться в устройстве и принципе работы данного вида арматуры трубопровода. 2. Распечатать задание на формате А3, выполнить сборочный чертеж вентиля углового на формате А2. 3. На чертеже выполнить следующие соединения: I – подсоединить к фланцу 10 угольник. II – фланец 9 присоединить к корпусу 2 винтами (резьба М8). III – соединить втулку сальника 4 с корпусом шпильками (резьба М10, материал корпуса – чугун), установить пружинные шайбы по ГОСТ 6402-70* и гайки по ГОСТ 5915-70*. IV – закрепить на шпинделе 3 маховик 5 установочным винтом (резьба М6) по ГОСТ 1478-93*. V – выполнить соединение шпинделя 3 и втулки маховика 5 призматической шпонкой. VI – присоединить фланец 10 к корпусу 2 болтами (резьба М12) по ГОСТ 7798-70, установив шайбы ГОСТ 11371-78* и гайки по ГОСТ 5915-70*. 4. Заполнить спецификацию. 5. Заменить корпус 2 (литая деталь) сварной сборочной единицей, выполнив ее чертеж на формате А4. 6. Выполнить на листах формата А4 рабочие чертежи деталей принятой сборочной единицы.
Вентиль угловой 01.06.00.000 СБ Вентиль угловой 01.06.00.000 спецификация Вентиль угловой 01.06.00.000 3d сборка Вентиль угловой 01.06.00.000 чертежи Клапан 01.06.00.001 Корпус 01.06.00.002 Шпиндель 01.06.00.003 Втулка сальника 01.06.00.004 Маховик 01.06.00.005 Втулка 01.06.00.006 Стакан 01.06.00.007 Прокладка 01.06.00.008 Фланец 01.06.00.009 Фланец 01.06.00.010 Прокладка 01.06.00.011
Вентиль угловой 01.06.00.000 СКАЧАТЬ
|
| |
|
|
| engineerklub | Дата: Вторник, 23.09.2025, 06:39 | Сообщение # 7 |
 Генералиссимус
Группа: Администраторы
Сообщений: 39110
Статус: Offline
| Клапан предохранительный 01.07.00.000 ВО ЧЕРТЕЖ
 Предохранительный клапан предназначен для исключения в системе возможности повышения давления сверх установленного. Клапан состоит из корпуса 1 и фланца 8. В цилиндрическое отверстие фланца 8 входит клапан 2. Клапан 2 поджимается пружиной, регулируемой винтом 5, упирающимся в тарелку 6. Колпак 4 закрывает винт 5. Клапан присоединен к трубопроводу системы с помощью тройника, навернутого на резьбовой патрубок фланца 8. Фланец 3 соединяется трубопроводом с баком. Герметичность соединения корпуса 1 и фланцев 3 и 8 осуществляется прокладками 9 и 10. При повышении давления в системе клапан 2, сжимая пружину 7, открывает отверстие, и избыточная жидкость сливается в бак.
Методические указания 1. Необходимо разобраться в устройстве и принципе работы данного вида арматуры трубопровода. 2. Распечатать задание на формате А3, выполнить сборочный чертеж клапана предохранительного на формате А2. 3. На чертеже выполнить следующие соединения: I – присоединить фланец 3 к корпусу 1 шпильками (резьба М8, материал корпуса – чугун), установить пружинные шайбы по ГОСТ 6402-70* и гайки по ГОСТ 5915-70*. II – соединить колпак 4 с корпусом 1 винтами (резьба М6) по ГОСТ 17475-80. III – фланец 8 присоединить к корпусу 1 болтами (резьба М10) ГОСТ 7798-70, установив шайбы по ГОСТ 11371-78* и гайки по ГОСТ 5915-70*. IV – подсоединить к фланцу 8 тройник. 4. Заполнить спецификацию. 5. Заменить корпус 1 (литая деталь) сварной сборочной единицей, выполнив ее чертеж на формате А4. 6. Выполнить на листах формата А4 рабочие чертежи деталей принятой сборочной единицы.
Клапан предохранительный 01.07.00.000 сб Клапан предохранительный 01.07.00.000 спецификация Клапан предохранительный 01.07.00.000 3d сборка Клапан предохранительный 01.07.00.000 чертежи Корпус 01.07.00.001 Клапан 01.07.00.002 Фланец 01.07.00.003 Колпак 01.07.00.004 Винт 01.07.00.005 Тарелка 01.07.00.006 Пружина 01.07.00.007 Фланец 01.07.00.008 Прокладка 01.07.00.009 Прокладка 01.07.00.010
Клапан предохранительный 01.07.00.000 СКАЧАТЬ
|
| |
|
|
| engineerklub | Дата: Четверг, 25.09.2025, 08:10 | Сообщение # 8 |
 Генералиссимус
Группа: Администраторы
Сообщений: 39110
Статус: Offline
| Насос шестеренчатый 01.08.00.000 ВО ЧЕРТЕЖ
 Насос – машина для перемещения жидкости или получения сжатых газов. Насос состоит из корпуса 1, крышки 2 и фланца 3. В корпусе установлены шестерня 4 и вал-шестерня 7. Цилиндрический конец вала 7 посажен на подшипники 24 (подшипник 203 ГОСТ 8338-75), установленные во фланце 3. Подшипники расперты втулкой 10 и поджаты крышкой 6. На конце вала 7 закреплен шкив 5. Герметизация вала 7 осуществляется кольцом 23 (кольцо СГ 32-22-3,5 ГОСТ 418-81/МН180-61). Трубопроводы подсоединяются через муфту, навернутую на резьбовой патрубок корпуса 1 и к фланцу 8. Между корпусом 1 и фланцем 8 установлена прокладка 9. При вращении шестерен в полости насоса образуется вакуум, в который засасывается жидкость и перегоняется зубьями шестерен к фланцу 8.
Методические указания
1. Необходимо разобраться в устройстве и принципе работы данного механизма. 2. Распечатать задание на формате А3, выполнить сборочный чертеж насоса шестеренчатого на формате А2. 3. На чертеже выполнить следующие соединения: I – закрепить шкив 5 на валу 7 гайкой по ГОСТ 11871-88, используя шайбу по ГОСТ 11872-89. II – соединить вал 7 со шкивом 5 призматической шпонкой. III – установить цилиндрические штифты диаметром 8 мм. IV – крышку 2 прикрепить к корпусу винами (резьба М8) по ГОСТ 1491-80. V – соединить фланец 8 с корпусом 1 болтами (резьба М10) по ГОСТ 7798-70, установив шайбы по ГОСТ 11371-78* и гайки ГОСТ 5915-70. VI – подсоединить к корпусу муфту. VII – фланец 3 прикрепить к корпусу 1 шпильками (резьба М8, материал корпуса – сталь), установить пружинные шайбы по ГОСТ 6402-70* и гайки по ГОСТ 5915-70*. VIII – крышку 6 прикрепить к фланцу 3 винтами (резьба М8) по ГОСТ 1491-80* с пружинными шайбами. 4. Заполнить спецификацию. 5. Заменить фланец 3 (литая деталь) сварной сборочной единицей, выполнив ее чертеж на формате А4. 6. Выполнить на листах формата А4 рабочие чертежи деталей принятой сборочной единицы.
Насос шестеренчатый 01.08.00.000 сб Насос шестеренчатый 01.08.00.000 спецификация Насос шестеренчатый 01.08.00.000 3d сборка Насос шестеренчатый 01.08.00.000 чертежи Корпус 01.08.00.001 Крышка 01.08.00.002 Фланец 01.08.00.003 Шестерня 01.08.00.004 Шкив 01.08.00.005 Крышка 01.08.00.006 Вал-шестерня 01.08.00.007 Фланец 01.08.00.008 Прокладка 01.08.00.009 Втулка 01.08.00.010
Насос шестеренчатый 01.08.00.000 СКАЧАТЬ
|
| |
|
|
| engineerklub | Дата: Пятница, 26.09.2025, 07:20 | Сообщение # 9 |
 Генералиссимус
Группа: Администраторы
Сообщений: 39110
Статус: Offline
| Насос плунжерный 01.09.00.000 ВО ЧЕРТЕЖ
 Насос- машина, для перемещения жидкости или для получения сжатых газов. Перемещение жидкости осуществляется благодаря периодическому изменению объема рабочей полости насоса. Насос состоит из корпуса 1 и крышки 3. В крышке 3 установлен плунжер 2, отжимаемый пружиной 10. В корпусе установлен всасывающий клапан, представляющий втулку 8, пружину 9 и шарик 21 (Шарик ГОСТ 3722-80*). Внизу расположен клапан нагнетательный (Шарик 22, пружина 9, втулка 11). Трубопровод, подсоединяемый к фланцу 6, подходит к емкости. Трубопровод, идущий в систему, подсоединяется через муфту к фланцу 13. Герметизация корпуса с крышкой 3 и фланцами осуществлена прокладками 4, 7, 12. Уплотнение плунжера выполнено кольцами 5. Возвратно-поступательное движение плунжера 2, осуществляется от эксцентрика. При разряжении в полости насоса масло из емкости забрасывается через фланец 6. При возрастании давления открывается нагнетательный клапан и масло из насоса поступает в систему.
Методические указания 1. Необходимо разобраться в устройстве и принципе работы данного механизма. 2. Распечатать задание на формате А3, выполнить сборочный чертеж насоса плунжерного на формате А2. 3. На чертеже выполнить следующие соединения: I - крышку 3 присоединить к корпусу 1 шпильками (резьба М8, материал корпуса- чугун), установить пружинные шайбы по ГОСТ 6402-70* и гайки по ГОСТ 5915-70*. II - соединить фланец 6 с корпусом болтами (резьба М10) ГОСТ 7798-70*, установить шайбы по ГОСТ 11371-78* и гайки по ГОСТ 5915-70*. III - прикрепить фланец 13 к корпусу винтами (резьба М6) по ГОСТ 1491-80*. IV - подсоединить к фланцу 13 муфту. 4. Заполнить спецификацию. 5. Заменить корпус 1 (литая деталь) сварной сборочной единицей, выполнив ее чертеж на формате А4. 6. Выполнить на листах формата А4 рабочие чертежи деталей принятой сборочной единицы.
Насос плунжерный 01.09.00.000 сб Насос плунжерный 01.09.00.000 спецификация Насос плунжерный 01.09.00.000 3d сборка Насос плунжерный 01.09.00.000 чертежи Корпус 01.09.00.001 сб Плунжер 01.09.00.002 Крышка 01.09.00.003 Прокладка 01.09.00.004 Кольцо 01.09.00.005 Фланец 01.09.00.006 Прокладка 01.09.00.007 Втулка 01.09.00.008 Пружина 01.09.00.009 Пружина 01.09.00.010 Втулка 01.09.00.011 Прокладка 01.09.00.012 Фланец 01.09.00.013
Насос плунжерный 01.09.00.000 СКАЧАТЬ
|
| |
|
|
| engineerklub | Дата: Суббота, 27.09.2025, 14:25 | Сообщение # 10 |
 Генералиссимус
Группа: Администраторы
Сообщений: 39110
Статус: Offline
| Насос шестеренчатый 01.10.00.000 ВО ЧЕРТЕЖ
 Насос- машина, для подъема и перемещения жидкости или получения сжатых газов. Он состоит из пары зубчатых колес, установленных в корпусе 1, и крышек 2 и 3. В крышки 2 и 3 запрессованы втулки 9, являющиеся опорами для вала 6 и оси 7. Для уплотнения вала 6 в крышке 2 поставлены сальниковые войлочные кольца 19 (кольцо СГ 26-16-35 ГОСТ 6418-81*), которые поджимаются сальниковой крышкой 5. Трубопроводы подсоединяются к корпусу через трубы 8. Для подсоединения ветви трубопровода ведущей в систему используется муфта. При вращении шестерен в полости насоса образуется вакуум и жидкость засасывается из бака. Зубья шестерен перегоняют жидкость из насоса через муфту в систему трубопровода.
Методические указания 1. Необходимо разобраться в устройстве и принципе работы данного механизма. 2. Распечатать задание на формате А3, выполнить сборочный чертеж насоса шестеренчатого на формате А2. 3. На чертеже выполнить следующие соединения: I – крышку 2 соединить с корпусом болтами (резьба М10) по ГОСТ 7798-70*, поставив шайбы по ГОСТ 11371-78* и гайки по ГОСТ 5915-70*. II – соединить крышку 3 с корпусом 1 винтами (резьба М10) по ГОСТ 17473-80*. III – крышку сальника 5 присоединить к крышке 2 шпильками (резьба М8, материал крышки 2 - сталь), поставить пружинные шайбы по ГОСТ 6402-70* и гайки по ГОСТ 5915-70*. IV – соединить зубчатое колесо 4 с осью 7 посредством призматической шпонки. V – присоединить к трубе 8 муфту. 4. Заполнить спецификацию. 5. Заменить крышку 3 (литая деталь) сварной сборочной единицей, выполнив ее чертеж на формате А4. 6. Выполнить на листах формата А4 рабочие чертежи деталей принятой сборочной единицы.
Насос шестеренчатый 01.10.00.000 СБ Насос шестеренчатый 01.10.00.000 спецификация Насос шестеренчатый 01.10.00.000 3d сборка Насос шестеренчатый 01.10.00.000 чертежи Корпус 01.10.00.001 Крышка 01.10.00.002 Крышка 01.10.00.003 Зубчатое колесо 01.10.00.004 Крышка сальника 01.10.00.005 Вал 01.10.00.006 Ось 01.10.00.007 Труба 01.10.00.008 Втулка 01.10.00.009
Насос шестеренчатый 01.10.00.000 СКАЧАТЬ
|
| |
|
|
| engineerklub | Дата: Вторник, 30.09.2025, 16:05 | Сообщение # 11 |
 Генералиссимус
Группа: Администраторы
Сообщений: 39110
Статус: Offline
| Цилиндр воздушный 01.11.00.000 ВО ЧЕРТЕЖ
 Цилиндр воздушный – устройство, устанавливаемое в тормозной системе подвижного состава. Цилиндр состоит из корпуса 1, крышки 5 и поршня 2, закрепленного на штоке 3. Для уплотнения поршня применены поршневые кольца 6. Для герметизации между крышкой 5 и корпусом 1 помещена прокладка 8. Сальниковая втулка 4 уплотняет шток 3 сальниковой набивкой 21 (материал – пенька ПП ГОСТ 5152-84*). К резьбовым отверстиям корпуса подсоединяются трубопроводы, ведущие к запасному резервуару и в тормозной цилиндр. Резьбовой патрубок корпуса подключается через муфту к запасному резервуару. При повышении давления в системе воздух сбрасывается и тормозного цилиндра в атмосферу, а в воздушной магистрали, за счет опускания поршня, воздух перегоняется в запасные резервуары.
Методические указания 1. Необходимо разобраться в устройстве и принципе работы данного механизма. 2. Распечатать задание на формате А3, выполнить сборочный чертеж цилиндра воздушного на формате А2. 3. На чертеже выполнить следующие соединения: I – крышку 5 присоединить к корпусу 1 болтами (резьба М12) по ГОСТ 7798-70*, установить шайбы по ГОСТ 11371-78* и гайки по ГОСТ 5915-70*. II – крышку сальника 4 присоединить к корпусу 1 шпильками (резьба М10, материал корпуса - чугун), установить пружинные шайбы по ГОСТ 6402-70* и гайки по ГОСТ 5915-70*. III – закрепить поршень 2 на штоке 3 посредством гайки, шайбы и шплинта. IV – ввернуть в крышку 5 пробку (резьба М20?1,5) по ОСТ 26.260.460-99*; V – закрепить втулку 7 на штоке установочным винтом (резьба М4) по ГОСТ 1477-93*. VI – соединить штуцер корпуса 1 с муфтой. 4. Заполнить спецификацию. 5. Заменить корпус 1 (литая деталь) сварной сборочной единицей, выполнив ее чертеж на формате А4. 6. Выполнить на листах формата А4 рабочие чертежи деталей принятой сборочной единицы.
Цилиндр воздушный 01.11.00.000 СБ Цилиндр воздушный 01.11.00.000 спецификация Цилиндр воздушный 01.11.00.000 3d сборка Цилиндр воздушный 01.11.00.000 чертежи Корпус 01.11.00.001 сб Поршень 01.11.00.002 Шток 01.11.00.003 Сальниковая втулка 01.11.00.004 Крышка 01.11.00.005 Поршневое кольцо 01.11.00.006 Втулка 01.11.00.007 Прокладка 01.11.00.008
Цилиндр воздушный 01.11.00.000 СКАЧАТЬ
|
| |
|
|
| engineerklub | Дата: Среда, 01.10.2025, 15:13 | Сообщение # 12 |
 Генералиссимус
Группа: Администраторы
Сообщений: 39110
Статус: Offline
| Клапан перепускной 01.12.00.000 ВО ЧЕРТЕЖ
 Перепускные предохранительные клапаны являются элементами системы, в которой возможно повышение давления, но оно не желательно. Клапан состоит из корпуса 1, крышки 4, фланцев 3 и 7. Давление при котором срабатывает клапан 2, регулируется пружиной 8, седлом 6 и ходовым винтом 5 посредством рукоятки 9. Уплотнение корпуса с крышкой и фланцамиосуществляется прокладками 10,11 и 12. Рабочая среда поступает в правое отверстие корпуса 1 и дальше через нижнее отверстие к обслуживающему объекту. Если в магистрали повышается давление сверх допустимого, срабатывает клапан 2. Под избыточным давлением он поднимается и пропускает рабочую среду в запасную емкость через левое отверстие корпуса, фланец 7 и муфту.
Методические указания 1. Необходимо разобраться в устройстве и принципе работы данного элемента системы. 2. Распечатать задание на формате А3, выполнить сборочный чертеж клапана перепускного на формате А2. 3. На чертеже выполнить следующие соединения: I – соединить рукоятку 9 с винтом 5 посредством призматической шпонки. II – присоединить к корпусу 1 фланец 3 болтами (резьба М10) по ГОСТ 7798-70*, установить шайбы по ГОСТ 11371-78* и гайки по ГОСТ 5915-70. III – выполнить соединение фланца 7 с корпусом 1 винтами (резьба М10) по ГОСТ 1491- 80*. IV – крышку 4 присоединить к корпусу 1 шпильками (резьба М8, материал корпуса - чугун), установить пружинные шайбы по ГОСТ 6402-70* и гайки по ГОСТ 5915-70. V – закрепить на винте 5 рукоятку 9 посредством гайки, шайбы и шплинта. VI – соединить фланец 7 с угольником. 4. Заполнить спецификацию. 5. Заменить корпус 1 (литая деталь) сварной сборочной единицей, выполнив ее чертеж на формате А4. 6. Выполнить на листах формата А4 рабочие чертежи деталей принятой сборочной единицы.
Клапан перепускной 01.12.00.000 СБ Клапан перепускной 01.12.00.000 спецификикация Клапан перепускной 01.12.00.000 3d сборка Клапан перепускной 01.12.00.000 чертежи Корпус 01.12.00.001 Клапан 01.12.00.002 Фланец 01.12.00.003 Крышка 01.12.00.004 Винт 01.12.00.005 Седло 01.12.00.006 Фланец 01.12.00.007 Пружина 01.12.00.008 укоятка 01.12.00.009 Прокладка 01.12.00.010 Прокладка 01.12.00.011 Прокладка 01.12.00.012
Клапан перепускной 01.12.00.000 СКАЧАТЬ
|
| |
|
|
| engineerklub | Дата: Четверг, 02.10.2025, 10:47 | Сообщение # 13 |
 Генералиссимус
Группа: Администраторы
Сообщений: 39110
Статус: Offline
| Вентиль угловой 01.13.00.000 ВО ЧЕРТЕЖ
 Вентиль – запорное устройство для включения или выключения участка трубопровода, а также для регулирования движения в трубопроводе пара, газа или жидкости. Корпус 1 соединен с крышкой 2 и с фланцем 7. Подача жидкости регулируется ручкой 8, соединенной со шпинделем 3. Шпиндель соединен посредством проволочной скобы 10 с клапаном 4. При повороте ручки клапан поднимается или опускается. При этом меняется зазор между клапаном 4 и втулкой 5, а, следовательно, и количество пропускаемой жидкости. Герметизация корпуса с крышкой 2 и фланцем 7 осуществляется с помощью прокладок 9 и 11. Уплотнение шпинделя осуществляется поджатием крышкой сальника 6 сальниковой набивкой 24 (материал – пенька ПП ГОСТ 5152-84*). Трубопровод подсоединяется к фланцу 7 через тройник. Методические указания 1. Необходимо разобраться в устройстве и принципе работы данного вида арматуры трубопровода. 2. Распечатать задание на формате А3, выполнить сборочный чертеж вентиля углового на формате А2. 3. На чертеже выполнить следующие соединения: I – соединить ручку 8 со шпинделем 3 посредством призматической шпонки. II – крышку 2 присоединить к корпусу 1 болтами (резьба М10) по ГОСТ 7748-70*, используя шайбы по ГОСТ 11371-78* и гайки по ГОСТ 5915-70*. III – фланец 7 присоединить к корпусу 1 винтами (резьба М10) по ГОСТ 1491-80*. IV – крышку 2 соединить с крышкой сальника 6 шпильками (резьба М8, материал крышки сальника - чугун), установить пружинные шайбы по ГОСТ 6402-70* и гайки по ГОСТ 5915 70. V – к фланцу 7 присоединить тройник. VI – ручку 8 закрепить на шпинделе 3 посредством гайки, шайбы и шплинта. 4. Заполнить спецификацию. 5. Заменить фланец 7 (литая деталь) сварной сборочной единицей, выполнив ее чертеж на формате А4. 6. Выполнить на листах формата А4 рабочие чертежи деталей принятой сборочной единицы.
Вентиль угловой 01.13.00.000 сб Вентиль угловой 01.13.00.000 спецификация Вентиль угловой 01.13.00.000 3d сборка Вентиль угловой 01.13.00.000 чертежи Корпус 01.13.00.001 Крышка 01.13.00.002 Шпиндель 01.13.00.003 Клапан 01.13.00.004 Втулка 01.13.00.005 Крышка сальника 01.13.00.006 Фланец 01.13.00.007 Ручка 01.13.00.008 Прокладка 01.13.00.009 Скоба 01.13.00.010 Прокладка 01.13.00.011
Вентиль угловой 01.13.00.000 СКАЧАТЬ
|
| |
|
|
| engineerklub | Дата: Пятница, 03.10.2025, 10:20 | Сообщение # 14 |
 Генералиссимус
Группа: Администраторы
Сообщений: 39110
Статус: Offline
| Регулятор 01.14.00.000 ВО ЧЕРТЕЖ
 Регулятор – устройство, регулирующее величину проходящей через трубопроводы рабочей среды путем частичного или полного перекрытия проходного отверстия. К корпусу 1 присоединены фланцы 3,4 и крышка 2. В крышку ввернут шток, на котором с помощью проволочной скобы 13 закреплен клапан 6. При помощи рукоятки 9, соединенной со штоком 5 осуществляется подъем и опускание клапана 6. Для полного перекрытия рабочего отверстия используется уплотнительное кольцо 12. Герметизация корпуса с крышкой 2 и фланцами 3,4 осуществлена прокладками 10 и 11. Уплотнение штока выполнено крышкой сальника 8 и накидной гайкой 7 посредством сальниковой набивки 25 (материал – пенька ПП по ГОСТ 5152-84*). Присоединение трубопровода выполняется снизу к резьбовому патрубку фланца 3, слева через тройник к фланцу 4.
Методические указания 1. Необходимо разобраться в устройстве и принципе работы данного вида арматуры трубопровода. 2. Распечатать задание на формате А3, выполнить сборочный чертеж регулятора на формате А2. 3. На чертеже выполнить следующие соединения: I – соединить рукоятку 9 со штоком 5 при помощи призматической шпонки. II – соединить фланец 4 с корпусом 1 болтами по ГОСТ 7798-70* (резьба М12), установив шайбы по ГОСТ 11371-78* и гайки по ГОСТ 5915-70*. III – выполнить соединение фланца 3 с корпусом 1 винтами по ГОСТ 1491-80* (резьба М10). IV – крышку 2 прикрепить к корпусу 1 шпильками (резьба М8, материал корпуса - чугун), установить пружинные шайбы по ГОСТ 6402-70* и гайки по ГОСТ 5915-70*. V – закрепить рукоятку 9 на штоке 5 гайкой по ГОСТ 5915-70* и шайбой по ГОСТ 11371- 78*. VI – присоединить к фланцу 4 тройник. 4. Заполнить спецификацию. 5. Заменить фланец 4 (литая деталь) сварной сборочной единицей, выполнив ее чертеж на формате А4. 6. Выполнить на листах формата А4 рабочие чертежи деталей принятой сборочной единицы.
Регулятор 01.14.00.000 сб Регулятор 01.14.00.000 спецификация Регулятор 01.14.00.000 3d сборка Регулятор 01.14.00.000 чертежи Корпус 01.14.00.001 Крышка 01.14.00.002 Фланец 01.14.00.003 Фланец 01.14.00.004 Шток 01.14.00.005 Клапан 01.14.00.006 Накидная гайка 01.14.00.007 Крышка сальника 01.14.00.008 рукоятка 01.14.00.009 Прокладка 01.14.00.010 Прокладка 01.14.00.011 Кольцо 01.14.00.012 Скоба 01.14.00.013
Регулятор 01.14.00.000 СКАЧАТЬ
|
| |
|
|
| engineerklub | Дата: Суббота, 04.10.2025, 09:09 | Сообщение # 15 |
 Генералиссимус
Группа: Администраторы
Сообщений: 39110
Статус: Offline
| Пневмоцилиндр 01.15.00.000 ВО ЧЕРТЕЖ
 Пневмоцилиндры распространены в приводах машин (особенно автоматических линий). Они приводят в движение рабочие органы, когда требуется преодолеть сопротивление при прямом и обратном ходе. В корпусе 1 соединенном с крышкой 5 перемещается поршень 3, связанный со штоком 2, к которому присоединен рабочий орган механизма. Поршневые разрезные кольца 6 служат для уплотнения поршня. Уплотнение штока осуществлено поджатием крышкой сальника 4 сальниковой набивки 19 (материал – пенька ПП ГОСТ 5152-84*). Герметизация корпуса 1 и крышки 5 осуществляется прокладкой 7. Наконечники шлангов компрессора ввинчиваются в резьбовое отверстие крышки 5 и в угольник, соединенный с резьбовым патрубком корпуса 1.
Методические указания 1. Необходимо разобраться в устройстве и принципе работы данного вида пневмоцилиндр. 2. Распечатать задание на формате А3, выполнить сборочный чертеж пневмоцилиндра на формате А2. 3. На чертеже выполнить следующие соединения: I – крышку 5 соединить с корпусом 1 болтами по ГОСТ 7798-70* (резьба М12), установить шайбы по ГОСТ 11371-78* и гайки по ГОСТ 5915-70*. II – крышку сальника 4 соединить с корпусом 1 шпильками (резьба М10, материал корпуса - чугун), установить пружинные шайбы по ГОСТ 6402-70* и гайки по ГОСТ 5915-70*. III – поршень 3 закрепить на штоке 2 гайкой, шайбой и шплинтом. IV – ввернуть в крышку 5 пробку (резьба М12?1, 25) по ОСТ 26.260.460-99. V – присоединить к корпусу 1 угольник. 4. Заполнить спецификацию. 5. Заменить корпус 1 (литая деталь) сварной сборочной единицей, выполнив ее чертеж на формате А4. 6. Выполнить на листах формата А4 рабочие чертежи деталей принятой сборочной единицы.
Пневмоцилиндр 01.15.00.000 СБ Пневмоцилиндр 01.15.00.000 спецификация Пневмоцилиндр 01.15.00.000 3d сборка Пневмоцилиндр 01.15.00.000 чертежи Корпус 01.15.00.001 Шток 01.15.00.002 Поршень 01.15.00.003 Крышка сальника 01.15.00.004 Крышка 01.15.00.005 Кольцо 01.15.00.006 Прокладка 01.15.00.007
Пневмоцилиндр 01.15.00.000 СКАЧАТЬ
|
| |
|
|