|
Сборочные чертежи
|
|
| engineerklub | Дата: Суббота, 07.06.2025, 08:16 | Сообщение # 391 |
 Генералиссимус
Группа: Администраторы
Сообщений: 38091
Статус: Offline
| Клапан предохранительный МЧ.04.05.000 ЧЕРТЕЖ
 Клапан предохранительный ставится в трубопроводах, системах управления и регулирования для сбрасывания избыточного давления жидкостей или пара. Клапан регулируется на определенное давление винтом 4, который фиксируется гайкой 8 (М24 ГОСТ 5915-70). При увеличении давления выше нормы жидкость или пар давят на клапан 6, который сжимает пружину 7, помещенную между клапаном и опорой 5. При этом жидкость или пар выходят через отверстия клапана 6 и корпуса 1. При нормальном давлении жидкости или газа пружина 7 перемещает клапан 6 в исходное положение. Для обеспечения хорошей герметичности поверхность клапана притирается к седлу 2. Гайка 3 навинчивается на резьбовой конец седла 2.
На чертеже клапан изобразить в закрытом положении в масштабе 1:1.
Клапан предохранительный МЧ.04.05.000 сб Клапан предохранительный МЧ.04.05.000 спецификация Клапан предохранительный МЧ.04.05.000 3d сборка Клапан предохранительный МЧ.04.05.000 чертежи Корпус МЧ.04.05.001 Седло МЧ.04.05.002 Гайка МЧ.04.05.003 Винт МЧ.04.05.004 Опора МЧ.04.05.005 Клапан МЧ.04.05.006 Пружина МЧ.04.05.007
Клапан предохранительный МЧ.04.05.000 СКАЧАТЬ
|
| |
|
|
| engineerklub | Дата: Суббота, 07.06.2025, 19:00 | Сообщение # 392 |
 Генералиссимус
Группа: Администраторы
Сообщений: 38091
Статус: Offline
| Вентиль АГПС.121301.000 ЧЕРТЕЖ
 Вентиль АГПС.121301.000 сб Вентиль АГПС.121301.000 срецификация Вентиль АГПС.121301.000 3d сборка Вентиль АГПС.121301.000 чертежи Рукоятка АГПС.121301.001 Втулка сальника АГПС.121301.002 Гайка накидная АГПС.121301.003 Прокладка АГПС.121301.004 Шайба специальная АГПС.121301.005 Шпиндель АГПС.121301.006 Корпус АГПС.121301.007 Гайка накидная АГПС.121301.008 Ниппель АГПС.121301.009 пластина АГПС.121301.010
Вентиль АГПС.121301.000 СКАЧАТЬ
|
| |
|
|
| engineerklub | Дата: Пятница, 27.06.2025, 11:21 | Сообщение # 393 |
 Генералиссимус
Группа: Администраторы
Сообщений: 38091
Статус: Offline
| Резцедержатель откидной М8.04.000 СБ ЧЕРТЕЖ Резцедержатель откидной. Вариант 4
 1. На формате А3 по заданию начертить сборочный чертеж в масштабе 1:1. 2. По сборочному чертежу и перечню входящих в него элементов составить спецификацию по ГОСТ 2.106–2019. 3. Расставить номера позиций в соответствии со спецификацией.
Резцедержатель откидной М8.04.000 сб Резцедержатель откидной М8.04.000 спецификация
Резцедержатель откидной М8.04.000 СКАЧАТЬ
|
| |
|
|
| engineerklub | Дата: Среда, 02.07.2025, 18:16 | Сообщение # 394 |
 Генералиссимус
Группа: Администраторы
Сообщений: 38091
Статус: Offline
| Клапан 4.000.11.00 ЧЕРТЕЖ
 Клапан - устройство для выпуска жидкостей. При повышении давления сверх установленного, жидкость поступает в отверстие корпуса 1 и сдвигает седло 5. Далее жидкость поступает в отверстие между корпусом 1 и ребрами седла 5 и вытекает из отверстия штуцера 3. При понижении давления пружина 4, зафиксированная между седлом и втулкой 2, возвращается в исходное положение и перекрывает поток.
Клапан 4.000.11.00 сб Клапан 4.000.11.00 спецификация Клапан 4.000.11.00 3d сборка Клапан 4.000.11.00 чертежи Корпус 4.000.11.01 Втулка 4.000.11.02 Штуцер 4.000.11.03 Пружина 4.000.11.04 Седло 4.000.11.05
Клапан 4.000.11.00 СКАЧАТЬ
|
| |
|
|
| engineerklub | Дата: Четверг, 25.09.2025, 09:35 | Сообщение # 395 |
 Генералиссимус
Группа: Администраторы
Сообщений: 38091
Статус: Offline
| Клапан предохранительный КИГД.ХХ0Х07.000 ЧЕРТЕЖ
 Клапан предохранительный предназначен для исключения возможности повышения давления сверх установленного в обслуживаемом объекте путем сброса рабочей среды. Клапан состоит из корпуса 1, в нижней части которого установлен фланец 2 при помощи болтов 11, гаек 14 и шайб 16 . В цилиндрическое отверстие фланца 2 входит клапан 3, который торцевой плоскостью цилиндрического бортика клапана упирается в торцевую плоскость верхней части фланца. В верхний торец цилиндрического буртика клапана 2 упирается пружина 4, регулируемая винтом 6, упирающимся в тарелку 5. На чертеже клапан 3 изображен в закрытом положении. При повышении давления жидкость в системе, находящаяся в полости отверстия фланца 2 под клапаном 3, давит на него. Клапан 3 , сжимая пружину 4, открывает отверстие во фланце 2, и избыточная жидкость через отверстие во фланце 8, закрепленном шпилькой 17, гайкой 13 и шайбой 15, сливается по трубопроводу в бак (трубопроводы на чертеже не изображены). Регулировочный винт 6 закрыт колпаком 7 при помощи винтов 12. Герметичность устройства обеспечивается прокладками 9 и 10.
Задание 1. Перечертить заданные изображения тонкими линиями в масштабе 1:1 на формат А2 (А1) без нанесения штриховки, линий- выносок и номеров позиций. 2. Вычертить соединения (положение крепежных деталей указано осями): а) корпуса 1 и фланца 3 при помощи болтов М12 ГОСТ 7798-70, гаек М12 ГОСТ 5915-70, шайб 12 ГОСТ 6402-70, поз.11, 14, 16; б) корпуса 1 и фланца 8 при помощи шпилек М10 ГОСТ 22034-76, гаек М10 ГОСТ 5915-70, шайб 10 ГОСТ 6402-70, поз.13, 15, 17 (материал корпуса – чугун); в) корпуса 1 и колпака 7 при помощи винтов М8 ГОСТ 17475-80, поз.12. 3. Выполнить штриховку разрезов. 4. Вычертить линии- выноски ко всем деталям. 5. На отдельных листах формата А4 составить спецификацию. 6. Проставить номера позиций согласно спецификации. 7. Проставить необходимые размеры на сборочном чертеже. Обвести чертеж.
Клапан предохранительный КИГД.ХХ0Х07.000 СБ Клапан предохранительный КИГД.ХХ0Х07.000 спецификация Клапан предохранительный КИГД.ХХ0Х07.000 3d сборка Клапан предохранительный КИГД.ХХ0Х07.000 чертежи Корпус КИГД.ХХ0Х07.001 Фланец КИГД.ХХ0Х07.002 Клапан КИГД.ХХ0Х07.003 Пружина КИГД.ХХ0Х07.004 Тарелка КИГД.ХХ0Х07.005 Винт КИГД.ХХ0Х07.006 Колпак КИГД.ХХ0Х07.007 Фланец КИГД.ХХ0Х07.008 Прокладка КИГД.ХХ0Х07.009 Прокладка КИГД.ХХ0Х07.010
Клапан предохранительный КИГД.ХХ0Х07.000 СКАЧАТЬ
|
| |
|
|
| engineerklub | Дата: Суббота, 18.10.2025, 15:48 | Сообщение # 396 |
 Генералиссимус
Группа: Администраторы
Сообщений: 38091
Статус: Offline
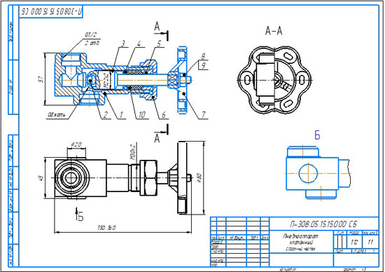
| Пневмоаппарат клапанный П-308.05.15.15.000 ЧЕРТЕЖ
 Клапанный пневмоаппарат предназначен для перекрытия трубопроводов. Конический клапан 2, завальцованный в конце шпинделя 3, при вращении последнего перемещается с ним в осевом направлении и перекрывает своим конусом проходное отверстие. Клапан завальцован в шпиндель с зазором, позволяющим центрироваться конусу клапана по конусу перекрываемого отверстия и свободно вращаться относительно шпинделя. Это предохраняет рабочую коническую поверхность от быстрого разрушения.
Пневмоаппарат клапанный П-308.05.15.15.000 сб Пневмоаппарат клапанный П-308.05.15.15.000 спецификация Пневмоаппарат клапанный П-308.05.15.15.000 3д модель Пневмоаппарат клапанный П-308.05.15.15.000 чертежи Корпус П-308.05.15.15.001 Клапан П-308.05.15.15.002 Шпиндель П-308.05.15.15.003 Кольцо сальника П-308.05.15.15.004 Втулка сальника П-308.05.15.15.005 Гайка накидная П-308.05.15.15.006 Маховичок П-308.05.15.15.007
Пневмоаппарат клапанный П-308.05.15.15.000 СКАЧАТЬ
|
| |
|
|
| engineerklub | Дата: Воскресенье, 26.10.2025, 13:37 | Сообщение # 397 |
 Генералиссимус
Группа: Администраторы
Сообщений: 38091
Статус: Offline
| Масленка 4.000.11.00 ЧЕРТЕЖ
 Описание работы сборочный единицы
Масленка - приспособление для смазки трущихся поверхностей в механизмах и машинах. Смазочный материал подается за счет передвижения по резьбе верхнего отверстия корпуса 1 тавотницы 2. Тавотница 2 сдвигает шарик 3, перекрывающий подачу смазочного материала. Для прекращения подачи смазки, тавотница 2 выкручивается в обратную сторону, пружина 4, упирающаяся в штифт 5, возвращает шарик в пероначальное положение.
Задание
Построить электронную модель сборочной единицы. Выполнить необходимые рабочие чертежи деталей, входящих в состав сборочной единицы.
Масленка 4.000.11.00 сб Масленка 4.000.11.00 спецификация Масленка 4.000.11.00 3d сборка Масленка 4.000.11.00 чертежи Корпус 4.000.11.01 Тавотница 4.000.11.02 Шарик 4.000.11.03 Пружина 4.000.11.04 Штифт 4.000.11.05
Масленка 4.000.11.00 СКАЧАТЬ
|
| |
|
|
| engineerklub | Дата: Вторник, 04.11.2025, 07:56 | Сообщение # 398 |
 Генералиссимус
Группа: Администраторы
Сообщений: 38091
Статус: Offline
| Опора роликовая. Вариант 13 ЧЕРТЕЖ
 Техническое описание устройства изделия «Опора роликовая»
Опоры роликовые применяются для установки при разметке круговых цилиндрических деталей и деталей, имеющих круговые цилиндрические концы и шейки. Детали, подлежащие разметке, устанавливаются на ролики 2, которые своими цапфами входят в прорези щек 1. Ролики 2 – сменные и имеют различные диаметры. Расположение щек относительно друг друга обеспечивается втулками 4. Щеки 1 стягиваются стяжками 3 при помощи гаек 5, для предотвращения от самоотвинчивания которых служат шайбы пружинные 6.
Опора роликовая. 013.003.001.000 СБ Опора роликовая. 013.003.001.000 спецификация Опора роликовая. 013.003.001.000 3d сборка Опора роликовая. 013.003.001.000 чертежи Щека 013.003.001.001 Ролик 013.003.001.002 Стяжка 013.003.001.003 Втулка 013.003.001.004
Опора роликовая. Вариант 13 СКАЧАТЬ
|
| |
|
|
| engineerklub | Дата: Четверг, 06.11.2025, 06:54 | Сообщение # 399 |
 Генералиссимус
Группа: Администраторы
Сообщений: 38091
Статус: Offline
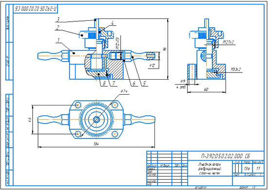
| Пневмоклапан редукционный П-392.05.02.02.000 ЧЕРТЕЖ
 Редукционный пневмоклапан предназначен для регулирования - ограничения и поддержания постоянного давления рабочей среды в трубопроводе. Допустимое давление в отводящей ветви ограничивается плунжером 3, перекрывающим трубопровод при возрастании давления выше предусмотренного, и регулируется нажимом крышки 2 на пружину 4.
Пневмоклапан редукционный П-392.05.02.02.000 сб Пневмоклапан редукционный П-392.05.02.02.000 спецификация Пневмоклапан редукционный П-392.05.02.02.000 3d сборка Пневмоклапан редукционный П-392.05.02.02.000 чертежи Корпус П-392.05.02.02.001 Крышка П-392.05.02.02.002 Плунжер П-392.05.02.02.003 Пружина П-392.05.02.02.004 Штуцер П-392.05.02.02.005 Прокладка П-392.05.02.02.006 Прокладка П-392.05.02.02.007 Пробка П-392.05.02.02.008
Пневмоклапан редукционный П-392.05.02.02.000 СКАЧАТЬ
|
| |
|
|
| engineerklub | Дата: Четверг, 06.11.2025, 09:38 | Сообщение # 400 |
 Генералиссимус
Группа: Администраторы
Сообщений: 38091
Статус: Offline
| Тиски трубные. Вариант 16 ЧЕРТЕЖ
 Техническое описание устройства изделия «Тиски трубные» Тиски трубные служат для закрепления труб при нарезании резьбы и других работ. Труба закладывается в прорезь корпуса 1 и прижимается к его опорной поверхности ползуном 3 при помощи винта 2, в головку которого вставлена рукоятка 4 с кольцом 5 для предохранения от ее выпадения. Для того чтобы ползун при вращении винта 2 перемещался вместе с ним, соединение их осуществлено при помощи двух штифтов 6, входящих в кольцевую проточку винта 2.
Тиски трубные 016.003.001.00 сб Тиски трубные 016.003.001.00 спецификация Тиски трубные 016.003.001.00 3d сборка Тиски трубные 016.003.001.00 чертежи Корпус 016.003.001.01 Винт 016.003.001.02 Ползун 016.003.001.03 Рукоятка 016.003.001.04 Кольцо 016.003.001.05
Тиски трубные. Вариант 16 СКАЧАТЬ
|
| |
|
|
| engineerklub | Дата: Пятница, 07.11.2025, 08:53 | Сообщение # 401 |
 Генералиссимус
Группа: Администраторы
Сообщений: 38091
Статус: Offline
| Подпорка винтовая. Вариант 9 ЧЕРТЕЖ
 Техническое описание устройства изделия «Подпорка винтовая»
Подпорки винтовые применяются в качестве регулирующихся по высоте опор для установки деталей при их обработке на станках. В гладкое отверстие корпуса 1 вставлен винт 2 с резьбой. Винт 2 имеет продольный паз прямоугольного поперечного сечения. Конец винта 4, вверну- того в отверстие корпуса 1, входит в паз винта 2 и не дает винту 2 вращаться в корпусе 1. На винт 2 навинчена гайка 3, нижней частью входящая в расточку корпуса 1. При вращении гайки 3 винт 2 будет либо подниматься, либо опускаться, так как конец винта 4 не дает возможности вращаться винту 2.
Подпорка винтовая 009.003.001.000 сб Подпорка винтовая 009.003.001.000 спецификация Подпорка винтовая 009.003.001.000 3d сборка Подпорка винтовая 009.003.001.000 чертежи Корпус 009.003.001.001 Винт 009.003.001.002 Гайка 009.003.001.003
Подпорка винтовая. Вариант 9 СКАЧАТЬ
|
| |
|
|
| engineerklub | Дата: Пятница, 14.11.2025, 10:21 | Сообщение # 402 |
 Генералиссимус
Группа: Администраторы
Сообщений: 38091
Статус: Offline
| Цилиндр пневмогидравлический УСП-632 ЧЕРТЕЖ
 Цилиндр пневмогидравлический УСП-632 СБ Цилиндр пневмогидравлический УСП-632 спецификация Цилиндр пневмогидравлический УСП-632 3d сборка Цилиндр пневмогидравлический УСП-632 чертежи Поршень УСП-632.01 Сальник УСП-632.02 Крышка УСП-632.03 Пружина УСП-632.04 Корпус УСП-632.05 Кольцо УСП-632.06 Пробка УСП-632.07
Цилиндр пневмогидравлический УСП-632 СКАЧАТЬ
|
| |
|
|
| engineerklub | Дата: Понедельник, 17.11.2025, 06:50 | Сообщение # 403 |
 Генералиссимус
Группа: Администраторы
Сообщений: 38091
Статус: Offline
| Призма подвижная УСП-622 60х175х40 ЧЕРТЕЖ
 Призма подвижная УСП-622 СБ Призма подвижная УСП-622 СПЕЦИФИКАЦИЯ Призма подвижная УСП-622 3d сборка Призма подвижная УСП-622 чертежи Призма подвижная 60х175х40 01 Призма 02 Корпус 03 Гайка 04 Шпонка
Призма подвижная УСП-622 60х175х40 СКАЧАТЬ
|
| |
|
|
| engineerklub | Дата: Пятница, 21.11.2025, 15:14 | Сообщение # 404 |
 Генералиссимус
Группа: Администраторы
Сообщений: 38091
Статус: Offline
| Опора КМТЧ.211210.000 ЧЕРТЕЖ
 Опора КМТЧ.211210.000 сб Опора КМТЧ.211210.000 спецификация Опора КМТЧ.211210.000 3d сборка Опора КМТЧ.211210.000 чертежи Основание КМТЧ.211210.001 Стойка КМТЧ.211210.002 Накладка КМТЧ.211210.003 Угольник КМТЧ.211210.004
Опора КМТЧ.211210.000 СКАЧАТЬ
|
| |
|
|
| engineerklub | Дата: Четверг, 27.11.2025, 10:41 | Сообщение # 405 |
 Генералиссимус
Группа: Администраторы
Сообщений: 38091
Статус: Offline
| Ролик Вариант 4 ЧЕРТЕЖ
 Техническое описание устройства изделия «Ролик»
Ролик является дополнительной опорой для перемещающихся деталей. Ролик 3 свободно вращается на болте 4 при перемещении детали, не тормозя ее. Резиновая шина 2, плотно надетая на ролик, не позволяет детали со скользнуть и предохраняет от повреждения. Основанием 1 ролик крепится к неподвижным узлам и приспособлениям.
Ролик 004.003.001.00 сб Ролик 004.003.001.00 спецификация Ролик 004.003.001.00 3d сборка Ролик 004.003.001.00 чертежи Основание 004.003.001.01 Ролик 004.003.001.02 Шина 004.003.001.03 Болт 004.003.001.04
Ролик Вариант 4 СКАЧАТЬ
|
| |
|
|