|
Различные задания по инженерной графике
|
|
| engineerklub | Дата: Понедельник, 15.12.2025, 18:03 | Сообщение # 706 |
 Генералиссимус
Группа: Администраторы
Сообщений: 39110
Статус: Offline
| Сварные соединения. Вариант 0 ЧЕРТЕЖ
 Выполнить сборочный чертеж сварного соединения.
Выполнить чертежи всех деталей входящих в сборочный чертеж.
Сварные соединения. Вариант 0 СКАЧАТЬ
|
| |
|
|
| engineerklub | Дата: Вторник, 16.12.2025, 09:07 | Сообщение # 707 |
 Генералиссимус
Группа: Администраторы
Сообщений: 39110
Статус: Offline
| Ваза. Вариант 7 ЧЕРТЕЖ
 ПРАКТИЧЕСКОЕ ЗАНЯТИЕ 7 Построение модели и чертежа детали с использованием операции вращения.
Цель практического занятия:
Изучение команды «Операция вращения». Исходные данные. Анализ проекций детали с целью выявления наружной и внутренней формы элементов детали и установления: - из каких геометрических тел состоит деталь; - наличия плоскостей симметрии детали; - какие разрезы следует сделать для выявления внутреннего устройства детали; - возможности соединения вида с разрезом; - использования условностей и упрощений на чертеже.
Ваза. Вариант 7 СКАЧАТЬ
|
| |
|
|
| engineerklub | Дата: Четверг, 18.12.2025, 13:38 | Сообщение # 708 |
 Генералиссимус
Группа: Администраторы
Сообщений: 39110
Статус: Offline
| Стойка. Рисунок 72 ЧЕРТЕЖ
 1. Заменить вид спереди фронтальным разрезом. 2. Вычертить вид сверху без штриховых линий невидимого контура. 3. Начертить вид слева, совмещенный с разрезом А-А. 4. Наименование детали: Стойка 5. Материал детали: СЧ15 ГОСТ 1412-85.
Стойка. Рисунок 72 СКАЧАТЬ
|
| |
|
|
| engineerklub | Дата: Пятница, 19.12.2025, 11:51 | Сообщение # 709 |
 Генералиссимус
Группа: Администраторы
Сообщений: 39110
Статус: Offline
| Ваза. Вариант 9 ЧЕРТЕЖ
 ПРАКТИЧЕСКОЕ ЗАНЯТИЕ 7 Построение модели и чертежа детали с использованием операции вращения.
Цель практического занятия:
Изучение команды «Операция вращения». Исходные данные. Анализ проекций детали с целью выявления наружной и внутренней формы элементов детали и установления: - из каких геометрических тел состоит деталь; - наличия плоскостей симметрии детали; - какие разрезы следует сделать для выявления внутреннего устройства детали; - возможности соединения вида с разрезом; - использования условностей и упрощений на чертеже.
Ваза. Вариант 9 СКАЧАТЬ
|
| |
|
|
| engineerklub | Дата: Вторник, 23.12.2025, 11:47 | Сообщение # 710 |
 Генералиссимус
Группа: Администраторы
Сообщений: 39110
Статус: Offline
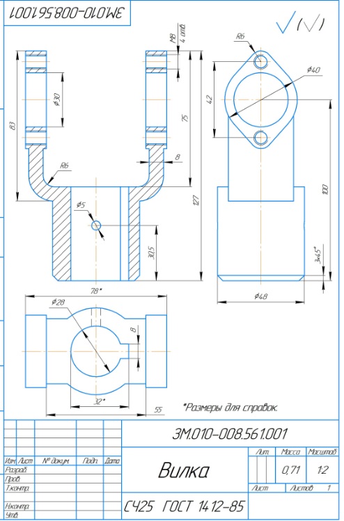
| Вилка ЗМ.010-008.561.001 ЧЕРТЕЖ
 Задание:
1. Выполнить 3d модель согласно заданию. 2. Сделать чертеж.
Вилка ЗМ.010-008.561.001 СКАЧАТЬ
|
| |
|
|
| engineerklub | Дата: Вторник, 23.12.2025, 11:52 | Сообщение # 711 |
 Генералиссимус
Группа: Администраторы
Сообщений: 39110
Статус: Offline
| Опора. Вариант 23 Задание 6 ЧЕРТЕЖ
 Выпонить чертеж с исправлением допущенных на нём ошибок.
Опора. Вариант 23 Задание 6 СКАЧАТЬ
|
| |
|
|
| engineerklub | Дата: Среда, 24.12.2025, 12:04 | Сообщение # 712 |
 Генералиссимус
Группа: Администраторы
Сообщений: 39110
Статус: Offline
| Опора. Задание 4 ЧЕРТЕЖ
 Задание:
1. Выполнить 3d модель согласно заданию. 2. Сделать чертеж.
Опора. Задание 4 СКАЧАТЬ
|
| |
|
|
| engineerklub | Дата: Среда, 24.12.2025, 15:03 | Сообщение # 713 |
 Генералиссимус
Группа: Администраторы
Сообщений: 39110
Статус: Offline
| Валик. Вариант 2 ЧЕРТЕЖ
 Задание: Выполнить рабочий чертеж валика.
В отверстии выполнить метрическую резьбу наружным диаметром 16 мм, шаг - 2 мм, на глубину 20 мм. Шероховатость поверхностей - Ra6,3. Материал детали - сталь 45 ГОСТ 1050-2013.
Валик. Вариант 2 СКАЧАТЬ ЧЕРТЕЖ
|
| |
|
|
| engineerklub | Дата: Понедельник, 05.01.2026, 10:30 | Сообщение # 714 |
 Генералиссимус
Группа: Администраторы
Сообщений: 39110
Статус: Offline
| Направляющая переключателя. Вариант 3 ЧЕРТЕЖ
 Данное задание можно выполнить, построив 3D модель из вида сверху, а из 3D модели получить нужные проекционные виды.
Направляющая переключателя. Вариант 3 СКАЧАТЬ
|
| |
|
|
| engineerklub | Дата: Понедельник, 05.01.2026, 10:31 | Сообщение # 715 |
 Генералиссимус
Группа: Администраторы
Сообщений: 39110
Статус: Offline
| Пластина ГР02.06.01 ЧЕРТЕЖ
 Вычертить контуры деталей, применяя правила построения деления окружностей на равные части, нанести размеры, построения сохранить.
Пластина ГР02.06.01 СКАЧАТЬ
|
| |
|
|
| engineerklub | Дата: Пятница, 23.01.2026, 17:42 | Сообщение # 716 |
 Генералиссимус
Группа: Администраторы
Сообщений: 39110
Статус: Offline
| Крышка. Вариант 2,13,22 ЧЕРТЕЖ
 Практическая работа
Тема: Выполнение эскизов машиностроительных деталей
Цель занятия: Изучить правила и приемы составления эскизов, научиться выполнять эскизы технических деталей, развить навыки чтения чертежа. Оформлять конструкторскую документацию в соответствии с требованиями стандартов ЕСКД к оформлению и составлению чертежей.
Крышка. Вариант 2,13,22 СКАЧАТЬ
|
| |
|
|
| engineerklub | Дата: Суббота, 24.01.2026, 08:32 | Сообщение # 717 |
 Генералиссимус
Группа: Администраторы
Сообщений: 39110
Статус: Offline
| Резьбовые соединения ИГ.000.004.005. Вариант 2
 Пояснения к графическим заданиям.
Для закрепления знаний, полученных при изучении темы «Резьбовые соединения», курсантам (студентам) необходимо выполнить графическую работу №4. Пример выполнения задания приведен на рис. 14.Варианты – даны в таблице №2.
Масштаб выбрать по ГОСТ 2.302-68 . Он должен быть таким, чтобы свободное поле формата на 80٪ было занято чертежом. В масштабе 1:1 или 2:1 следует вычертить: 1) упрощенное болтовое соединение, которое состоит из болта, гайки, шайбы и двух соединяемых поверхностей деталей. 2) конструктивное шпилечное соединение, которое включает в себя шпильку, гайку, шайбу и соединяемые поверхности деталей.
Резьбовые соединения ИГ.000.004.005. Вариант 2 СКАЧАТЬ
|
| |
|
|
| engineerklub | Дата: Воскресенье, 25.01.2026, 16:39 | Сообщение # 718 |
 Генералиссимус
Группа: Администраторы
Сообщений: 39110
Статус: Offline
| Построение сборочных чертежей
Цель урока:
Изучить приемы построения твердотельных моделей сборок; Изучить приемы автоматизированного построения ассоциативных сборочных чертежей.
Построение сборочных чертежей СКАЧАТЬ
|
| |
|
|
| engineerklub | Дата: Пятница, 30.01.2026, 09:32 | Сообщение # 719 |
 Генералиссимус
Группа: Администраторы
Сообщений: 39110
Статус: Offline
| Резьбовые соединения ИГ.000.004.005. Вариант 5 ЧЕРТЕЖ
 М20
Пояснения к графическим заданиям.
Для закрепления знаний, полученных при изучении темы «Резьбовые соединения», курсантам (студентам) необходимо выполнить графическую работу №4. Пример выполнения задания приведен на рис. 14.Варианты – даны в таблице №2.
Масштаб выбрать по ГОСТ 2.302-68 . Он должен быть таким, чтобы свободное поле формата на 80٪ было занято чертежом. В масштабе 1:1 или 2:1 следует вычертить: 1) упрощенное болтовое соединение, которое состоит из болта, гайки, шайбы и двух соединяемых поверхностей деталей. 2) конструктивное шпилечное соединение, которое включает в себя шпильку, гайку, шайбу и соединяемые поверхности деталей.
Резьбовые соединения ИГ.000.004.005. Вариант 5 СКАЧАТЬ
|
| |
|
|
| engineerklub | Дата: Воскресенье, 01.02.2026, 10:27 | Сообщение # 720 |
 Генералиссимус
Группа: Администраторы
Сообщений: 39110
Статус: Offline
| Деталь. Вариант 2. Билет для экзамена №2
 по дисциплине Начертательная геометрия инженерная и компьютерная графика.
1. Эскиз, из каких этапов состоит работа по выполнению эскизов. 2. основные методы проецирования. Их сущность, примеры. 3. Построить недостающий вид. выполнить необходимые размеры.
Деталь. Вариант 2. СКАЧАТЬ
|
| |
|
|