|
Различные задания по инженерной графике
|
|
| engineerklub | Дата: Пятница, 07.11.2025, 13:11 | Сообщение # 676 |
 Генералиссимус
Группа: Администраторы
Сообщений: 39110
Статус: Offline
| Сечения 12.4.24.Р3.01.00.00 Вариант 1 ЧЕРТЕЖ Сечения. Вариант 1 ЧЕРТЕЖ
 Графическая работа №3
Сечения
ЗАДАНИЕ для Р3 распечатать на листе А4 (без полей, масштаб печати 100%)
Задачи:
1. Выполнить вынесенные сечения (положение некоторых сечений заранее определено); 2. Нанести размеры элементов на сечениях (отверстия, пазы и т.п.); 3. При необходимости обозначить сечения; 4. Выполнить выносной элемент, показав конструктивные особенности канавки (данные см. в таблице). Масштаб изображения 4:1 или 5:1.
1. Призма (в основании квадрат со стороной 16 мм); 2. Отверстие (диаметр 7мм, глубина 6 мм); 3. Два паза под призматическую шпонку (глубина 5мм); 4. Односторонняя лыска (размер 28 мм).
Сечения 12.4.24.Р3.01.00.00 Вариант 1 СКАЧАТЬ
|
| |
|
|
| engineerklub | Дата: Воскресенье, 09.11.2025, 09:33 | Сообщение # 677 |
 Генералиссимус
Группа: Администраторы
Сообщений: 39110
Статус: Offline
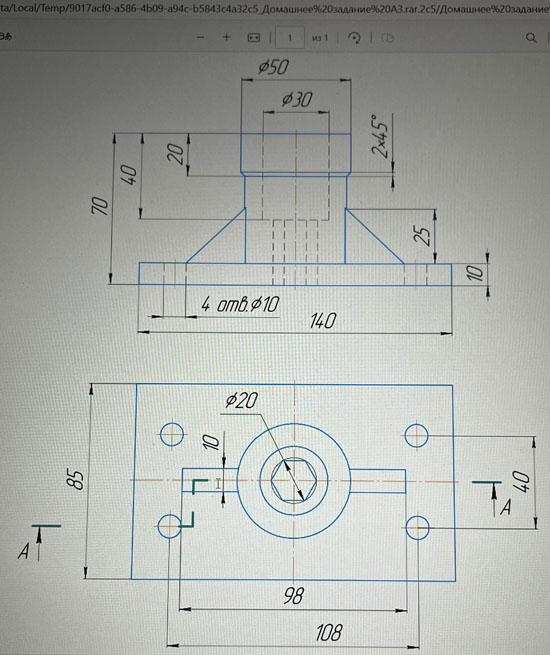
| Опора чертеж. Домашнее задание
 Заменить вид спереди разрезом А-А. 2. Вычертить вид сверху, как показано на рисунке. 3. В проекционной связи с главным видом построить соединение вида слева с профильным разрезом. 4. Наименование детали: Опора 5. Материал детали: СЧ15 ГОСТ 1412-85
Опора чертеж. Домашнее задание СКАЧАТЬ
|
| |
|
|
| engineerklub | Дата: Воскресенье, 09.11.2025, 11:03 | Сообщение # 678 |
 Генералиссимус
Группа: Администраторы
Сообщений: 39110
Статус: Offline
| Соединение деталей болтом М30. Вариант 10 ЧЕРТЕЖ
 10. Перечертить приведенные изображения. На виде сверху изобразить резьбу. 11. Вычертить деталей болтом М30 используя приведенные условные соотношения.
Соединение деталей болтом М30. Вариант 10 СКАЧАТЬ
|
| |
|
|
| engineerklub | Дата: Воскресенье, 09.11.2025, 17:46 | Сообщение # 679 |
 Генералиссимус
Группа: Администраторы
Сообщений: 39110
Статус: Offline
| Тройник КМТЧ.002012.002 ЧЕРТЕЖ
 Чертеж выполнен на формате А3 + 3d модель (все на скриншотах показано и присутствует в архиве) выполнены в КОМПАС 3D.
Тройник КМТЧ.002012.002 СКАЧАТЬ
|
| |
|
|
| engineerklub | Дата: Воскресенье, 09.11.2025, 20:16 | Сообщение # 680 |
 Генералиссимус
Группа: Администраторы
Сообщений: 39110
Статус: Offline
| Тиски настольные ЛПЭТ. КЧ0913.000 Сборочный чертеж
Спецификация Из деталировки: губка подвижна и винт ходовой. Ответы на вопросыЧертеж
Тиски настольные ЛПЭТ. КЧ0913.000 СКАЧАТЬ
|
| |
|
|
| engineerklub | Дата: Воскресенье, 09.11.2025, 20:18 | Сообщение # 681 |
 Генералиссимус
Группа: Администраторы
Сообщений: 39110
Статус: Offline
| Пересечение поверхностей и построение теней. Вариант 9. АГАСУ
Эпюр 2. Пересечение поверхностей и построение теней
Содержание эпюра Дано: схема двух зданий, примыкающих друг к другу (рис. 12). Требуется: 1. Начертить фронтальную и горизонтальную проекции зданий в масштабе 1:100. 2. Построить врезку второго здания в первое. 3. Построить цилиндр, центр которого лежит на геометрическом центре ската первого здания. 4. Построить пересечение цилиндра с крышей первого здания. 5. По заданным размерам построить пирамиду, врезающуюся во второе здание. 6. Построить линию пересечения пирамиды со вторым зданием. 7. Построить аксонометрию зданий с врезанными в них цилиндром и пирамидой. 8. Построить собственные и падающие тени на фасаде и плане. Вы-полнить отмывку. 9. Построить собственные и падающие тени в аксонометрии. Вы-полнить отмывку.
Пересечение поверхностей и построение теней. Вариант 9 СКАЧАТЬ
|
| |
|
|
| engineerklub | Дата: Воскресенье, 09.11.2025, 20:19 | Сообщение # 682 |
 Генералиссимус
Группа: Администраторы
Сообщений: 39110
Статус: Offline
| Пересечение поверхностей вращения и наклонной призмы . Развертка призмы с нанесением линии пересечения.. Вариант 0. АГАСУ
Требуется: Задача 1. Построить пересечение поверхности вращения с вертикальной осью и призмы, ребра которой на фронтальной и горизонтальной проекциях наклонены к оси ОХ под углом 45. Задача 2. Построить развертку призмы с нанесением линии пересечения.
СКАЧАТЬ
|
| |
|
|
| engineerklub | Дата: Воскресенье, 09.11.2025, 21:39 | Сообщение # 683 |
 Генералиссимус
Группа: Администраторы
Сообщений: 39110
Статус: Offline
| Геометрическое формообразование поверхностей. Гиперболический параболоид. Вариант 9. АГАСУ
Задача 1 Построить план и фасад составной поверхности из заданного количества отсеков, полученных с помощью трех секущих плоскостей из гиперболического параболоида.
Задача 2 Построить аксонометрию (прямоугольную диметрию).
СКАЧАТЬ
|
| |
|
|
| engineerklub | Дата: Воскресенье, 09.11.2025, 21:44 | Сообщение # 684 |
 Генералиссимус
Группа: Администраторы
Сообщений: 39110
Статус: Offline
| Эпюр 4. Геометрическое формообразование поверхностей. Гиперболический параболоид. Вариант 0. АГАСУ
Задача 1 Построить план и фасад составной поверхности из заданного количества отсеков, полученных с помощью трех секущих плоскостей из гиперболического параболоида.
Задача 2 Построить аксонометрию (прямоугольную диметрию).
СКАЧАТЬ
|
| |
|
|
| engineerklub | Дата: Пятница, 21.11.2025, 17:25 | Сообщение # 685 |
 Генералиссимус
Группа: Администраторы
Сообщений: 39110
Статус: Offline
| Соединение шпонкой 14х9х32 ЧЕРТЕЖ
d св. 44 до 50 мм
Чертеж выполнен на формате А4 + pdf (все на скриншотах показано и присутствует в архиве) выполнены в компасе 3D v13, возможно открыть в 14,15,16,17,18,19,20,21,22 и выше версиях компаса.
Соединение шпонкой 14х9х32 СКАЧАТЬ
|
| |
|
|
| engineerklub | Дата: Понедельник, 24.11.2025, 13:37 | Сообщение # 686 |
 Генералиссимус
Группа: Администраторы
Сообщений: 39110
Статус: Offline
| Нанесение размеров. Вариант 1 ЧЕРТЕЖ
 На формате А3 необходимо вычертить шесть деталей. Заданные контуры деталей по приведенным ниже вариантам изображаются в масштабе 1:1 (исключение составляют две фигуры из шести, для которых указан другой масштаб). Нанести размеры в соответствии с масштабом изображения и ГОСТом 2.307-81.
1 Плита. Нанесение размеров. Вариант 1 2 Шайба. Нанесение размеров. Вариант 1 3 Упор. Нанесение размеров. Вариант 1 4 Ребро. Нанесение размеров. Вариант 1 5 Опора. Нанесение размеров. Вариант 1 6 Накладка. Нанесение размеров. Вариант 1
Нанесение размеров. Вариант 1 СКАЧАТЬ
|
| |
|
|
| engineerklub | Дата: Понедельник, 24.11.2025, 13:39 | Сообщение # 687 |
 Генералиссимус
Группа: Администраторы
Сообщений: 39110
Статус: Offline
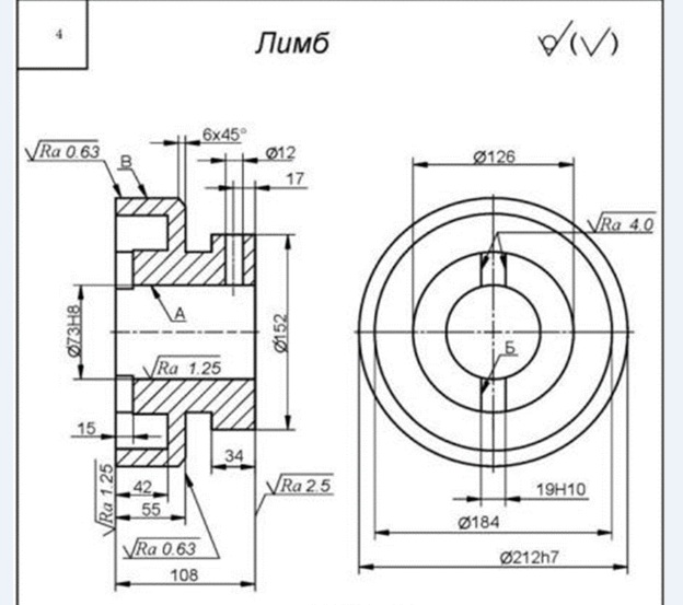
| Лимб. Вариант 4 ЧЕРТЕЖ
 Чертеж выполнен на формате А3 + 3d модель (все на скриншотах показано и присутствует в архиве) выполнены в КОМПАС 3D.
Лимб. Вариант 4 СКАЧАТЬ ЧЕРТЕЖ
|
| |
|
|
| engineerklub | Дата: Понедельник, 24.11.2025, 13:53 | Сообщение # 688 |
 Генералиссимус
Группа: Администраторы
Сообщений: 39110
Статус: Offline
| Корпус 2021011-14 ЧЕРТЕЖ (2)
 По изображению детали Корпус построить 3d-модель. Создать ассоциативный чертеж 3-х видов детали. Нанести размеры и оформить чертеж в соответствии с требованиями стандартов ЕСКД. Построения выполнить на формате А3 в масштабе 1:1.
Корпус 2021011-14 СКАЧАТЬ
|
| |
|
|
| engineerklub | Дата: Понедельник, 24.11.2025, 13:55 | Сообщение # 689 |
 Генералиссимус
Группа: Администраторы
Сообщений: 39110
Статус: Offline
| Сопряжения. Вариант 14 ЧЕРТЕЖ
 Чертеж выполнен на формате А4 + pdf (все на скриншотах показано и присутствует в архиве) выполнены в КОМПАС 3D.
Сопряжения. Вариант 14 СКАЧАТЬ
|
| |
|
|
| engineerklub | Дата: Понедельник, 24.11.2025, 13:56 | Сообщение # 690 |
 Генералиссимус
Группа: Администраторы
Сообщений: 39110
Статус: Offline
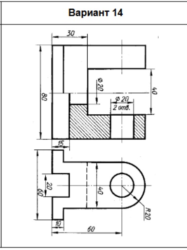
| Виды. Вариант 14 ЧЕРТЕЖ
 Чертеж выполнен на формате А4 + 3d модель + pdf (все на скриншотах показано и присутствует в архиве) выполнены в КОМПАС 3D.
Виды. Вариант 14 СКАЧАТЬ
|
| |
|
|