|
Различные задания по инженерной графике
|
|
| engineerklub | Дата: Вторник, 25.11.2025, 05:10 | Сообщение # 691 |
 Генералиссимус
Группа: Администраторы
Сообщений: 39110
Статус: Offline
| Ваза. Вариант 14 ЧЕРТЕЖ
 ПРАКТИЧЕСКОЕ ЗАНЯТИЕ 7 Построение модели и чертежа детали с использованием операции вращения.
Цель практического занятия:
Изучение команды «Операция вращения». Исходные данные. Анализ проекций детали с целью выявления наружной и внутренней формы элементов детали и установления: - из каких геометрических тел состоит деталь; - наличия плоскостей симметрии детали; - какие разрезы следует сделать для выявления внутреннего устройства детали; - возможности соединения вида с разрезом; - использования условностей и упрощений на чертеже.
Задание.
В соответствии с вариантом по заданным на рисунке проекции детали построить модель при этом выполнить необходимые разрезы, соединив их с видами в соответствии с ГОСТ 2.305-68, проставить размеры по правилам ГОСТ 2.307-68. Работу оформить на формате А3 (ГОСТ 2.301-68) с основной надписью формы 1 по ГОСТ 2.104-68.
Ваза. Вариант 14 СКАЧАТЬ
|
| |
|
|
| engineerklub | Дата: Вторник, 25.11.2025, 10:00 | Сообщение # 692 |
 Генералиссимус
Группа: Администраторы
Сообщений: 39110
Статус: Offline
| Ваза. Вариант 1 ЧЕРТЕЖ
 ПРАКТИЧЕСКОЕ ЗАНЯТИЕ 7
Построение модели и чертежа детали с использованием операции вращения.
Цель практического занятия: Изучение команды «Операция вращения». Исходные данные. Анализ проекций детали с целью выявления наружной и внутренней формы элементов детали и установления: - из каких геометрических тел состоит деталь; - наличия плоскостей симметрии детали; - какие разрезы следует сделать для выявления внутреннего устройства детали; - возможности соединения вида с разрезом; - использования условностей и упрощений на чертеже.
Ваза. Вариант 1 СКАЧАТЬ ЧЕРТЕЖ
|
| |
|
|
| engineerklub | Дата: Вторник, 25.11.2025, 11:03 | Сообщение # 693 |
 Генералиссимус
Группа: Администраторы
Сообщений: 39110
Статус: Offline
| Нанесение размеров. Вариант 2 ЧЕРТЕЖ
 На формате А3 необходимо вычертить шесть деталей. Заданные контуры деталей по приведенным ниже вариантам изображаются в масштабе 1:1 (исключение составляют две фигуры из шести, для которых указан другой масштаб). Нанести размеры в соответствии с масштабом изображения и ГОСТом 2.307-81.
Линейка. Нанесение размеров. Вариант 2 Вкладыш. Нанесение размеров. Вариант 2 Опора. Нанесение размеров. Вариант 2 Вилка. Нанесение размеров. Вариант 2 Установ. Нанесение размеров. Вариант 2 Крышка. Нанесение размеров. Вариант 2
Нанесение размеров. Вариант 2 СКАЧАТЬ
|
| |
|
|
| engineerklub | Дата: Четверг, 27.11.2025, 09:05 | Сообщение # 694 |
 Генералиссимус
Группа: Администраторы
Сообщений: 39110
Статус: Offline
| Нанесение размеров. Вариант 16 ЧЕРТЕЖ
 На формате А3 необходимо вычертить шесть деталей. Заданные контуры деталей по приведенным ниже вариантам изображаются в масштабе 1:1 (исключение составляют две фигуры из шести, для которых указан другой масштаб). Нанести размеры в соответствии с масштабом изображения и ГОСТом 2.307-81.
Клин. Нанесение размеров. Вариант 16 Шпонки. Нанесение размеров. Вариант 16 Колодка. Нанесение размеров. Вариант 16 Направляющая. Нанесение размеров. Вариант 16 Штифт. Нанесение размеров. Вариант 16 Фланец. Нанесение размеров. Вариант 16
Нанесение размеров. Вариант 16 СКАЧАТЬ ЧЕРТЕЖ
|
| |
|
|
| engineerklub | Дата: Четверг, 27.11.2025, 09:07 | Сообщение # 695 |
 Генералиссимус
Группа: Администраторы
Сообщений: 39110
Статус: Offline
| Проекционное черчение. Вариант 7 ЧЕРТЕЖ
 СОДЕРЖАНИЕ ГРАФИЧЕСКОЙ РАБОТЫ «ПРОЕКЦИОННОЕ ЧЕРЧЕНИЕ»
2.1. На формате АЗ в масштабе 1: 1 по двум данным проекциям детали построить третью проекцию, выполнить необходимые разрезы, нанести все размеры и построить натуральную величину сечения, расположенного во фронтально-проецирующей плоскости А – А. 2.2. На формате А3 в масштабе 2: 1 построить по заданию преподавателя одну из аксонометрических проекций данной детали, выполнить необходимый разрез и нанести габаритные размеры.
Проекционнное черчение Гд-18104 НГ, ИиКГ.ПР1.007 01 Проекционнное черчение Гд-18104 НГ, ИиКГ.ПР1.007 02 А Проекционнное Черчение Гд-18104 НГ, ИиКГ.ПР1.007 03 А
Проекционное черчение. Вариант 7 СКАЧАТЬ
|
| |
|
|
| engineerklub | Дата: Пятница, 28.11.2025, 13:53 | Сообщение # 696 |
 Генералиссимус
Группа: Администраторы
Сообщений: 39110
Статус: Offline
| Ваза. Вариант 2 ЧЕРТЕЖ
 ПРАКТИЧЕСКОЕ ЗАНЯТИЕ 7
Построение модели и чертежа детали с использованием операции вращения.
Ваза. Вариант 2 СКАЧАТЬ ЧЕРТЕЖ
|
| |
|
|
| engineerklub | Дата: Вторник, 02.12.2025, 09:10 | Сообщение # 697 |
 Генералиссимус
Группа: Администраторы
Сообщений: 39110
Статус: Offline
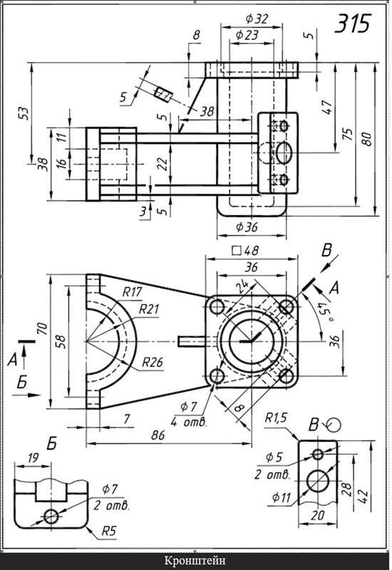
| Кронштейн Вариант 315 ЧЕРТЕЖ
 На формате А3 выполнить рабочий чертеж детали согласно изображения. Выполнить необходимые разрезы. Проставить размеры.
Кронштейн Вариант 315 СКАЧАТЬ
|
| |
|
|
| engineerklub | Дата: Вторник, 02.12.2025, 14:00 | Сообщение # 698 |
 Генералиссимус
Группа: Администраторы
Сообщений: 39110
Статус: Offline
| Крышка. Вариант 7 ЧЕРТЕЖ
 Крышка. Вариант 7. Сложные разрезы
МЕТОДИЧЕСКИЕ УКАЗАНИЯ К ВЫПОЛНЕНИЮ ЗАДАНИЯ
Крышка. Вариант 7 СКАЧАТЬ
|
| |
|
|
| engineerklub | Дата: Среда, 03.12.2025, 06:40 | Сообщение # 699 |
 Генералиссимус
Группа: Администраторы
Сообщений: 39110
Статус: Offline
| Кронштейн Вариант 476 ЧЕРТЕЖ Кронштейн Вариант 476 t-flex 00.476 Кронштейн тфлекс
 На формате А3 выполнить рабочий чертеж детали согласно изображения. Выполнить необходимые разрезы. Проставить размеры.
Кронштейн Вариант 476 СКАЧАТЬ
|
| |
|
|
| engineerklub | Дата: Пятница, 12.12.2025, 06:18 | Сообщение # 700 |
 Генералиссимус
Группа: Администраторы
Сообщений: 39110
Статус: Offline
| Решетка. Вариант 8 ЧЕРТЕЖ
 Вычертить контуры деталей, применяя правила построения деления окружностей на равные части, нанести размеры, построения сохранить.
Решетка. Вариант 8 СКАЧАТЬ
|
| |
|
|
| engineerklub | Дата: Пятница, 12.12.2025, 06:19 | Сообщение # 701 |
 Генералиссимус
Группа: Администраторы
Сообщений: 39110
Статус: Offline
| Опора. Вариант 8 ЧЕРТЕЖ
 Вычертить контуры деталей, применяя правила построения деления окружностей на равные части, нанести размеры, построения сохранить.
Опора. Вариант 8 СКАЧАТЬ
|
| |
|
|
| engineerklub | Дата: Пятница, 12.12.2025, 06:20 | Сообщение # 702 |
 Генералиссимус
Группа: Администраторы
Сообщений: 39110
Статус: Offline
| Сопряжения. Вариант 26 ЧЕРТЕЖ
 Вычертить по заданным размерам плоскую деталь. Проставить размеры.
Сопряжения. Вариант 26 СКАЧАТЬ
|
| |
|
|
| engineerklub | Дата: Пятница, 12.12.2025, 06:22 | Сообщение # 703 |
 Генералиссимус
Группа: Администраторы
Сообщений: 39110
Статус: Offline
| Корпус 2020134-22 ЧЕРТЕЖ виды вариант 26
 По изображению детали Корпус построить 3d-модель. Создать ассоциативный чертеж 3-х видов детали. Нанести размеры и оформить чертеж в соответствии с требованиями стандартов ЕСКД. Построения выполнить на формате А3 в масштабе 1:1.
Корпус 2020134-22 СКАЧАТЬ
|
| |
|
|
| engineerklub | Дата: Пятница, 12.12.2025, 06:23 | Сообщение # 704 |
 Генералиссимус
Группа: Администраторы
Сообщений: 39110
Статус: Offline
| Ваза Вариант 26 ЧЕРТЕЖ
 ПРАКТИЧЕСКОЕ ЗАНЯТИЕ 7 Построение модели и чертежа детали с использованием операции вращения.
Цель практического занятия:
Изучение команды «Операция вращения». Исходные данные. Анализ проекций детали с целью выявления наружной и внутренней формы элементов детали и установления: - из каких геометрических тел состоит деталь; - наличия плоскостей симметрии детали; - какие разрезы следует сделать для выявления внутреннего устройства детали; - возможности соединения вида с разрезом; - использования условностей и упрощений на чертеже.
Ваза Вариант 26 СКАЧАТЬ
|
| |
|
|
| engineerklub | Дата: Понедельник, 15.12.2025, 10:49 | Сообщение # 705 |
 Генералиссимус
Группа: Администраторы
Сообщений: 39110
Статус: Offline
| Ваза Вариант 6 ЧЕРТЕЖ
 ПРАКТИЧЕСКОЕ ЗАНЯТИЕ 7 Построение модели и чертежа детали с использованием операции вращения.
Ваза Вариант 6 СКАЧАТЬ
|
| |
|
|