|
Различные задания по инженерной графике
|
|
| engineerklub | Дата: Понедельник, 01.09.2025, 10:00 | Сообщение # 661 |
 Генералиссимус
Группа: Администраторы
Сообщений: 38585
Статус: Offline
| Фланец. Вариант 1 ЧЕРТЕЖ
 Задание
На формате А4 выполнить рабочий чертеж детали согласно таблице с данными для формирования изображения.
Наименование и размеры элементов детали
D = 20 D1 = 60 D2 = 50 D3 = 36 D4 = 8 L = 50 L1 =60 L2 = 100 L3 = 15 L4 = 72 L5 = 80 L6 = 16 L7 = 38 L8 = 40 M = 10 N = 4 N1 = 4
Фланец. Вариант 1 СКАЧАТЬ
|
| |
|
|
| engineerklub | Дата: Понедельник, 01.09.2025, 10:01 | Сообщение # 662 |
 Генералиссимус
Группа: Администраторы
Сообщений: 38585
Статус: Offline
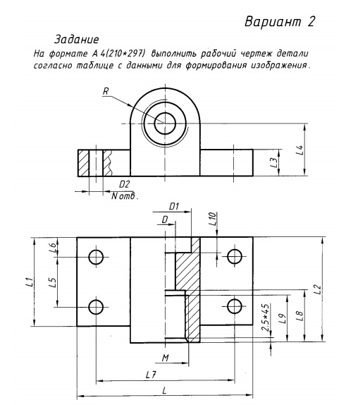
| Держатель Вариант 2 ЧЕРТЕЖ
 Задание
На формате А4 выполнить рабочий чертеж детали согласно таблице с данными для формирования изображения.
Наименование и размеры элементов детали
D = 12 D1 = 30 D2 = 8 R = 20 L = 100 L1 =50 L2 = 60 L3 = 15 L4 = 30 L5 = 26 L6 = 12 L7 = 80 L8 = 30 L9 = 27 L10 = 9 M = 27 N = 4
Держатель Вариант 2 СКАЧАТЬ
|
| |
|
|
| engineerklub | Дата: Понедельник, 01.09.2025, 10:02 | Сообщение # 663 |
 Генералиссимус
Группа: Администраторы
Сообщений: 38585
Статус: Offline
| Шток Вариант 3 ЧЕРТЕЖ
 Задание
На формате А4 выполнить рабочий чертеж детали согласно таблице с данными для формирования изображения.
Наименование и размеры элементов детали
D = 64 D1 = 40 D2 = 16 D3 = 50 L = 75 L1 =60 L2 = 60 L3 = 53 L4 = 40 L5 = 10 M = 24
Шток Вариант 3 СКАЧАТЬ ЧЕРТЕЖ
|
| |
|
|
| engineerklub | Дата: Вторник, 09.09.2025, 08:10 | Сообщение # 664 |
 Генералиссимус
Группа: Администраторы
Сообщений: 38585
Статус: Offline
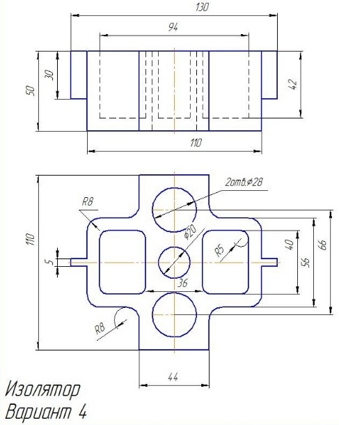
| Изолятор. Вариант 4 ЧЕРТЕЖ
 Создать ассоциативный чертеж детали изолятор в компасе, проставить все необходимые размеры, сделать необходимые виды, разрезы. Чертеж выполнить на формате А3.
Изолятор. Вариант 4 СКАЧАТЬ
|
| |
|
|
| engineerklub | Дата: Воскресенье, 14.09.2025, 17:05 | Сообщение # 665 |
 Генералиссимус
Группа: Администраторы
Сообщений: 38585
Статус: Offline
| Основание Вариант 4 ЧЕРТЕЖ
 Задание
На формате А4 выполнить рабочий чертеж детали согласно таблице с данными для формирования изображения.
Наименование и размеры элементов детали
D = 10 D1 = 30 D2 = 40 D3 = 50 D4 = 60 L = 50 L1 =70 L2 = 80 L3 = 60 L4 = 50 L5 = 18 L6 = 16 L7 = 10 L8 = 6 L9 = 14 L10 = 25 M = 10 N = 4
Основание Вариант 4 СКАЧАТЬ
|
| |
|
|
| engineerklub | Дата: Понедельник, 15.09.2025, 15:12 | Сообщение # 666 |
 Генералиссимус
Группа: Администраторы
Сообщений: 38585
Статус: Offline
| Штуцер Вариант 5 ЧЕРТЕЖ
 Задание
На формате А4 выполнить рабочий чертеж детали согласно таблице с данными для формирования изображения.
Наименование и размеры элементов детали
D = 64 D1 = 40 D2 = 30 D3 = 50 D4 = 14 L = 80 L1 = 45 L2 = 6 L3 = 40 L4 = 7 L5 = 30 L6 = 25 M1 = 24 М2 = 30
Штуцер Вариант 5 СКАЧАТЬ
|
| |
|
|
| engineerklub | Дата: Вторник, 30.09.2025, 12:21 | Сообщение # 667 |
 Генералиссимус
Группа: Администраторы
Сообщений: 38585
Статус: Offline
| Инженерная и компьютерная графика
Сибирский государственный университет телекоммуникаций и информатики Контрольная работа 1 по дисциплине: Инженерная и компьютерная графика
СКАЧАТЬ
|
| |
|
|
| engineerklub | Дата: Четверг, 02.10.2025, 05:47 | Сообщение # 668 |
 Генералиссимус
Группа: Администраторы
Сообщений: 38585
Статус: Offline
| Инженерная и компьютерная графика. УрГУПС. Вариант 7
Двухмерное (2D) моделирование. Плоский контур ТРЕХМЕРНОЕ (ЗD) МОДЕЛИРОВАНИЕ (операция «Выдавливание») Построение плоского чертежа (2D модели) по 3D модели ТРЕХМЕРНОЕ (ЗD) МОДЕЛИРОВАНИЕ (операция «Вращение») Построение плоского чертежа (2D модели) по 3D модели с использованием команды "Ассоциативный чертеж" Условные обозначения строительных материалов
СКАЧАТЬ
|
| |
|
|
| engineerklub | Дата: Пятница, 17.10.2025, 07:51 | Сообщение # 669 |
 Генералиссимус
Группа: Администраторы
Сообщений: 38585
Статус: Offline
| Компьютерная графика, тема 1-5, итоговый, компетентностный тест, 148 вопросов (ответы на тест Синергия / МТИ / МОИ / МосАП)
При обработке информации, связанной с изображением на мониторе, принято выделять … Одно из основных направлений обработки информации, связанной с изображением на мониторе, – … – это совокупность методов, позволяющих получить описание изображения, поданного на вход, либо отнести заданное изображение к некоторому классу (так поступают, например, при сортировке почты) Задачей обработки изображений (IMAGE PROCESSING) … … изображения – это искажение изображения с целью улучшения визуального восприятия или для преобразования в форму, удобную для дальнейшей обработки … изображения предполагает компенсирование имеющегося искажения, например, такого как плохие условия фотосъемки Одно из основных направлений обработки информации, связанной с изображением на мониторе – … – это воспроизведение изображения в случае, когда исходной является информация неизобразительной природы (например, визуализацию экспериментальных данных в виде графиков, гистограмм или диаграмм) Первые серийные векторные дисплеи за рубежом появились в конце … годов Разрешение, достигнутое на дисплеях на запоминающей трубке, – до … В … году прошла первая выставка цифрового искусства в США в галерее Howard Wise в Нью-Йорке, где были выставлены компьютерные работы Бела Джулса и Майкла Нолла (США) … – это изобретенная в 1966 г. технология, которую упрощенно можно представить как матрицу из маленьких разноцветных неоновых лампочек, каждая из которых включается независимо и может светиться с регулируемой яркостью Существуют следующие виды компьютерной графики: растровая графика, векторная графика и … графика Говоря о сравнительной характеристике растровой и векторной графики, можно утверждать, что … (укажите 2 варианта ответа) Установите соответствие областей применения компьютерной графики и их характеристик: Основной элемент растровых изображений – … Чаще всего … изображения получают с помощью сканирования фотографий и других изображений, с помощью цифровой фотокамеры или путем «захвата» кадра видеосъемки … изображения напоминают лист клетчатой бумаги, на котором любая клетка закрашена либо черным, либо белым цветом, образуя в совокупности рисунок Человеческий глаз способен различать только … бит градаций на каждый цвет, хотя специальная аппаратура может потребовать и более точную передачу цветов Цветовое пространство, образуемое интенсивностями красного, зеленого и синего, представляют в виде … … – это порядок расположения точек (растровых элементов) На рисунке изображен … растр В … растре линии шестисвязные Установите соответствие форматов растровых графических файлов и их характеристик: Установите соответствие формата растровых графических файлов и метода сжатия: Установите соответствие формата растрового графического файла и максимальную глубину цвета: Установите соответствие класса программного обеспечения для работы с растровыми изображениями и примеров программ каждого класса: … графику часто называют объектно-ориентированной графикой или чертежной графикой Говоря о векторной графике, можно утверждать, что … (укажите 2 варианта ответа) Важным объектом векторной графики является … – кривая, посредством которой описывается та или иная геометрическая фигура Элементарный объект векторной графики – … … векторной иллюстрации называется любая геометрическая фигура, созданная с помощью рисующих инструментов векторной программы и представляющая собой очертания того или иного графического объекта (окружность, прямоугольник и т.п.) В программе Adobe Illustrator, чтобы разделить выбранный объект на несколько частей или удалить из него некоторую часть, можно воспользоваться инструментом Eraser («Ластик»), который … Установите соответствие приложений, входящих в состав пакета Corel, и их характеристик: Документы CorelDRAW имеют файловое расширение … Говоря о таком простом и полезном инструменте, как линейка, можно утверждать, что в Adobe Illustrator … (укажите 2 варианта ответа) В программе CorelDRAW в режиме отображения изображений Wireframe (Контурный) …
СКАЧАТЬ
|
| |
|
|
| engineerklub | Дата: Пятница, 17.10.2025, 07:54 | Сообщение # 670 |
 Генералиссимус
Группа: Администраторы
Сообщений: 38585
Статус: Offline
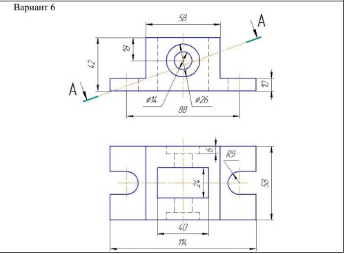
| По двум проекциям построить третью. Вариант 6 ЧЕРТЕЖ
 Контрольная работа 1
По двум проекциям построить третью проекцию, изометрию модели. Нанести размеры.
По двум проекциям построить третью. Вариант 6 СКАЧАТЬ
|
| |
|
|
| engineerklub | Дата: Воскресенье, 26.10.2025, 14:15 | Сообщение # 671 |
 Генералиссимус
Группа: Администраторы
Сообщений: 38585
Статус: Offline
| Сечение геометрических тел. ДГР 01.ХХ.10 ЧЕРТЕЖ Сечение геометрических тел. Вариант 10 ЧЕРТЕЖ
 Чертеж выполнен на формате А3 + 3d модель + PDF (все на скриншотах показано и присутствует в архиве) выполнены в КОМПАС 3D.
Сечение геометрических тел. ДГР 01.ХХ.10 СКАЧАТЬ
|
| |
|
|
| engineerklub | Дата: Среда, 29.10.2025, 13:26 | Сообщение # 672 |
 Генералиссимус
Группа: Администраторы
Сообщений: 38585
Статус: Offline
| Проекционное черчение. Вариант 2 ЧЕРТЕЖ
 СОДЕРЖАНИЕ ГРАФИЧЕСКОЙ РАБОТЫ «ПРОЕКЦИОННОЕ ЧЕРЧЕНИЕ»
2.1. На формате АЗ в масштабе 1: 1 по двум данным проекциям детали построить третью проекцию, выполнить необходимые разрезы, нанести все размеры и построить натуральную величину сечения, расположенного во фронтально-проецирующей плоскости А – А. 2.2. На формате А3 в масштабе 2: 1 построить по заданию преподавателя одну из аксонометрических проекций данной детали, выполнить необходимый разрез и нанести габаритные размеры.
Проекционнное черчение Гд-18104 НГ, ИиКГ.ПР1.002 01 Проекционнное черчение Гд-18104 НГ, ИиКГ.ПР1.002 02 А Проекционнное Черчение Гд-18104 НГ, ИиКГ.ПР1.002 03 А
Проекционное черчение. Вариант 2 СКАЧАТЬ
|
| |
|
|
| engineerklub | Дата: Среда, 29.10.2025, 13:29 | Сообщение # 673 |
 Генералиссимус
Группа: Администраторы
Сообщений: 38585
Статус: Offline
| Проекционное черчение. Вариант 1 ЧЕРТЕЖ
 СОДЕРЖАНИЕ ГРАФИЧЕСКОЙ РАБОТЫ «ПРОЕКЦИОННОЕ ЧЕРЧЕНИЕ»
2.1. На формате АЗ в масштабе 1: 1 по двум данным проекциям детали построить третью проекцию, выполнить необходимые разрезы, нанести все размеры и построить натуральную величину сечения, расположенного во фронтально-проецирующей плоскости А – А. 2.2. На формате А3 в масштабе 2: 1 построить по заданию преподавателя одну из аксонометрических проекций данной детали, выполнить необходимый разрез и нанести габаритные размеры.
Проекционнное черчение Гд-18104 НГ, ИиКГ.ПР1.001 01 Проекционнное черчение Гд-18104 НГ, ИиКГ.ПР1.001 02 А Проекционнное Черчение Гд-18104 НГ, ИиКГ.ПР1.001 03 А
Проекционное черчение. Вариант 1 СКАЧАТЬ
|
| |
|
|
| engineerklub | Дата: Пятница, 31.10.2025, 13:35 | Сообщение # 674 |
 Генералиссимус
Группа: Администраторы
Сообщений: 38585
Статус: Offline
| Проекционное черчение. Вариант 5 ЧЕРТЕЖ
 СОДЕРЖАНИЕ ГРАФИЧЕСКОЙ РАБОТЫ «ПРОЕКЦИОННОЕ ЧЕРЧЕНИЕ»
2.1. На формате АЗ в масштабе 1: 1 по двум данным проекциям детали построить третью проекцию, выполнить необходимые разрезы, нанести все размеры и построить натуральную величину сечения, расположенного во фронтально-проецирующей плоскости А – А. 2.2. На формате А3 в масштабе 2: 1 построить по заданию преподавателя одну из аксонометрических проекций данной детали, выполнить необходимый разрез и нанести габаритные размеры.
Проекционнное черчение Гд-18104 НГ, ИиКГ.ПР1.005 01 Проекционнное черчение Гд-18104 НГ, ИиКГ.ПР1.005 02 А Проекционнное Черчение Гд-18104 НГ, ИиКГ.ПР1.005 03 А
Проекционное черчение. Вариант 5 СКАЧАТЬ
|
| |
|
|
| engineerklub | Дата: Четверг, 06.11.2025, 14:56 | Сообщение # 675 |
 Генералиссимус
Группа: Администраторы
Сообщений: 38585
Статус: Offline
| Проекционное черчение. Вариант 6 ЧЕРТЕЖ
 СОДЕРЖАНИЕ ГРАФИЧЕСКОЙ РАБОТЫ «ПРОЕКЦИОННОЕ ЧЕРЧЕНИЕ»
2.1. На формате АЗ в масштабе 1: 1 по двум данным проекциям детали построить третью проекцию, выполнить необходимые разрезы, нанести все размеры и построить натуральную величину сечения, расположенного во фронтально-проецирующей плоскости А – А. 2.2. На формате А3 в масштабе 2: 1 построить по заданию преподавателя одну из аксонометрических проекций данной детали, выполнить необходимый разрез и нанести габаритные размеры.
Проекционнное черчение Гд-18104 НГ, ИиКГ.ПР1.006 01 Проекционнное черчение Гд-18104 НГ, ИиКГ.ПР1.006 02 А Проекционнное Черчение Гд-18104 НГ, ИиКГ.ПР1.006 03 А
Проекционное черчение. Вариант 6 СКАЧАТЬ
|
| |
|
|