|
Сборочные чертежи
|
|
| engineerklub | Дата: Пятница, 30.01.2026, 09:23 | Сообщение # 436 |
 Генералиссимус
Группа: Администраторы
Сообщений: 38983
Статус: Offline
| Клапан механический П-257.05.30.30.000 ЧЕРТЕЖ
 Механический клапан предназначен для автоматических установок, распыляющих смазочно-охлаждающие жидкости. Клапан состоят из корпуса, разделенного на две полости, в одну из которых поступает сжатый воздух. При перемещении толкателя вправо он давят на шток, отодвигая клапан. Сжатый воздух проходит через клапан по продольным пазам штока к распыляющему устройству. При снятия нагрузки с толкателя клапан, шток и толкатель возвращаются в первоначальное положение под действием пружины. В результате этого клапан прижимается к седлу, закрывая проход воздуха.
Клапан механический П-257.05.30.30.000 сб Клапан механический П-257.05.30.30.000 спецификация Клапан механический П-257.05.30.30.000 3d сборка Клапан механический П-257.05.30.30.000 чертежи Корпус П-257.05.30.30.001 Крышка П-257.05.30.30.002 Шток П-257.05.30.30.003 Седло П-257.05.30.30.004 Клапан П-257.05.30.30.005 Толкатель П-257.05.30.30.006 Втулка П-257.05.30.30.007 Крышка П-257.05.30.30.008 Пружина П-257.05.30.30.009 Шайба П-257.05.30.30.010 Прокладка П-257.05.30.30.011
Клапан механический П-257.05.30.30.000 СКАЧАТЬ
|
| |
|
|
| engineerklub | Дата: Понедельник, 02.02.2026, 06:01 | Сообщение # 437 |
 Генералиссимус
Группа: Администраторы
Сообщений: 38983
Статус: Offline
| Рычаг регулировочный ПЗ-257.05.26.26.000 ЧЕРТЕЖ
 Рычаг с червячным механизмом предназначен для регулирования тормозной системы автомобиля ЗИЛ-130. Зазор между тормозными колодками и тормозным барабаном изменяется поворотом разжимного кулака, на шлицевой хвостовик которого насаживается регулировочный рычаг.
Поворот рычага при торможении производится тягой, соединяющей его с тормозной камерой. Зазор регулируется дополнительным поворотом разжимного кулака с помощью червячной пары и 8. При вращении оси дополнительно поворачивается червячное колесо с разжимным-кулаком. Положение червячного колеса фиксируется устройством, состоящим из шарика, пружины и пробки.
Рычаг регулировочный ПЗ-257.05.26.26.000 сб Рычаг регулировочный ПЗ-257.05.26.26.000 спецификация Рычаг регулировочный ПЗ-257.05.26.26.000 3d сборка Рычаг регулировочный ПЗ-257.05.26.26.000 чертежи Корпус ПЗ-257.05.26.26.001 Ось червяка ПЗ-257.05.26.26.002 Заглушка ПЗ-257.05.26.26.003 Пробка фиксатора ПЗ-257.05.26.26.004 Пружина ПЗ-257.05.26.26.005 Червяк ZA ПЗ-257.05.26.26.006 Крышка ПЗ-257.05.26.26.007 Колесо червячное ПЗ-257.05.26.26.008
Рычаг регулировочный ПЗ-257.05.26.26.000 СКАЧАТЬ
|
| |
|
|
| engineerklub | Дата: Понедельник, 02.02.2026, 16:06 | Сообщение # 438 |
 Генералиссимус
Группа: Администраторы
Сообщений: 38983
Статус: Offline
| Насос шестеренный П-244.05.27.27.000 ЧЕРТЕЖ
 Шестеренные насосы применяются для подачи жидкости под давлением до 0,03 Па и могут быть использованы для подачи жидкостей любой вязкости. Шестеренные насосы высокого давления (до 0,07 Па и более) имеют ограниченное применение и изготовляются особенно тщательно. Шестеренные насосы просты по конструкции, имеют малое число деталей, но они чувствительны к загрязнению жидкости, поэтому при использовании таких насосов рекомендуется применять приемные фильтры. Насос состоит из крышки и корпуса, в котором на вал и ось насажены рабочие шестерни; втулки играют роль подшипников скольжения. При работе насоса в момент выхода зубьев колес из зацепления создается разрежение, в результате чего жидкость поступает в зону всасывания и во впадинах между зубьями переносится в зону нагнетания. В зоне нагнетания она вытесняется из впадин зубьями, входящими в зацепление, при этом давление возрастает, в результате чего жидкость поступает в трубопровод.
Насос шестеренный П-244.05.27.27.000 сб Насос шестеренный П-244.05.27.27.000 спецификация Насос шестеренный П-244.05.27.27.000 3d сборка Насос шестеренный П-244.05.27.27.000 чертежи Крышка П-244.05.27.27.001 Корпус П-244.05.27.27.002 Шестерня П-244.05.27.27.003 Кронштейн П-244.05.27.27.004 Втулка П-244.05.27.27.005 Кольцо войлочное П-244.05.27.27.006 Втулка 5П-244.05.27.27.007 Втулка П-244.05.27.27.008 Вал П-244.05.27.27.009 Гайка накидная П-244.05.27.27.010 Ось П-244.05.27.27.011 Шайба П-244.05.27.27.012
Насос шестеренный П-244.05.27.27.000 СКАЧАТЬ
|
| |
|
|
| engineerklub | Дата: Вторник, 03.02.2026, 07:33 | Сообщение # 439 |
 Генералиссимус
Группа: Администраторы
Сообщений: 38983
Статус: Offline
| Колесо ходовое П-237.05.28.28.000 ЧЕРТЕЖ
 Ходовое колесо подкрановой тележки служит опорой для нее и направляет тележку по рельсу. Колесо монтируется на двух роликоподшипниках на ось, неподвижно закрепленную оседержателем в раме тележки. В ступице колеса подшипники фиксируются двумя крышками и распорной втулкой. Крышки имеют сальниковое устройство, защищающее подшипник от загрязнения. Подшипники периодически смазываются с помощью пресс-масленки.
Колесо ходовое П-237.05.28.28.000 сб Колесо ходовое П-237.05.28.28.000 спецификация Колесо ходовое П-237.05.28.28.000 3d сборка Колесо ходовое П-237.05.28.28.000 чертежи Колесо ходовое П-237.05.28.28.001 Втулка распорная П-237.05.28.28.002 Крышка П-237.05.28.28.003 Оседержатель П-237.05.28.28.004 Ось П-237.05.28.28.005 Втулка П-237.05.28.28.006 Прокладка П-237.05.28.28.007
Колесо ходовое П-237.05.28.28.000 СКАЧАТЬ
|
| |
|
|
| engineerklub | Дата: Вторник, 03.02.2026, 15:03 | Сообщение # 440 |
 Генералиссимус
Группа: Администраторы
Сообщений: 38983
Статус: Offline
| Пневмоклапан давления П-217.05.29.29.000 ЧЕРТЕЖ
 Пневмоклапан служит для снижения давления поступающего газа до необходимого рабочего и для автоматического поддержания давления на заданном уровне. Давление регулируется болтом и фиксируется контргайкой. Газ поступает в корпус через отверстие А и проходит под клапан, отжатый пружиной. Затем газ попадает в полость Б, которая соединена отверстием с пространством под диафрагмой и гнездом В для манометра. При повышении давления под диафрагмой пружина сжимается, при этом клапан под действием пружины уменьшает или прекращает проход газа из зоны А в зону Б. Так поддерживается постоянным давление в зоне Б. Чтобы исключить влияние изменения давления над диафрагмой на работу редуктора, в крышке имеется отверстие Г.
Пневмоклапан давления П-217.05.29.29.000 сб Пневмоклапан давления П-217.05.29.29.000 спецификация Пневмоклапан давления П-217.05.29.29.000 3d сборка Пневмоклапан давления П-217.05.29.29.000 чертежи Крышка П-217.05.29.29.001 Упор П-217.05.29.29.002 Пружина П-217.05.29.29.003 Тарелка П-217.05.29.29.004 Диафрагма П-217.05.29.29.005 Корпус П-217.05.29.29.006 Плунжер П-217.05.29.29.007 Толкатель П-217.05.29.29.008 Заглушка П-217.05.29.29.009 Пружина П-217.05.29.29.010 Клапан П-217.05.29.29.011 Вкладыш П-217.05.29.29.012 Трубка П-217.05.29.29.013 Прокладка П-217.05.29.29.014
Пневмоклапан давления П-217.05.29.29.000 СКАЧАТЬ
|
| |
|
|
| engineerklub | Дата: Пятница, 06.02.2026, 07:39 | Сообщение # 441 |
 Генералиссимус
Группа: Администраторы
Сообщений: 38983
Статус: Offline
| Клапан переливной ПЗ-240.05.09.09.000 ЧЕРТЕЖ
 Переливной клапан служит для поддержания заданного давления в гидравлической или пневматической системе, к которой он присоединяется с помощью конической резьбы. Под действием пружины клапан прижимает шарик к отверстию А (см. схему) в корпусе и перекрывает выход рабочей среды из системы. Под давлением рабочей среды шарик клапана отодвигается и сжимает пружину, в результате чего отверстие А открывается и избыточная рабочая среда устремляется из отверстия А в отверстие Б. Для регулирования давления в системе необходимо отвернуть гайку и повернуть регулировочную гайку.
Клапан переливной ПЗ-240.05.09.09.000 сб Клапан переливной ПЗ-240.05.09.09.000 спецификация Клапан переливной ПЗ-240.05.09.09.000 3d сборка Клапан переливной ПЗ-240.05.09.09.000 чертежи Корпус ПЗ-240.05.09.09.01.000 Корпус 19.100 спецификация Гайка глухая ПЗ-240.05.09.09.003 Прокладка ПЗ-240.05.09.09.004 Гайка регулировочная ПЗ-240.05.09.09.005 Пружина ПЗ-240.05.09.09.006 Клапан ПЗ-240.05.09.09.007
Клапан переливной ПЗ-240.05.09.09.000 СКАЧАТЬ
|
| |
|
|
| engineerklub | Дата: Четверг, 19.02.2026, 09:43 | Сообщение # 442 |
 Генералиссимус
Группа: Администраторы
Сообщений: 38983
Статус: Offline
| Рейсмус. Вариант 1 ЧЕРТЕЖ
 Рейсмус предназначен для прочерчивания линий, параллельных основанию 1. Приспособление ставится на разметочный стол на основание 1. Чертилка 3, перемещаясь в нажимном винте 6, выставляется на нужную высоту и закрепляется гайкой 5. Дополнительная регулировка высоты осуществляется перемещением каретки 4, закрепляемой на стержне 2 винтом 7. Расстояние чертилки до детали от 40 до 150 мм можно изменить, поворачивая ее вместе с винтом 6 и гайкой 5.
Рейсмус 001.003.001.00 сб Рейсмус 001.003.001.00 спецификация Рейсмус 001.003.001.00 3d сборка Рейсмус 001.003.001.00 чертежи Основание 001.003.001.01 Стержень 001.003.001.02 Чертилка 001.003.001.03 Каретка 001.003.001.04 Гайка 001.003.001.05 Винт зажимной 001.003.001.06 Винт М2,5х8 001.003.001.07
Рейсмус. Вариант 1 СКАЧАТЬ
|
| |
|
|
| engineerklub | Дата: Понедельник, 23.03.2026, 12:26 | Сообщение # 443 |
 Генералиссимус
Группа: Администраторы
Сообщений: 38983
Статус: Offline
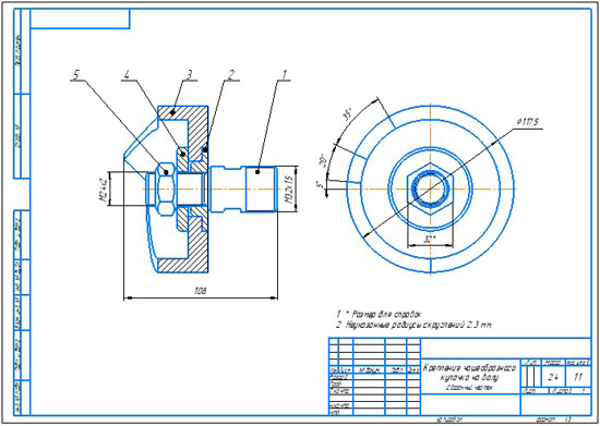
| Крепление чашеобразного кулачка на валу. вариант 1 ЧЕРТЕЖ
 Приведены изображения 5-ти соосно расположенных деталей (каждой в отдельности) в соответствии с ГОСТ 2.305-2008, содержащие: деталь 1 – вид с вынесенным сечением; детали 2, 3 и 4 – полный разрез; деталь 5 – половину вида с половиной разреза, соединенные по оси симметрии. Приведен также вид слева на все детали – в сборе. Указаны размеры деталей согласно ГОСТ 2.307-2011.
Выполните сборочный чертеж изделия (главный вид с разрезом) из приведенных деталей в соответствии с ГОСТ 2.109-73: поместите фигурную шайбу 2 на обращенный к ней резьбовый конец М24х2 несущего вала 1 в крайнее правое положение – до упора в его
ступень большего диаметра; поместите деталь 3 (чашеобразный кулачок) на ступень того же диаметра ф39 мм, что и отверстие в детали 3,
выполненную на упомянутой фигурной шайбе 2, причем также в крайнее правое положение – до упора в ее ступень диаметром ф59 мм;
поместите плоскую шайбу 4 на резьбовый конец М24х2 вала 1, который будет выступать влево, находясь в полости детали 3, и прижмите ее к ней, навинтив шестигранную гайку 5 до упора.
Крепление чашеобразного кулачка на валу. вариант 1 сб Крепление чашеобразного кулачка на валу. вариант 1 спецификация Крепление чашеобразного кулачка на валу. вариант 1 3d сборка Крепление чашеобразного кулачка на валу. вариант 1 чертежи 01 Вал 02 Фигурная шайба 03 Чашеобразный кулачок 04 Шайба 05 Гайка М24х2
Крепление чашеобразного кулачка на валу СКАЧАТЬ
|
| |
|
|
| engineerklub | Дата: Вторник, 24.03.2026, 14:07 | Сообщение # 444 |
 Генералиссимус
Группа: Администраторы
Сообщений: 38983
Статус: Offline
| Цилиндр силовой гидравлический. Вариант 2 ЧЕРТЕЖ
 Приведены изображения 5-ти соосно расположенных деталей (каждой в отдельности) в соответствии с ГОСТ 2.305-2008, содержащие: детали 1 и 5 – половину вида с половиной разреза, соединенные по продольной оси симметрии; детали 2 и 4 – полный разрез; деталь 3 – вид. Приведен также вид слева на все детали – в сборе. Указаны размеры деталей согласно ГОСТ 2.307-2011. Выполните сборочный чертеж изделия (главный вид с разрезом) из приведенных деталей в соответствии с ГОСТ 2.109-73: поместите уплотнительное кольцо 2 в канавку под него диаметром ф71 мм, выполненную на поршне 3; затем поместите поршень 3 в полость корпуса 1, выполненную такого же диаметра, как и он – ф81 мм, в среднее положение; поместите резиновые уплотнительные кольца 4 в обе канавки диаметром ф30 мм, выполненные под них в центральном отверстии крышки 5; проденьте шток резьбовым хвостовиком М18х1,5, выполненный целым с поршнем 3, через упомянутое отверстие в крышке 5 и находящиеся в нем кольца 4; ввинтите крышку (М86х1,5) в полость корпуса, обращенную к крышке резьбой М86х1,5, до упора.
Цилиндр силовой гидравлический. Вариант 2 сб Цилиндр силовой гидравлический. Вариант 2 спецификация Цилиндр силовой гидравлический. Вариант 2 3d сборка Цилиндр силовой гидравлический. Вариант 2 чертежи 01 Корпус 02 Кольцо 03 Поршень 04 Кольцо 05 Крышка
Цилиндр силовой гидравлический. Вариант 2 СКАЧАТЬ
|
| |
|
|
| engineerklub | Дата: Среда, 25.03.2026, 05:48 | Сообщение # 445 |
 Генералиссимус
Группа: Администраторы
Сообщений: 38983
Статус: Offline
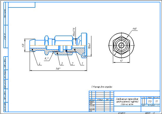
| Соединение переходное шестигранной муфтой. Вариант 3 ЧЕРТЕЖ
 Приведены изображения 4-х соосно расположенных деталей (каждой в отдельности) в соответствии с ГОСТ 2.305-2008, содержащие: детали 1, 3 и 4 – половину вида с половиной разреза, соединенные по продольной оси симметрии; деталь 2 – полный разрез. Приведен также вид слева на все детали – в сборе. Указаны размеры деталей согласно ГОСТ 2.307-2011. Выполните сборочный чертеж изделия (главный вид с разрезом) из приведенных деталей в соответствии с ГОСТ 2.109-73: поместите уплотнительное кольцо 2 (прокладку) с внешним диаметром ф32 мм в ответное торцевое углубление такого же диаметра в глубине переходной муфты 3 справа; присоедините муфту 3 к крышке 1, навинтив ее на резьбовую М36x1,75 часть крышки до упора в прокладку 2; затем присоедините штуцер 4 к муфте 3 с противоположной стороны – слева, ввинтив его до совмещения, с целью обеспечения непроницаемости соединения, основных плоскостей наружной трубной конической резьбы R1, выполненной на штуцере 4 справа, и внутренней трубной конической резьбы Rc1, выполненной в отверстии переходной муфты 3 слева.
Соединение переходное шестигранной муфтой. Вариант 3 сб Соединение переходное шестигранной муфтой. Вариант 3 спецификация Соединение переходное шестигранной муфтой. Вариант 3 3d сборка Соединение переходное шестигранной муфтой. Вариант 3 чертежи 01 Крышка 02 Прокладка 03 Муфта 04 Штуцер
Соединение переходное шестигранной муфтой. Вариант 3 СКАЧАТЬ
|
| |
|
|
| engineerklub | Дата: Пятница, 27.03.2026, 11:01 | Сообщение # 446 |
 Генералиссимус
Группа: Администраторы
Сообщений: 38983
Статус: Offline
| Опора роликовая на полуоси. Вариант 4 ЧЕРТЕЖ
 Приведены изображения 7-ми соосно расположенных деталей (каждой в отдельности) в соответствии с ГОСТ 2.305-2008, содержащие: деталь 1 – вид с местным разрезом и вынесенным сечением; детали 2, 3, 4, 5 и 6 – половину вида с половиной разреза, соединенные по продольной оси симметрии; деталь 7 – вид. Приведен также вид слева на все детали – в сборе. Указаны размеры деталей согласно ГОСТ 2.307-2011. Выполните сборочный чертеж изделия (главный вид с разрезом) из приведенных деталей в соответствии с ГОСТ 2.109-73: навинтите диск 2 на обращенный к нему резьбовый конец М36х1 оси 3 (правый) до упора в ее ступень большего диаметра ф40 мм; поместите шину 4 (кольцо из массива резины в форме открытого кольцевого тора) на ось 3 в крайнее правое положение – до соприкосновения внутренней глобоидальной поверхности шины с ответной глобоидальной поверхностью, выполненной на диске 2 слева и обращенной в сторону шины 4; навинтите диск 5 на обращенный к нему второй резьбовый конец М36х1 оси 3 (левый) до упора – до соприкосновения глобоидальной поверхности этого диска с обращенной к нему глобоидальной поверхностью шины; поместите собранные детали 2, 3, 4 и 5 на полуось 1, вставив ее меньшую ступень диаметром ф24 мм в отверстие оси 3, выполненное того же диаметра, до упора в большую ступень полуоси 1; зафиксируйте собранные детали на полуоси от осевого смещения, оставив им только возможность свободного вращения на ней, ввинтив винт 7 М10х1 в осевое резьбовое отверстие М10х1, выполненное в полуоси 1 слева, предварительно пропустив винт через плоскую шайбу 6 (шайба 6 при этом будет упираться в обращенный к ней торец малой ступени полуоси 1, а не в торец оси 3, чем и обеспечивается свободное совместное вращение всех смонтированных деталей на полуоси).
Опора роликовая на полуоси. Вариант 4 сб Опора роликовая на полуоси. Вариант 4 спецификация Опора роликовая на полуоси. Вариант 4 3d сборка Опора роликовая на полуоси. Вариант 4 чертежи 01 Полуось 02 Диск 03 Ось 04 Шина 05 Диск 06 Шайба 07 Винт М10х1
Опора роликовая на полуоси. Вариант 4 СКАЧАТЬ
|
| |
|
|
| engineerklub | Дата: Пятница, 27.03.2026, 11:02 | Сообщение # 447 |
 Генералиссимус
Группа: Администраторы
Сообщений: 38983
Статус: Offline
| Присоединение углового штуцера накидной гайкой. вариант 5 ЧЕРТЕЖ
 Приведены изображения 5-ти соосно расположенных деталей (каждой в отдельности) в соответствии с ГОСТ 2.305-2008, содержащие: детали 1 и 4 – половину вида с половиной разреза, соединенные по оси симметрии; детали 2 и 3 – полный разрез; деталь 5 – разрез, соединенный с видом. Приведен также вид слева на все детали – в сборе. Указаны размеры деталей по ГОСТ 2.307-2011. Выполните сборочный чертеж изделия (главный вид с разрезом) из приведенных деталей в соответствии с ГОСТ 2.109-73: присоедините ниппель 2 к фланцу 1, ввинтив его в отверстие в центре фланца, снабженное метрической конической резьбой МК30, до совмещения основных плоскостей указанной внутренней метрической конической резьбы и ответной наружной метрической конической резьбы МК30, выполненной на ниппеле 2, что и обеспечивает непроницаемость этого соединения; проденьте угловой штуцер через накидную гайку 5, чтобы его буртик диаметром ф35 мм уперся в заплечик внутри гайки; туда же поместите уплотнительную прокладку 3 и навинтите гайку 4 ее резьбой М40х2 на ответную резьбу М40х2, выполненную слева на ниппеле 2, при этом уплотнительная прокладка 3 для обеспечения непроницаемости соединения будет защемлена между торцем ниппеля 2 и торцем буртика штуцера 5.
рисоединение углового штуцера накидной гайкой. вариант 5 сб рисоединение углового штуцера накидной гайкой. вариант 5 спецификация рисоединение углового штуцера накидной гайкой. вариант 5 3d сборка рисоединение углового штуцера накидной гайкой. вариант 5 чертежи 01 Фланец 02 Ниппель 03 Прокладка 04 Гайка 05 Штуцер
Присоединение углового штуцера накидной гайкой СКАЧАТЬ
|
| |
|
|
| engineerklub | Дата: Суббота, 28.03.2026, 07:18 | Сообщение # 448 |
 Генералиссимус
Группа: Администраторы
Сообщений: 38983
Статус: Offline
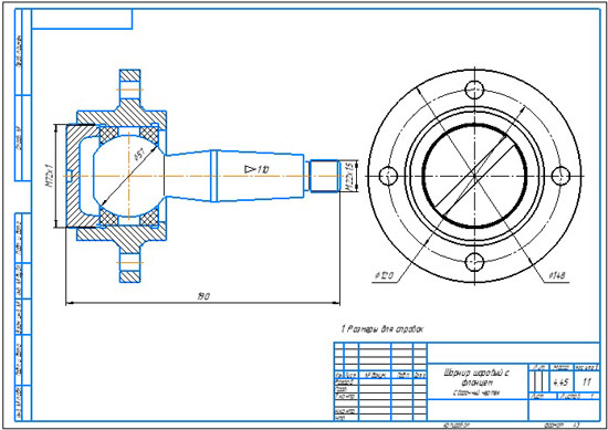
| Шарнир шаровой с фланцем. вариант 6 ЧЕРТЕЖ
 Приведены изображения 5-ти соосно расположенных деталей (каждой в отдельности) в соответствии с ГОСТ 2.305-2008, содержащие: детали 1 и 5 – половину вида с половиной разреза, соединенные по продольной оси симметрии; детали 2 и 4 – полный разрез; деталь 3 – вид. Приведен также вид слева на все детали – в сборе. Указаны размеры деталей согласно ГОСТ 2.307-2011. Выполните сборочный чертеж изделия (главный вид с разрезом) из приведенных деталей в соответствии с ГОСТ 2.109-73: поместите вкладыш 2 из износостойкого полимерного материала в корпус 1 в крайнее правое положение – до упора в заплечик диаметром Ф64 мм; поместите шаровую часть Ф57 мм детали 3 в корпус 1, пропустив ее конические части через отверстие во вкладыше 2, в крайнее правое положение – до упора шаровой части в обращенную к ней ответную сферическую поверхность R28,5 мм вкладыша; с противоположной стороны (слева) поместите вкладыш 4 также в корпус 1 до соприкосновения его сферической поверхности R28,5 мм с поверхностью шаровой части ⌀57 мм детали 3; зафиксируйте детали 2, 3 и 4 внутри корпуса 1 резьбовой пробкой 5, ввинтив ее в метрическую резьбу М72×1, выполненную в корпусе слева.
Шарнир шаровой с фланцем. вариант 6 СБ Шарнир шаровой с фланцем. вариант 6 спецификация Шарнир шаровой с фланцем. вариант 6 3d сборка Шарнир шаровой с фланцем. вариант 6 чертежи 01 Корпус 02 Вкладыш 03 Палец 04 Вкладыш 05 Пробка
Шарнир шаровой с фланцем. вариант 6 СКАЧАТЬ
|
| |
|
|
| engineerklub | Дата: Понедельник, 30.03.2026, 16:17 | Сообщение # 449 |
 Генералиссимус
Группа: Администраторы
Сообщений: 38983
Статус: Offline
| Полумуфта на валу. Вариант 8 ЧЕРТЕЖ
 Приведены изображения 4-х соосно расположенных деталей (каждой в отдельности) в соответствии с ГОСТ 2.305-2008, содержащие: деталь 1 – вид с местным разрезом; детали 2, 3 и 4 – половину вида с половиной разреза, соединенные по продольной оси симметрии. Приведен также вид слева на все детали – в сборе. Указаны размеры деталей согласно ГОСТ 2.307-2011. Выполните сборочный чертеж изделия (главный вид с разрезом) из приведенных деталей в соответствии с ГОСТ 2.109-73: поместите в коническое отверстие 1:10 детали 2 (полумуфту) обращенную к ней ответную коническую часть полуоси 1 до полного выбора зазора; поместите на резьбовый конец М24х2 детали 1, который будет выступать из детали 2 слева, шайбу 3; прижмите шайбу 3 к детали 2 шестигранной гайкой 4, навинтив ее на указанный резьбовый конец М24х2 до упора.
Полумуфта на валу. Вариант 8 сб Полумуфта на валу. Вариант 8 спецификация Полумуфта на валу. Вариант 8 3d сборка Полумуфта на валу. Вариант 8 чертежи 01 Полуось 02 Полумуфта 03 Шайба 04 Гайка М24х2
Полумуфта на валу. Вариант 8 СКАЧАТЬ
|
| |
|
|
| engineerklub | Дата: Четверг, 21.05.2026, 06:50 | Сообщение # 450 |
 Генералиссимус
Группа: Администраторы
Сообщений: 38983
Статус: Offline
| Вентиль соосный. Вариант 1 ЧЕРТЕЖ
 Вентиль (рис. 3.1) предназначен для управляемого перекрытия потока жидкости. Его герметично устанавливают на трубопроводы (не изображены) посредством внутренней резьбы М33, выполненной в приливах корпуса 1 слева и справа. Входное и выходное отверстия выведены в полость корпуса через его плоское дно, к которому прижат клапан 8, герметично их запирая посредством прокладки 13 из паронита (ГОСТ 481-80). Клапан удерживают в нужном положении и перемещают по высоте шпинделем 5, с нижним концом которого тот соединен внутренним стопорным разрезным кольцом 11 круглого сечения (DIN 7993 B). Сверху полость корпуса закрыта крышкой 2, прижатой гайкой 3 до упора крышки в верхний торец корпуса через резиновое уплотнительное кольцо 12 (ГОСТ 9833-73). Кольцо обеспечивает герметичность данного соединния. Шпиндель 5 пропущен наружу через резьбовое отверстие в крышке 2 и уплотнен в нем войлочной сальниковой набивкой 14 (ГОСТ 5152-84), осаживаемой по мере необходимости накидной гайкой 4 через сальниковую втулку 6. Для приведения шпинделя 5 во вращение усилием руки, на его верхнем конце установлен маховичок 7, посаженный на хвостовик квадратного сечения, удерживаемый гайкой 9 М5 (ГОСТ 5915-70) и шайбой 10 (ГОСТ 11371-78).
Вентиль соосный. Вариант 1 сборочный чертеж Вентиль соосный. Вариант 1 чертежи Вентиль соосный. Вариант 1 3d сборка Вентиль соосный. Вариант 1 спецификация 01 Корпус 02 Крышка 03 Гайка 04 Накидная гайка 05 Шпиндель 06 Втулка 07 Маховичок 08 Клапан
Вентиль соосный. Вариант 1 СКАЧАТЬ
|
| |
|
|